EasyManua.ls Logo

Omron SYSDRIVE 3G3FV-*-CUE - Page 40

Omron SYSDRIVE 3G3FV-*-CUE
78 pages
Print Icon
To Next Page IconTo Next Page
To Next Page IconTo Next Page
To Previous Page IconTo Previous Page
To Previous Page IconTo Previous Page
Loading...
www.dadehpardazan.ir 88594014-15
2-21
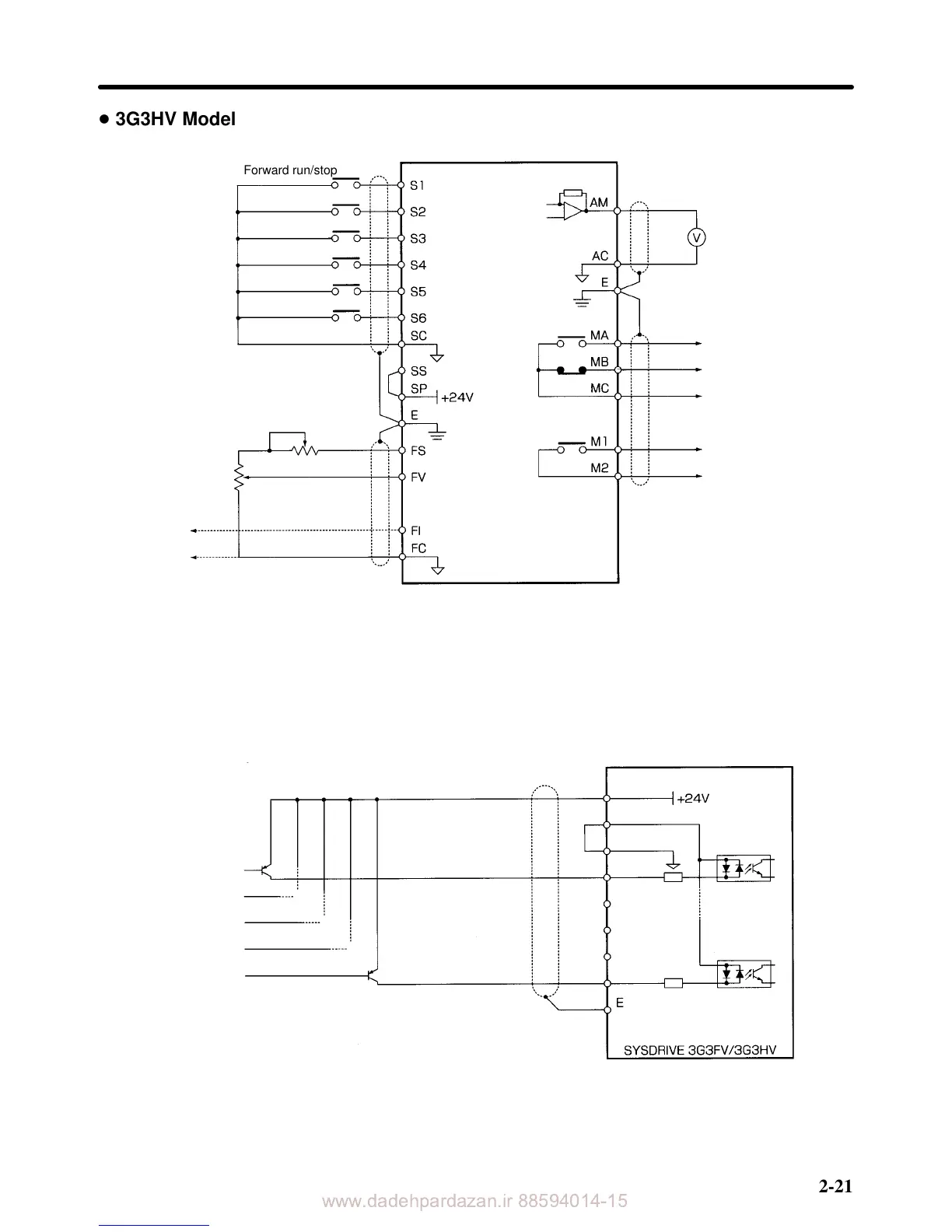
D 3G3HV Model
Forward run/stop
Multi-function
contact input 1
Multi-function
contact input 2
Multi-function
contact input 3
Multi-function
contact input 4
Multi-function
contact input 5
Sequence input common
Shielded
wire
Variable resistor for
frequency reference
(voltage input)
Frequency
reference
2 k
0 to 10 V
4 to 20 mA
0 V
Variable resistor for
setting frequency
2 k
Multi-function analog
output
Voltmeter
Multi-function analog
output common
Multi-function contact
output 1 (NO)
Multi-function contact
output 1 common
Multi-function contact
output 1 (NC)
Multi-function contact
output 2 common
Multi-function contact
output 2
H Input Methods of Control Circuit Terminals
D When Using a PNP Transistor (Open Collector) for Control Signals
Forward/stop
(See note)
36/SP
11/SC
35/SS
1/S1
Note Numeric characters indicate terminal numbers for the 3G3FV and alphanumeric characters indi-
cate terminal numbers for the 3G3HV.
Installation Chapter 2

Related product manuals