EasyManua.ls Logo

Onkyo CR-185 - Block Diagram

Onkyo CR-185
28 pages
Print Icon
To Next Page IconTo Next Page
To Next Page IconTo Next Page
To Previous Page IconTo Previous Page
To Previous Page IconTo Previous Page
Loading...
Ob
PM
/
LLSOLA
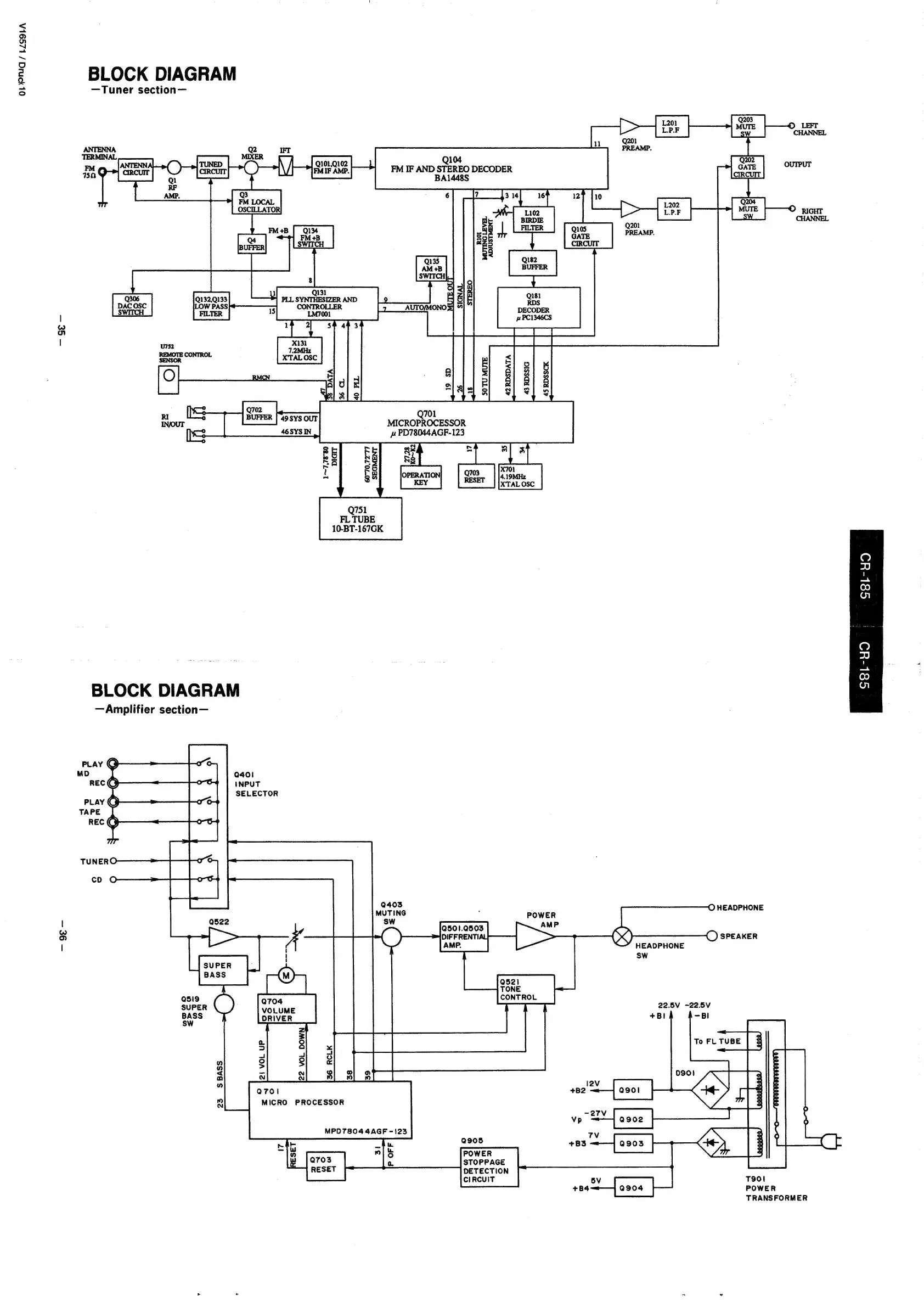
BLOCK
DIAGRAM
—Tuner
section—
©
LEFT
CHANNEL
ANTENNA
TERMINAL
IM
©
OUTPUT
150
O
RIGHT
CHANNEL
Q306
Q132,Q133
PLL
SYNTHESIZER
AND
9
DAC
OSC
ILOW
PASS
CONTROLLER
‘AUTO/MONO
SWITCH
FILTER
1S
LM7001
eae
a
aie
X131
fs
7.2MHz
REMOTE
CONTROL
X'TAL
OSC
<
<
:
g|
2\
RMCI
<
5
2|
2|
8
Theo
v
s
Q701
Q131
Q702
BUFFER
|
49SYS
OUT
46
SYS
IN
MICROPROCESSOR
»
PD78044AGF-123
1~7,78-80
DIGIT
60°70,72-77
FL
TUBE
10-BT-167GK
BLOCK
DIAGRAM
—Amplifier
section—
PLAY
@
RECGQ)
INPUT
PLAY
G
REC
GQ
TUNERO
cD
O
Q403
O
HEADPHONE
MUTING
POWER
()
SPEAKER
HEADPHONE
Q7ol
MICRO
PROCESSOR
23
SBASS
MPD7804
4AGF
-123
Q52)
TONE
CONTROL
sw
501.0503
AMP
S,
)
DIFFRENTIA
~
AMP.
sw
+B!
-BI
Q90s
POWER
STOPPAGE
DETECTION
CIRCUIT
22.5V
-22.5V
To
FL
TUBE
3
0901
:
lav
N)
+82
:
-27V
ve
SX)
avez
|
7V
5V
+84
Q904
T901
POWER
TRANSFORMER

Related product manuals