EasyManua.ls Logo

Onkyo DR-90 - Connecting to Audio;Video Equipment

Onkyo DR-90
68 pages
Print Icon
To Next Page IconTo Next Page
To Next Page IconTo Next Page
To Previous Page IconTo Previous Page
To Previous Page IconTo Previous Page
Loading...
Getting Started
11
AM
FM
75
R
CENTER
SPEAKER
R
L
L
R
L
L
SURROUND
SPEAKERS
FRONT SPEAKERS
R
ANTENNA
Y
C
B
C
R
COMPONENT VIDEO OUTPUT
SUBWOOFER
CENTER
PRE OUT
S VIDEO
MONITOR
OUT
COAXIAL VIDEO 2
DIGITAL INPUT
TV I
N
MONITOR
OUT
(
PLAY
)
(
REC
)
OUT
I
N
VIDEO
1
OUT
I
N
TAPE
/
MD
VIDEO 2
OUT
I
N
VIDEO 1
I
N
L
VIDEO
R
DIGITAL OUTPUT
OPTICAL VIDEO 1
OPTICAL
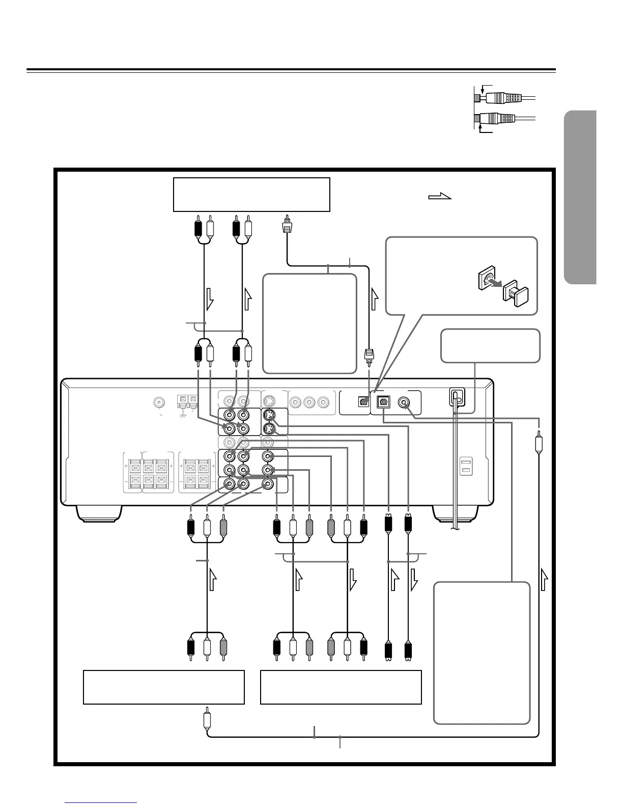
Connecting to Audio/Video Equipment
(White)
Before connecting
Refer also to the instruction manual of each component to be
connected.
When you connect the DVD Receiver to audio/video equipment, be
sure to turn off the power and unplug all the units from the wall outlets
before making any connections.
Note that one audio/video connection cable is supplied (if not used in
the connection on the opposite page.)
L (White)
L (White)
(Yellow)
R (Red)
R (Red)
(Yellow)
S video
connection cable
Audio/video connection cable
To audio
outputs
To video output
To video input
To audio
inputs
To S video output
To S video input
To audio
outputs
Video Disc Player/
Video Cassette Player
VCR
Do not connect the power cord
at this time.
(Red)
(White)
(Red)
(White)
MD Recorder, DAT,
Stereo cassette tape deck, etc.
(White)
(Red)
(White)
(Red)
Stereo audio connection cable
Optical fiber cable
To audio
inputs
(rec)
To audio
output
(play)
To digital
coaxial audio
output
To digital optical
audio input
This connection is only for
equipment with a digital
optical audo input.
Digital recording is not always
possible; therefore, also
connect to the analog TAPE/
MD OUT (REC) jacks (see
page 58 for recording sound).
: Signal flow
Remove the protective caps before making
connections. When not in use, be sure to
replace them.
(Red)
(White)
(Yellow)
(Red)
(White)
(Yellow)
(Red)
(Yellow)
L (White)
R (Red)
(Yellow)
To video output
This connection is only for equipment with a digital coaxial audio output.
Audio/video
connection
cable
The OPTICAL VIDEO 1 IN
connector is for equipment with
a digital audio output such as a
satellite tuner which is to be
connected to analog VIDEO 1
connectors instead of a VCR.
To connect to the OPTICAL
VIDEO 1 connector, use an
optical fiber connection cable.
If the equipment doesn’t have
recording functions, you may
leave the analog VIDEO 1 OUT
connectors disconnected.
Connect the plugs securely.
(About the VIDEO 1 jacks/connectors)
The video input and output connections are necessary even if you
make the S video input and output connections.
Incomplete
Insert completely
Coaxial connection cable

Other manuals for Onkyo DR-90

Related product manuals