EasyManua.ls Logo

Onkyo DR-90 - Connecting Speakers

Onkyo DR-90
68 pages
Print Icon
To Next Page IconTo Next Page
To Next Page IconTo Next Page
To Previous Page IconTo Previous Page
To Previous Page IconTo Previous Page
Loading...
1212
Y
C
B
C
R
COMPONENT VIDEO OUTPUT
AM
FM
75
VIDEO 2
OUT
I
N
VIDEO 1
DIGITAL OUTPUT
COAXIAL VIDEO 2
OPTICAL VIDEO 1
DIGITAL INPUT
OPTICAL
I
N
RL
VIDEO
ANTENNA
(
PLAY
)
(
REC
)
OUT
I
N
VIDEO
1
OUT
I
N
TV I
N
TAPE
/
MD
CENTER
S VIDEO
MONITOR
OUT
MONITOR
OUT
R
CENTER
SPEAKER
L
L
SURROUND
SPEAKERS
R
SUBWOOFER
R
L
FRONT SPEAKERS
+++
+–+
PRE OUT
R
L
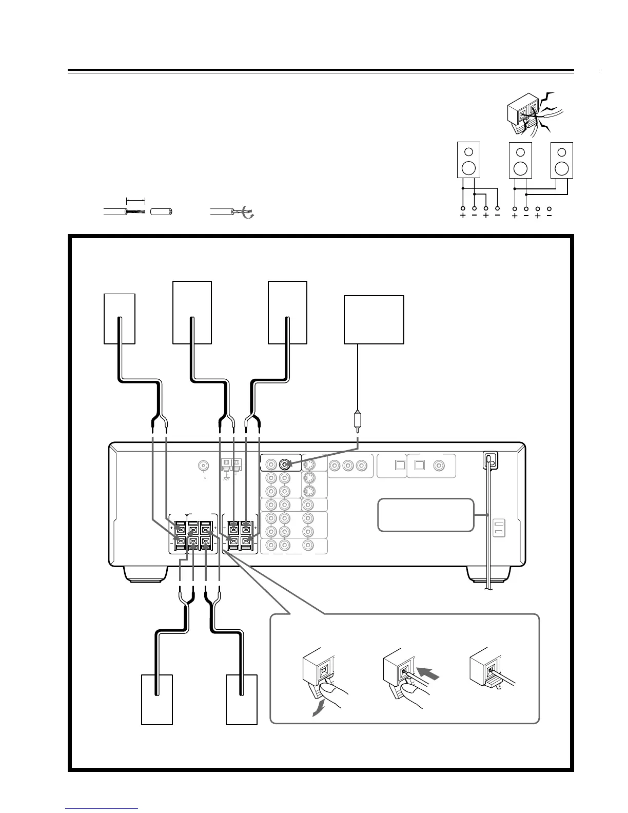
Connecting Speakers
Before connecting
Refer also to the instruction manuals of the speakers.
This DVD Receiver is designed to reproduce optimum sound quality
when speakers with impedances within the ranges specified below are
connected. Please check the following information and choose
speakers with appropriate impedances for the connections.
Front speakers: 6 ohms min. per speaker
Center speaker: 6 ohms min.
Surround Speakers : 6 ohms min. per speaker
Strip
3
/8 in. (10 mm) from the end of each cord, then twist the exposed
wires tightly.
Do not connect the power cord
at this time.
To prevent damage to circuits, never short-circuit
the positive (+) and negative (–) speaker wires.
Do not connect the speaker cable
to the L and R connectors at the
same time and do not connect
more than one speaker to the same
speaker connectors.
Front speakers
Right ch.
Left ch.
Active subwoofer
Center speaker
Surround speakers
Right ch. Left ch.
Press and hold
the lever.
Insert the stripped
end of the cord.
Release the lever to
replace it.
R L
R L
NO!
3
/8 in.
NO!NO!

Other manuals for Onkyo DR-90

Related product manuals