EasyManua.ls Logo

Onkyo HT-R508 - Speaker, Signal, and Noise Issues; Component and Function Specific Issues

Onkyo HT-R508
140 pages
Print Icon
To Next Page IconTo Next Page
To Next Page IconTo Next Page
To Previous Page IconTo Previous Page
To Previous Page IconTo Previous Page
Loading...
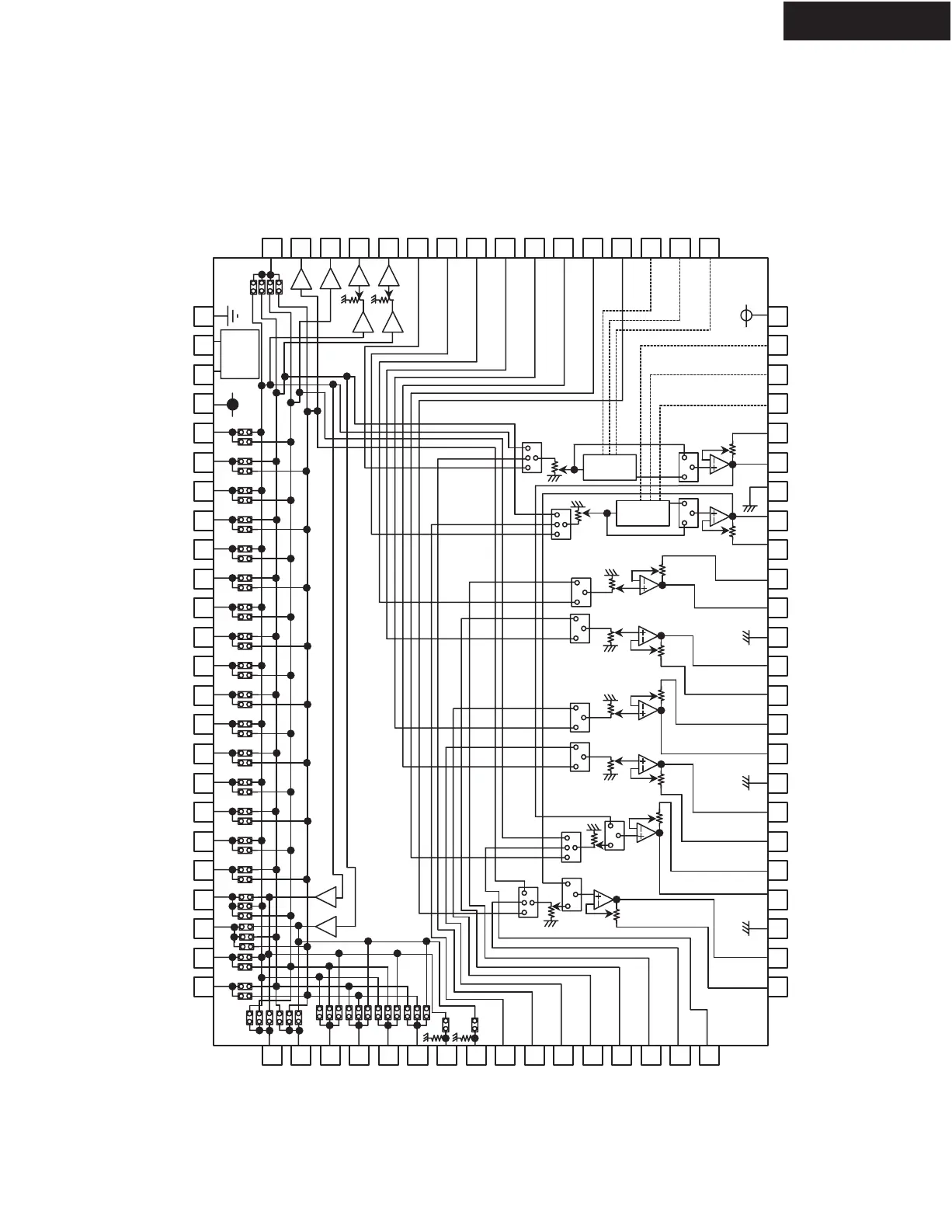
IC BLOCK DIAGRAMS AND TERMINAL DESCRIPTIONS-14
Q5501 : R2S15211FP (8 ch Electronic Volume and 11 Input Selector and Tone Control)-2/3
BLOCK DIAGRAM
TX-SR505/505E
AGND
5-C
AGND
3-C
AGND
1-C
CLOCK
AVCC
INLB/RECL2
INRB/RECR2
INR11/RECR5
INL10/RECL4
RECR3
INL11/RECL5
FLIN1
RECL3
CIN1
FRIN1
SLIN1
SWIN1
ADCL
ADCR
FLIN2
FRIN2
SLIN2
SRIN2
CIN2
SWIN2
SBLIN2
SBRIN2
BASSR2
TRER
BASSR1
TREL
BASSL1
BASSL2
FLOUT
6-C
FLC
FROUT
AGND
FRC
DATA
SBLIN1
SRIN1
SBRIN1
1-OUT (SBL OUT)
DGND
2-OUT (SBR OUT)
3-OUT (C OUT)
2-C
4-OUT (SW OUT)
5-OUT (SL OUT)
4-C
6-OUT (SR OUT)
INL5
INL1
INR1
INL2
INR2
INL3
INR3
INL4
INR4
INR5
INL6
INR6
INL7
INR7
INL8
INR8
INLA/RECL1
INRA/RECR1
INL9
INR9
AVEE
SUBR
SUBL
MONO
INR10/RECR4
65 66 67 68 69 70 71 72 73 74 75 76 77 78 79 80
60
59
58
57
56
55
54
53
52
51
50
49
48
47
46
45
44
43
42
41
64
63
62
61
5
6
7
8
9
10
11
12
13
14
15
16
17
18
19
20
21
22
23
24
1
2
3
4
40 39 38 37 36 35 34 33 32 31 30 29 28 27 26 25
AVCC
MCU
I/F
MAIN
SUB
REC
ATT
Bass / Treble
+16~-95dB
(1dBstep)
+16~-95dB
(1dBstep)
+16~-95dB
(1dBstep)
+16~-95dB
(1dBstep)
+16~-95dB
(1dBstep)
+16~-95dB
(1dBstep)
Tone
+16~0dB
(1dBstep)
Tone
Bass / Treble
-14~+14dB
(2dB step)
0~-95dB
(1dBstep)
+16~0dB
(1dBstep)
0~-95dB, -14~+14dB
(1dBstep) (2dB step)
0/-6/-12/-18dB

Other manuals for Onkyo HT-R508

Related product manuals