EasyManua.ls Logo

Onkyo TX-8050S

Onkyo TX-8050S
78 pages
To Next Page IconTo Next Page
To Next Page IconTo Next Page
To Previous Page IconTo Previous Page
To Previous Page IconTo Previous Page
Loading...
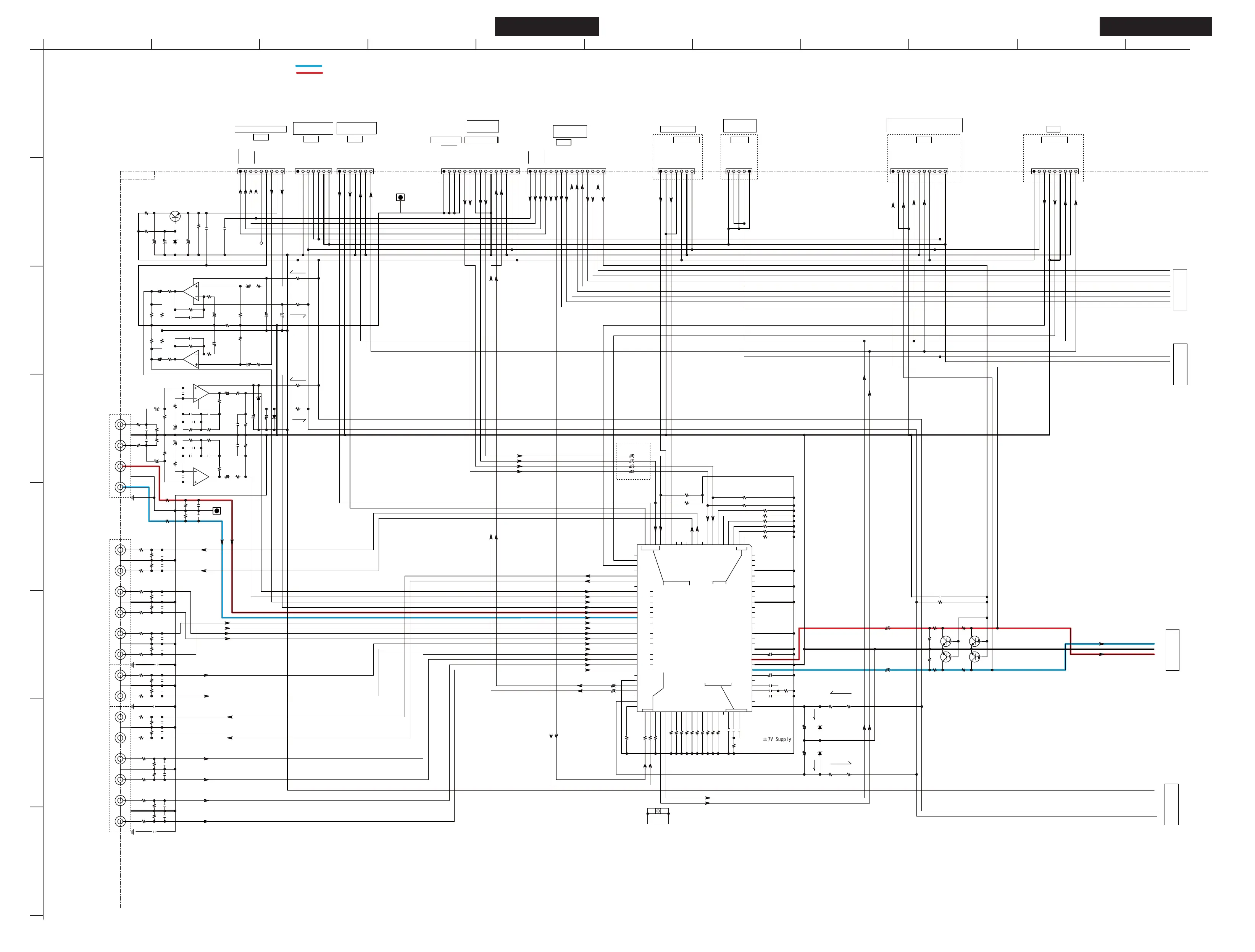
TX-8030 / TX-8050
SCHEMATIC DIAGRAM - 4 (SD - 4)
AUDIO INPUT SECTION
TX-8030 / TX-8050
A
1
2
3
4
5
BCDEF GH
6
7
8
IJK
Z2R
Z2L
+15V
-15V
+15V
+BDG
AMUT
VOLH
SEC1H
IPROTECT
VPROTECT
SP_A
SP_B
AMUT
RB_L
RB_R
DAC_FL
APOWER
RTAD
+15V
-15V
Z2L
Z2R
-15V
+BDG
DGND
AGND
Lch
Rch
DAC_FR
LTAD
Z2NET_L
Z2NET_R
DAC_FR
Z2NET_R
Z2NET_L
DAC_FL
TU_SDA
TU_CLK
RchOUT
LchOUT
+15V
-15V
Rch
Lch
Rch
Lch
Rch
Lch
Rch
Lch
Rch
Lch
Rch
Lch
Lch
Rch
Z2R
Z2L
VCR
GAME
DVD
VOLH
SEC1H
IPROTECT
VPROTECT
SP_A
SP_B
-15V
+15V
CBL
TV/TAPE IN
CD
TUNER
PREOUT_R
PREOUT_L
UPORT_R
GNDUP
UPORT_L
Z2OUT_R
TUNER GND
TU_RST
TUNER L
TUNER R
TU_EN
NC
+5V
from TUNER PACK
DGND
DAB/HDR_R
AGND
DAB/HDR_L
+15V
AGND
-15V
+BDG
to DS-13 G-3
DSP PWB
to DAB/HDR
+BDG
PREOUT_R
PREOUT_L
GND_PO
GND_PO
GNDZ2
Z2OUT_L
Z2OUT_R
to SD-7 A-2
PREOUT/ZONE2/RS232 PWB
RB_L
AGND
RB_R
GND
Z2OUT_R
Z2OUT_L
GNDZ2
RB
BCAF-0704
DGND
DGND
APOWER
+BDG
DGND
+15V
-15V
+15V
-15V
+15V
GND
-15V
+BDG
GNDZ2
Z2OUT_L
Z2NET_L
TU_EN
TU_RST
TU_SCL
TU_SDA
VOL_DATA
VOL_CLK
SP_B
SP_A
HPDET
IPROTECT
VPROTECT
to SD-6 D-1
DG PWB
DACGND
DACGND
DACGND
Z2NET_R
LTAD
RTAD
DACFR
AMUT
VOLH
SEC1H
DACGND
DACGND
APOWER
+15V
GND15
DGND
+BDG
DGND
ALL
to SD-10 A-1
VIDEO/UPORT
ALL
DACFL
DACGND
to SD-6 K-6
DG PWB
ALL NO USE
CBL/SAT
VCR/DVR
OUT
VCR/DVR
BD/DVD
IN
GAME
TV/TAPE IN
TAPE OUT
SCLK
SDIO
4.53mA
4.53mA
4.5mA
4.5mA
+7V
-7V
15V
11.7V
-11.6V
0.338W
0.234W0.331W
0.24W
-15V
30.2mA29.9mA
70.75mA
70.1mA
6.85V
-6.85V
PHONO
NO USE
ALL
3P-->8030 15P-->8050 8050
PHONO
CD
Rch
Lch
Rch
Lch
Earth plate
-15V
Only for TX-8050
R4013
100K
R4014
100K
R4015
330
R4017
100K
R4018
100K
R4019
330
R4020
330
R4021
100K
R4022
100K
R4027
330
R4028
330
R4029
100K
R4030
100K
R4031
330
R4032
330
R4033
100K
R4034
100K
C4013
102J
C4015
102J
C4011
221J
C4012
221J
C4009
221J
C4010
221J
C4008
221J
C4005
221J
C4006
221J
C4003
221J
C4014
102J
C4021
47/25
C4022
47/25
C4024 223J
C4026 823J
C4031
47/25
C4032
47/25
R4041
1.8K
R4050
10K
C4028 474
C4403
47/25
C4407
47/25
R4407
1K
R4403
8.2K
R4405
8.2K
Q4401A
NJM4580
7
4
6
5
8
C4405
102J
R4102
220K
R4101
220K
TP4001
C4103
104J
R4009
220K
R4010
220K
C4004
221J
C4033
221J
C4034
221J
R4024
2.2K
R4023
2.2K
R4025
220K
R4026
220K
C4007
221J
C4035
221J
C4036
221J
C4027
474J
C4025
823J
C4023
223J
R4042
1.8K
Q4005
RN1441
Q4006
RN1441
Q4003
RN1441
Q4004
RN1441
R4107
220K
R4065 4.7K
R4066
4.7K
R4036 4.7K
R4035 4.7K
R4040 4.7K
R4039
4.7K
R4045
4.7K
R4037 4.7K
R4043
4.7K
R4044
4.7K
JL403A
1
2
3
4
5
6
7
JL402A
1
2
3
4
5
6
7
JL408A
1
2
3
4
5
6
7
8
9
P4401A
1
2
3
4
5
6
7
8
9
P4405A
1
2
3
4
5
6
7
8
9
10
11
12
13
14
15
E903
3
4 1
2
C4410
220/25
C4409
220/25
C4401
47/25
C4316
100/25
R4314
1.2K
R4418
NC
R4055
220K
R4056
220K
R4058
220K
R4057
220K
JL409A
1
2
3
4
5
6
7
8
9
10
11
P4404A
1
2
3
4
5
6
7
8
9
10
11
12
13
14
15
C4037
47/50
C4038
47/50
C4051
47/50
C4052
47/50
R4059
4.7K
R4060
4.7K
R4061
4.7K
R4062
4.7K
R4063
4.7K
R4064
4.7K
R4411
100(1/4W)
R4412
100(1/4W)
R4319
100(1/4W)
R4320
100(1/4W)
R4052
68(1W)
JL407A
1
2
3
4
5
R4054
47(1W)
C4045
470/16
C4046
470/16
R4051
68(1W)
R4053
47(1W)
Q4001
R2A15218FP
80
N.C.
79
IN-L9
78
IN-R9
77
N.C.
76
INLA/RECL1
75
INRA/RECR1
74
N.C.
73
IN-L8
72
IN-R8
71
IN-L7
70
IN-R7
69
IN-L6
68
IN-R6
67
IN-L5
66
IN-R5
65
IN-L4
64
IN-R4
63
IN-L3
62
IN-R3
61
IN-L2
60
IN-R2
59
IN-L1
58
IN-R1
57
N.C.
56
AGND
55
ADCR
54
ADCL
53
N.C.
52
AVEE
51
MUTE
50
CLOCK
49
DATA
48
DGND
47
SUBR
46
SUBL
45
SBLC-IN
44
SBRC-IN
43
FR-IN2
42
FL-IN2
41
SR-IN2
40
SL-IN2
39
SW-IN2
38
C-IN2
37
SBR-IN2
36
SBL-IN2
35
N.C.
34
TRER
33
BASS-R2
32
BASS-R1
31
N.C.
30
AVCC
29
N.C.
28
TREL
27
BASS-L2
26
BASS_L1
25
N.C.
24
FRC
23
FR-OUT
22
AGND
21
FL-OUT
20
FLC
19
AGND
18
CC
17
C-OUT
16
AGND
15
SW-OUT
14
SWC
13
N.C.
12
SRC
11
SR-OUT
10
AGND
9
SL-OUT
8
SLC
7
AGND
6
SBRC
5
SBR-OUT
4
AGND
3
SBL-OUT
2
SBLC
1
N.C.
100
SBR-IN1
99
SBL-IN1
98
SR-IN1
97
SL-IN1
96
SW-IN1
95
C-IN1
94
FR-IN1
93
FL-IN1
92
N.C.
91
RECL3
90
RECR3
89
N.C.
88
N.C.
87
N.C.
86
INL11/RECL5
85
INR11/RECR5
84
INL10/RECL4
83
INR10/RECR4
82
INLB/RECL2
81
INRB/RECR2
(Botom view)
R4047 0
R4417
33K
C4016
47/25
C4017
47/25
D4003
MTZJ5.6B
Q4402
2SC2235-Y
C4018
47/25
R4416
4.7K
R4415
100(1W)
C4411
104Z
C4412
NC
R4406
8.2K
C4408
47/25
R4408
1K
R4404
8.2K
C4402
47/25
Q4401B
NJM4580
1
3
2
C4406
102J
C4101
47/50
C4102
47/50
D4001
MTZJ6.8B
D4002
MTZJ6.8B
D4004
NC
D4005 NC
P4406A
NC
1
2
3
4
5
6
7
R4413
22k
R4414
22k
R4316
820
R4409
NC
R4419
47K
R4410
NC
R4420
47K
C4404
47/25
R4106
100
R4104
270
R4105
100
R4103
270
R4303
56K
R4304
56K
R4002
330
R4001
330
R4003
100K
R4004
100K
C4001
221J
C4002
221J
C4305
220/25
C4317
221J
C4318
221J
R4305
220K
R4306
220K
Q4301A
NJM4580
5
6
4
7
8
P4004
10
2
1
3
5
4
6
8
7
9
P4003
4
2
1
3
C4312
22/50
R4315
820
R4318
220K
R4317
220K
P4001
7
2
1
3
5
4
6
R4008
2.2K
R4007
2.2K
R4012
330
R4011
330
P4002
10
2
1
3
5
4
6
8
7
9
R4016
330
C4304
47/50
C4306
220/25
C4311
22/50
C4315
100/25
C4303
47/50
C4314
222J
C4313
222J
R4312
47K
R4311
47K
C4310
152J
C4301
221J
C4302
221J
C4308
472J
C4320
102J
R4309
560K
R4308
1.2K
R4307
1.2K
C4319
102J
C4307
472J
C4309
152J
R4310
560K
R4313
1.2K
Q4301B
NJM4580
2
3
1
R4401
33K
R4402
33K
R4302
1K
R4301
1K
R4049 10K
R4048
10K
to SD-10 A-2
VIDEO/UPORT
ALL
to SD-5 A-5
POW-AMP PWB
to SD-5 A-7
POW-AMP PWB
to SD-5 A-3
POW-AMP PWB
to SD-5 A-6
POW-AMP PWB
Audio signal line (CD)
L channel
R channel
HPDET
J931
to SD-5 G-3
J930
to SD-5 G-3

Related product manuals