EasyManua.ls Logo

Onkyo TX-8050S

Onkyo TX-8050S
78 pages
To Next Page IconTo Next Page
To Next Page IconTo Next Page
To Previous Page IconTo Previous Page
To Previous Page IconTo Previous Page
Loading...
TX-8050 / 8030
TX-8050 / 8030
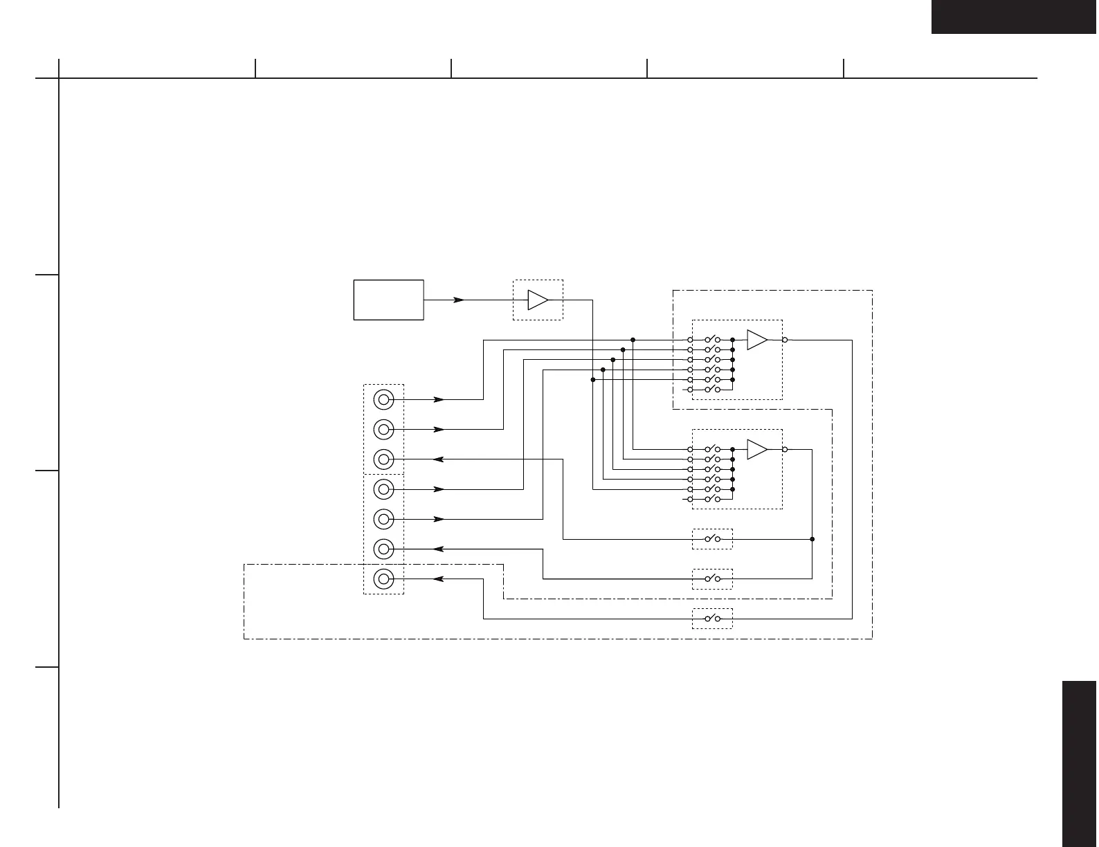
SCHEMATIC DIAGRAM - 2 (SD - 2)
VIDEO BLOCK DIAGRAM SECTION
BH76360FV
IN
OUT
CBL/SAT
TV
MONITOR OUT
VCR/DVR
Z2 OUT
BD/DVD
U.PORT
NJM2505AF
BH76360FV
NO USE
58
58
A
1
2
3
4
BCDE

Related product manuals