EasyManua.ls Logo

Onkyo TX-SR304E

Onkyo TX-SR304E
60 pages
To Next Page IconTo Next Page
To Next Page IconTo Next Page
To Previous Page IconTo Previous Page
To Previous Page IconTo Previous Page
Loading...
25
Connecting Your Components
—Continued
COAXIAL
OUT
AUDIO
OUT
LR
OPTICAL
OUT
FRONT
LR
SURROUND
LR
CENTERSUB
WOOFER
cc
d d d d
a
b
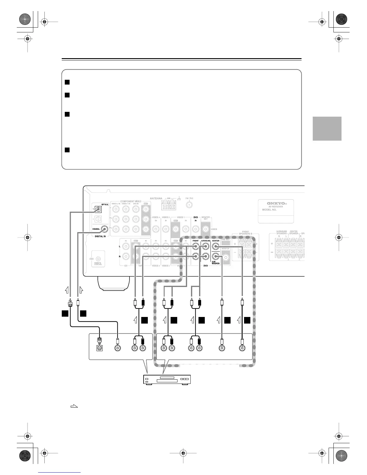
Step 2: Audio Connection
If your DVD player has a coaxial digital audio output jack, connect it to the AV receiver’s DIGITAL IN COAX-
IAL jack. You can enjoy Dolby and DTS listening modes with this connection.
If your DVD player has an optical digital audio output jack instead of coaxial one, connect it to the AV receiver’s
DIGITAL IN OPTICAL 1 or 2 jack, and set the DIGITAL INPUT assignment to OPT1 or OPT 2 (see page 33).
Coaxial connections perform the same as optical ones.
Optionally, connecting your DVD player’s audio out L/R jacks to the AV receiver’s DVD IN FRONT L/R jacks
will allow you to record audio from your DVD player.
Note: If your DVD player has main L/R output jacks and multichannel L/R output jacks, use the main L/R output
jacks.
—Multichannel Audio Connection—
If your DVD player has analog multichannel output jacks, connect them to the AV receiver’s DVD IN FRONT,
SURROUND, CENTER, and SUBWOOFER jacks. Use a multichannel analog cable or several normal audio
cables. You can enjoy DVD-Audio or SACD with this connection.
a
b
c
d
DVD player
Multichannel Connection
AV receiver
: Signal Flow
TX-SR304En.book Page 25 Tuesday, January 24, 2006 10:01 AM

Related product manuals