EasyManua.ls Logo

Onkyo TX-SR304E

Onkyo TX-SR304E
60 pages
To Next Page IconTo Next Page
To Next Page IconTo Next Page
To Previous Page IconTo Previous Page
To Previous Page IconTo Previous Page
Loading...
28
Connecting Your Components
—Continued
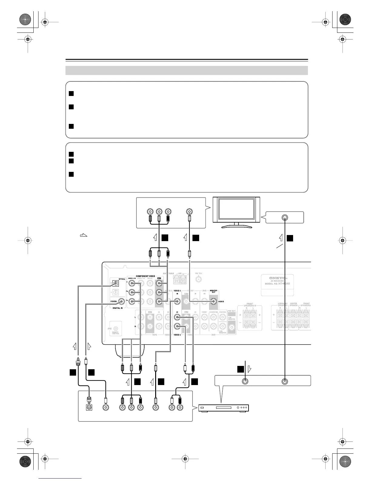
Connecting a Satellite, Cable, Set-top Box, or Other Video Source
YPB
COMPONENT VIDEO OUT
P
R VIDEO
OUT
YPB
COMPONENT VIDEO IN
VIDEO IN
P
R
AUDIO
OUT
LR
COAXIAL
OUT
OPTICAL
OUT
B
B
A
A
a
c
b
C
C
Satellite, cable, set-top
box, etc.
Step 1: Video Connection
Connect your set-top box’s video output jack to the AV receiver’s VIDEO 2 IN jack and connect the AV receiver’s
MONITOR OUT jack to your TV’s video input jack.
If your VCR and TV have component video jacks, connect your set-top box’s component video output to the AV
receiver’s COMPONENT VIDEO VIDEO 2 IN jacks, and connect the AV receiver’s COMPONENT VIDEO
OUT jacks to your TV’s component video in jacks. This offers better picture quality than composite video.
Connect a coaxial feed from a TV antenna to your set-top box’s antenna input jack (e.g., RF IN), and connect
your set-top box’s antenna output jack (e.g., RF OUT) to your TV’s antenna input jack.
Step 2: Audio Connection
Connect your set-top box’s audio output jack to the AV receiver’s VIDEO 2 IN L/R jacks.
If your set-top box has an optical digital audio output jack, connect it to the AV receiver’s DIGITAL IN OPTI-
CAL 1 jack. You can enjoy Dolby and DTS listening modes with this connection.
If your set-top box has a coaxial digital audio output jack instead of an optical one, connect it to the AV receiver’s
DIGITAL IN COAXIAL jack, and set the DIGITAL INPUT assignment to COAX (see page 33). Coaxial con-
nections perform the same as optical ones.
A
B
C
a
b
c
TV, projector,
etc.
Coaxial feed from TV antenna
AV receiver
Coaxial feed
: Signal Flow
Antenna input
(e.g., RF IN)
Antenna input
(e.g., RF IN)
Antenna output
(e.g., RF OUT)
TX-SR304En.book Page 28 Tuesday, January 24, 2006 10:01 AM

Related product manuals