EasyManua.ls Logo

Onkyo TX-SR444

Onkyo TX-SR444
108 pages
To Next Page IconTo Next Page
To Next Page IconTo Next Page
To Previous Page IconTo Previous Page
To Previous Page IconTo Previous Page
Loading...
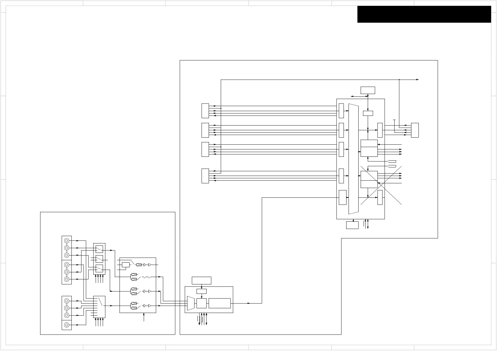
Schematic Diagram
5 4 3
2
1
6
D
C
A
B
D
C
A
B
5 4 3
2
1
6
Block Diagrams (Video section)
PR1
PR2
CY1
CY2
PB2
PB1
CEC
CEC
CEC
CEC
RPWR
8bit ITU-R BT.656 YCrCb 4:2:2
ADINPB
ADINPR
ADINCV/CY
HPD
TMDS
TMDS
RPWR
HPD
TMDS
RPWR
HPD
TMDS
RPWR
HPD
CEC
TMDS
RPWR
HPD
DDC
DDC
DDC
DDC
DDC
PS1/2
CON_A
CON_B
CON_C
CON_A
CON_B
CON_C
INH
INH
CEC
(Front)
AUX
HDMI IN2HDMI IN3 HDMI IN1
HDMI OUT
MAIN
SCHEMATIC DIAGRAM (PART-2) BLOCK DIAGRAM(VIDEO)
HDMI IN4
BAPRC1758
BAVD1735
ANALOG VIDEO
HDMI
Q8000
Q2001
Q8202
Q2002
Q2003
Model No.TX-SR343/444,HT-R494
NJM41041VC3-TE1
37MHz
13.5MHz
37MHz
13.5MHz
37MHz
13.5MHz
6.75MHz 75 ohms
75 ohms
75 ohms
75 ohms
6dB+DRV
6dB+DRV
6dB+DRV
6dB+DRV
Y/C
MIX
COMPONENT
CY
PB
PR
COMPONENT
CY
PB
PR
COMPOSITE_1P
CV
COMPOSITE_3P
CV1
CV3
CV2
TC74HC4051AFT
TC74HC4053AFT
HP DET
+5V
DDC
CEC
TMDS
HP DET
+5V
DDC
CEC
TMDS
HP DET
+5V
DDC
CEC
TMDS
+5V
HP DET
+5V
DDC
CEC
TMDS
ADV7180
PWRDWN
INTRQ
I2C
RESET
10bit
A/D
86MHz
2D Comb
COLOR DEMOD
VBI SLICER
PLL
XTAL
28.6363MHz
SD VIDEOUP to
480i
MUX
DECODER
HP DET
+5V
DDC
CEC
TMDS
MN864788A
RESET
I2C
I2S from DSP
SPDIF
I2S
DSD
I2S from DSP
SPDIF
I2S
DSD
SPI for UPDATE
27MHz
XTAL
REPEATER
HDMI
2CH
ARC1
AUDIO OUT
2CH
AUDIO IN
ARC0
MULTI CH
AUDIO OUT
2CH
AUDIO IN
OSD
MEMORY
SPI
TX0
RX2
MUX & PROCESSING
RX1 RX3RX0
VIDEO
Parallel
TX1

Other manuals for Onkyo TX-SR444

Related product manuals