EasyManua.ls Logo

Onkyo TX-SR444

Onkyo TX-SR444
108 pages
To Next Page IconTo Next Page
To Next Page IconTo Next Page
To Previous Page IconTo Previous Page
To Previous Page IconTo Previous Page
Loading...
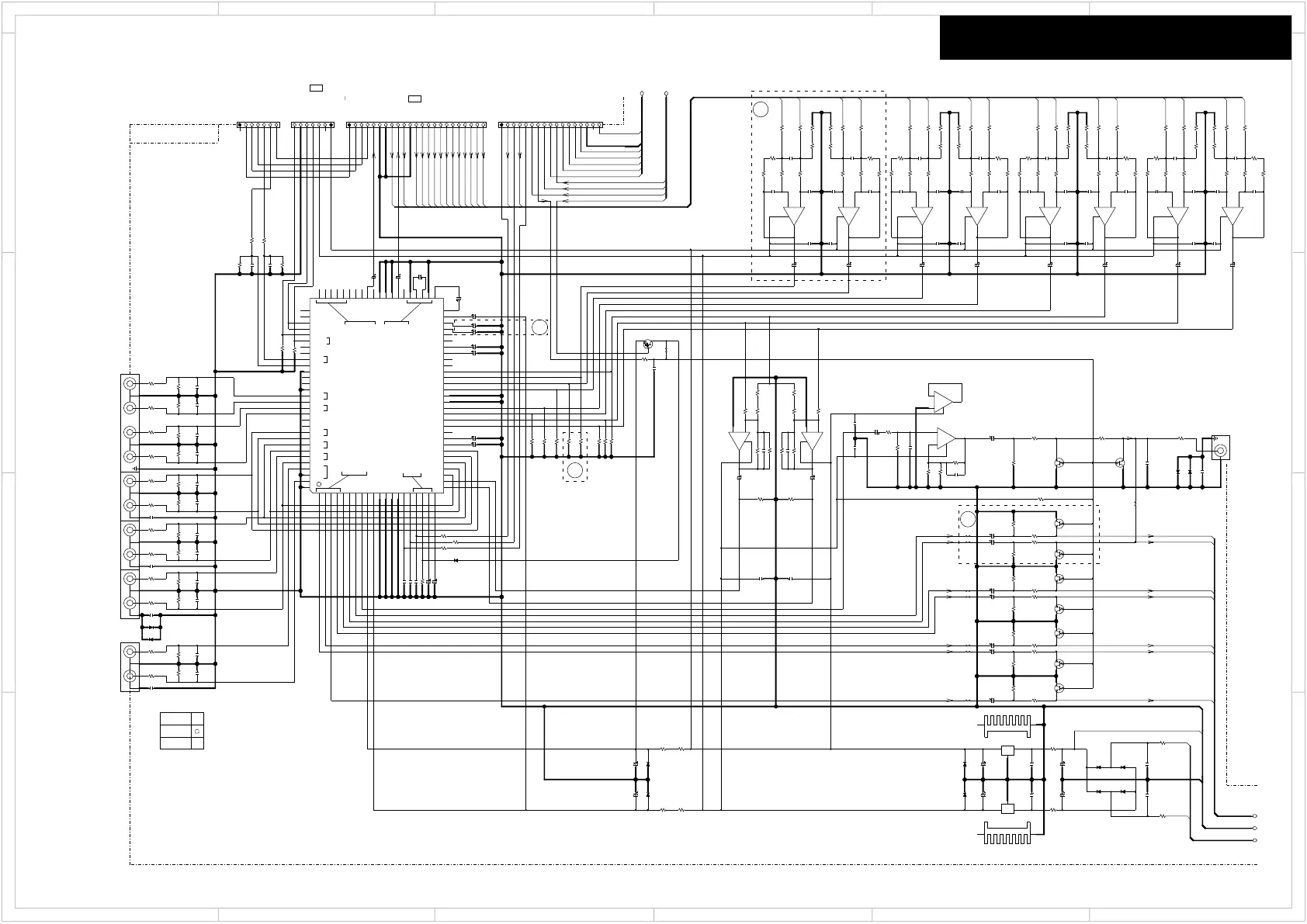
Schematic Diagram
5 4 3
2
1
6
D
C
A
B
D
C
A
B
5 4 3
2
1
6
ASP section
+26V
-26V
TU_R
VOLCLK
VOLCLK
LTAD
RTAD
DAC_FL+
DAC_FR+
DAC_FR-
DAC_SW+
DAC_SW-
DAC_CT+
DAC_CT-
DAC_SR+
DAC_SR-
DAC_SBL+
DAC_SBL-
DAC_SBR+
DAC_SBR-
TU_L
GND_RIP
-26.8V
+26.8V
CT_OUT
CT_OUT
FL_OUT
FL_OUT
SL_OUT
SL_OUT
SR_OUT
SR_OUT
SBL_OUT
SBL_OUT
SBR_OUT
SBR_OUT
SW_OUT
SW_OUT
VOLLAT
VOLLAT
MIX_L
IN_SBR
IN_SBL
IN_SR
IN_SL
IN_FR
IN_FL
IN_C
SPRLCS
SPRLCS
SPRLF
SPRLF
SEC1H
SEC1H
SPRLSB
SPRLSB
HPDET
HPDET
GNDDG
GNDDG
MIX_R
IPROTECT
IPROTECT
VPROTECT
VPROTECT
VOLH
VOLH
DAC_SL
DAC_SR
DAC_SBL
S1L-
S1L+
DAC_SL+
DAC_FL-
DAC_SL-
AUX_R
AUX_L
TUNER_VCC
TUNER_VCC
GND_TU
GND_TU
TU_SCK
TU_SCK
TU_SDA
TU_SDA
DAC_FR+
DAC_FR-
DAC_SW+
DAC_SBR+
DAC_SW-
DAC_SBR-
DAC_CT+
DAC_SBL+
DAC_CT-
DAC_SBL-
DAC_SL+
DAC_SR+
DAC_SL-
DAC_SR-
DAC_FL+
DAC_FL-
VOLDATA
VOLDATA
DAC_C
MICOUT
-6.8V
-6.8V
DAC_L
DAC_R
+6.8V
AMUT
IPRO_MUT
-15V
-15V
-15V
+15V
+15V
+15V
DAC_SW
FR_OUT
FR_OUT
SPRLZB
DAC_SBR
GND_A
*Q4105
RTAN430C
*Q4106
RTAN430C
Q4117
RTAN430C
Q4104
RTAN430C
Q4101
RTAN430C
Q4100
RTAN430C
Q4107
RTAN430C
Q4103
RTAN430C
Q4102
RTAN430C
Q6456
KRA102S
D4301
RL1N4003
D4302
RL1N4003
D4303
RL1N4003
D4300
RL1N4003
*D4219
DA2J10100
D4305
DA2J10100
D6459
DA2J10100
D4304
DA2J10100
*D4209
DA2J10100
D4173
DZ2J068M0L
D4174
DZ2J068M0L
*Q1705
NJM4580CG
OUT
7
-
6
+
5
+V
8
Q1700
NJM4580CG
OUT
7
-
6
+
5
+V
8
Q1702
NJM4580CG
OUT
7
-
6
+
5
+V
8
Q1703
NJM4580CG
OUT
7
-
6
+
5
+V
8
P8002B
NSCT-17P2408
1 2 3 4 5 6 7 8 9 10 111213 1415 1617
P8001B NSCT-23P2414
1 2 3 4 5 6 7 8 9 10 111213 1415 1617 1819 2021 2223
P7003B
1234567
P101B
NSCT-7P2100
1 2 3 4 5 6 7
221J
C4003
221J
C4013
101JC4091
221J
C4014
221J
*C1706
221J
*C1716
221J
*C1715
221J
*C1705
221J
C1704
221J
C1714
221J
C1713
221J
C4020
221J
C1703
221J
C4019
221J
C1702
103K
C4132
221J
C1712
102J
C4005
221J
C1717
102J
C4006
221J
C1707
102J
C4007
221J
C1701
102J
C4008
221J
C1711
221J
C1710
221J
C1700
C4095
NM
102J
C1720
102J
C1721
102J
C1727
102J
C1722
102J
C1723
104K
C4150
50V
102J
C1724
104K
C4151
50V
102J
*C1725
104K
C4157
50V
102J
*C1726
101JC4090
104K
C4152
50V
104K
C4153
50V
104K
C4154
50V
104K
*C4155
50V
104K
*C4156
50V
104K
C4166
50V
221J
C4131
102K
C4401
102K
C4400
221J
C4010
221J
C4009
221J
C4015
102J
*C4219
221J
*C4027
221J
C4016
C4093 NM
C4094 NM
221J
C4017
221J
C4018
104K
C4167
50V
104K
C4169
50V
104K
C4168
50V
221J
C4004
C4212
104J
50V
C4170
104J
50V
C4171
104J
50V
C4303
334J
50V
C4300
334J
50V
*C4075
47u
50V
*C4076
47u
50V
C4063
47u
25V
C4062
47u
25V
C4064
10u 50V
*C4105
47u
50V
*C4106
47u
50V
C4073
47u
50V
C4074
47u
50V
C4172
10u
50V
C4060
47u 25V
C4061
47u 25V
C4102
47u
50V
C4173
10u
50V
C4107
10u 50V
C4051 100u 10V
C4052 100u 10V
C4053 100u 10V
C4174
220u
10V
C4130
47u
50V
C4054 100u 10V
C4070
47u
50V
*C4055 100u 10V
C4057 100u 10V
*C4056 100u 10V
C4103
47u
50V
C4101
47u
50V
C4104
47u
50V
C4209
47u 25V
C4301
470u
35V
C4302
470u
35V
C4050 100u 10V
C4210
47u 25V
C4077
47u
50V
C4100
47u
50V
C4072
47u
50V
C4071
47u
50V
C4175
220u
10V
R4150
R4151
R4152
R4153
R4154
*R4155
*R4156
R6466
NM
R4093
3.3k
R1714
15k
R4094 10k
R1734
470
R4187
0.22
1W
*R4295
220k
R4211
1k
*R4296
220k
*R1756
10k
*R1726
470
*R1725
470
*R1715
15k
*R1745
10k
*R1775
680
*R1746
10k
*R1735
470
*R1776
680
*R1765
680
*R1766
680
*R1705
15k
*R1706
15k
*R1755
10k
*R1716
15k
*R1736
470
R4291
NM
R4290
NM
R4107
22k
R4089
2.2k
R4098 12k
R4099
22k
R4097
3.3k
R4013
330
R4161
0.1
1/2W
R4402
220k
R4088
2.2k
R4112 2.2k
*R4115 2.2k
R4054
100k
*R4105
220k
R4055
100k
R4133
1.2k
R4294
220k
R4087
2.2k
R4053
100k
R4185
0.22
1W
*R4116 2.2k
R4100
220k
R4127
100
*R4106
220k
R4014
330
R4400
1k
R1751
10k
R4101
220k
R4401
1k
R1721
470
R4015
330
R4082
100k
R1720
470
R4059
100k
R4057
100k
R1710
15k
R4060
100k
R4049
100k
R1740
10k
R4079
47k
R4056
100k
R1770
680
R4131
47k
R4130
220
R1741
10k
R4019
330
R4043
100k
R1730
470
R4020
330
R4044
100k
R1771
680
R4078
47k
R4016
330
R1760
680
R4003
330
R4160
0.1
1/2W
R1761
680
R4058
100k
R4134
10k
R1700
15k
R4117
270
R4018
330
R1701
15k
R4403
220k
R1750
10k
*R4027
100
R1711
15k
R4113 2.2k
R1731
470
R4111 2.2k
R4110 2.2k
R4017
330
R1752
10k
R4132
15k
R1722
470
R4010
330
R1727
470
R4009
330
R1717
15k
R4114 2.2k
R1747
10k
R4292
220k
R1777
680
R4004
330
R1742
10k
R4050
100k
R1737
470
R4104
220k
R1772
680
R4102
220k
R1767
680
R4103
220k
R1762
680
R4293
220k
R1707
15k
R4181
220k
R1702
15k
R1757
10k
R1712
15k
R1732
470
R1754
10k
R1724
470
R1723
470
R1713
15k
R1743
10k
R4189
220k
R1773
680
R1744
10k
R4091
22k
R1733
470
R4096
330
R1774
680
R1763
680
R4095 10k
R1764
680
R4190
220k
R1703
15k
R4092
330
R4297
NM
R1704
15k
R4090
12k
R1753
10k
R4176
1W
68
R4177
1W
68
R4174
1W
68
R4175
1W
68
Q4170A
ME151025402170
12
Q4171A
ME151025402170
1 2
*J4100
NM
+24V,GND_A,GND_RIP
AMPSIG_IN
PROTECT,VOLH
S1L+,S1L-
Q4001
NJW1298FU1
GND11
L4IN9
R3IN8
R6IN14
L6IN13
R5IN12
R4IN10
R1IN4
GND33
L3IN7
R2IN6
L1IN2
L2IN5
L5IN11
L7IN15
R7IN16
GND1717
L8IN18
R8IN19
GND2020
L9IN21
R9IN22
L10IN23
R10IN24
L11IN25
R11IN26
L12IN27
R12IN28
L13IN29
R13IN30
REC_A1L
31
REC_A1R
32
REC_A2L
33
REC_A2R
34
REC_B1L
35
REC_B1R
36
REC_C1L37
REC_C1R38
FL+ 39
FL- 40
GND4141
GND4242
GND4343
FR+ 44
FR-
45
GND46
46
DCL_IN
47
DCL_OUT
48
GND49
49
DCR_IN
50
DCR_OUT51
VDDOUT52
DCCAP_LB53
DCCAP_RB54
RBC_IN 55
LBC_IN 56
DCCAP_LS57
DCCAP_RS58
RSCIN 59
LSCIN 60
SWBIN 61
RBBIN 62
63LBBIN
RSBIN 64
GND6565
GND6666
LSBIN 67
CBIN 68
RBIN 69
LBIN 70
SWAIN 71
DCCAP_SW72
DCCAP_C73
RBAIN 74
LBAIN 75
76RSAIN
LSAIN 77
CAIN 78
RAIN 79
LAIN 80
DCCAP_R
81
DCCAP_L
82
MUTE
83
DATA
84
CLOCK85
LATCH
86
ADR87
GND8888
GND8989
GND90
90
V-91
V+92
SWOUT93
RBOUT94
LBOUT95
RSOUT
96
LSOUT
97
COUT
98
ROUT
99
LOUT
100
P4003
NPJ-2PDWR558
1
2
3
7
P4004
NPJ-2PDWR558
1
2
3
7
P4005
NPJ-2PDWR558
1
2
3
7
P4002
NPJ-2PDWR558
1
2
3
7
*P4011
NPJ-1PDP555
1
2
3
P4001
NPJ-4PDWR690
1
2
3
4
5
6
7
Q4171
79M15HF(NJM79M15FA)
G
IO
Q4170
78M15HF(NJM78M15FA)
I
G
O
Q1700
NJM4580CG
OUT
1
-
2
+
3
-V
4
Q1702
NJM4580CG
OUT
1
-
2
+
3
-V
4
Q1703
NJM4580CG
OUT
1
-
2
+
3
-V
4
*Q1705
NJM4580CG
OUT
1
-
2
+
3
-V
4
D4214
NM
D4204
NM
Q4003 NJM4580CG
OUT
1
OUT
-
2
-
+
3
+
-V
4
-V
Q4003
NJM4580CG
OUT
7
OUT
-
6
-
+
5
+
+V
8
+V
Q4130
NJM4580CG
OUT
7
OUT
-
6
-
+
5
+
+V
8
+V
Q4130
NJM4580CG
OUT
1
OUT
-
2
-
+
3
+
-V
4
-V
(SR DIRECT IN)
(SL DIRECT IN)
(C DIRECT IN)
1.0mm Pitch FFC
Subwoofer
+20dB
R
L
R
L
R
L
R
L
-60mA max
-45mA typ
+60mA max
+45mA typ
L
BAAF-1712(1/2)
R
ASP
(PART5)
TO MAIN AMP
SCHEMATIC DIAGRAM(PART-4)
ASP
(PART5)
TO MAIN AMP
(ASPGND)
MODEL NO. TX-SR343/444/HT-R494
FROM BAPRC-1758(PART-9)
HDMI
(CBL/SAT)
(VCR)
(TV)
(CD)
(TUNER)
(BOTTOM VIEW)
(FR DIRECT IN)
(SBL DIRECT IN)
(SBR DIRECT IN)
SW1
CD
TV
BD/DVD
GAME2
CBL/SAT
1.0mm Pitch JamperLead
FROM BADIS-1658(PART-8)
DIS
VCR
R
L
(BD/DVD)
(GAME)
(AUX)
GNDAD
(FL DIRECT IN)
FL
FRC SW
SL
SR
SBL
SBR
FL/FR:-12dB
Downmix
SW:+3.5dB
GNDA_AUX
A
A
A
A
T4/H4
T3
A
NM
NC
NC
NC

Other manuals for Onkyo TX-SR444

Related product manuals