EasyManua.ls Logo

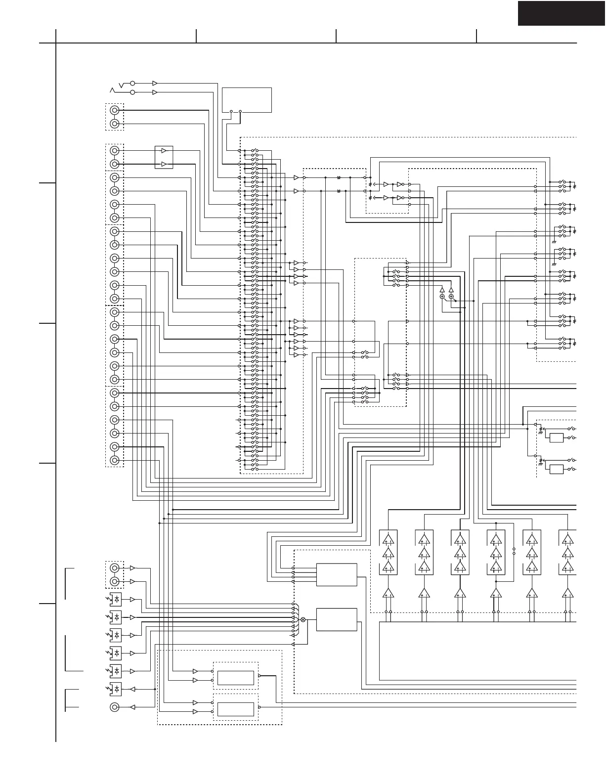
Onkyo TX-SR702 - Block Diagrams; Amplifier Section

Onkyo TX-SR702
131 pages
Print Icon
To Next Page IconTo Next Page
To Next Page IconTo Next Page
To Previous Page IconTo Previous Page
To Previous Page IconTo Previous Page
Loading...
TX-SR702/E
BLOCK DIAGRAM Amplifier section
TAPE_OUT_R
TAPE_OUT_L
V2_OUT_L
V2_OUT_R
V1_OUT_L
V1_OUT_R
Z2_R
Z2_L
MIX_R
MIX_L
SOURCE_L
SOURCE_R
RECOUT_L
RECOUT_R
MCH_SR
MCH_SL
MCH_SW
MCH_CT
ADLT+
ADRT+
ADLT-
ADRT-
ADRT-
ADRT+
ADLT+
ADLT-
RX0
RX1
RX2
RX3
RX4
RX5
TX
RX6
MSL
MSR
MCT
MSW
DAC_FL
DAC_CT
DAC_SW
DAC_FR
DAC_SR
DAC_SBR
DAC_SBL
DAC_SL
VOLIN_SBR
VOLIN_SBL
MIC
TUNER PACK
VIDEO4
NJW1157
PHONO
RIAA
CD
TAPE OUT
TAPE IN
VIDEO3 IN
VIDEO2 OUT
VIDEO2 IN
VIDEO1 OUT
VIDEO1 IN
DVD
MSL/MSR
MC/MSW
COAX 1
COAX 2
Digital Input
OPT FRNT
OPT1
OPT2
OPT3
OPT4
OPT
COAX
Digital Output
-6dB
-6dB
+9.7dB
TC9162
DIR
2ch ADC
2ch ADC
2ch ADC
CS5333
CS5333
CS42518
8ch DAC
+6dB
VLSCLPF
TONE
TONE
MIC AMP
+6dB
+6dB
VLSCLPF
+6dB
VLSCLPF
+6dB
VLSCLPF
LPF VLSC
+6dB
VLSCLPF
non VLSC
52
53
54
55
56
57
58
59
60
61
62
63
64
65
66
67
68
69
70
71
73
73
51
74
41
43
23
25
22
24
26
21
27
29
28
30
44
42
46
45
48
47
93
92
91
95
90
89
88
86
85
84
83
87
82
81
80
94
9
8
12
17
10
19
20
21
11
18
4
25
3
26
2
27
22
7
23
6
5
24
16
15
14
13
49
48
43
42
47
46
45
44
50
14
13
14
13
4
4
37
36
17
19
35
34
32
33
31
30
28
29
26
27
+
+
A
A
A
A
European model only
A
1
2
3
4
5
BCD

Other manuals for Onkyo TX-SR702

Related product manuals