EasyManua.ls Logo

Onkyo TX-SR702 - Page 8

Onkyo TX-SR702
131 pages
Print Icon
To Next Page IconTo Next Page
To Next Page IconTo Next Page
To Previous Page IconTo Previous Page
To Previous Page IconTo Previous Page
Loading...
TX-SR702/E
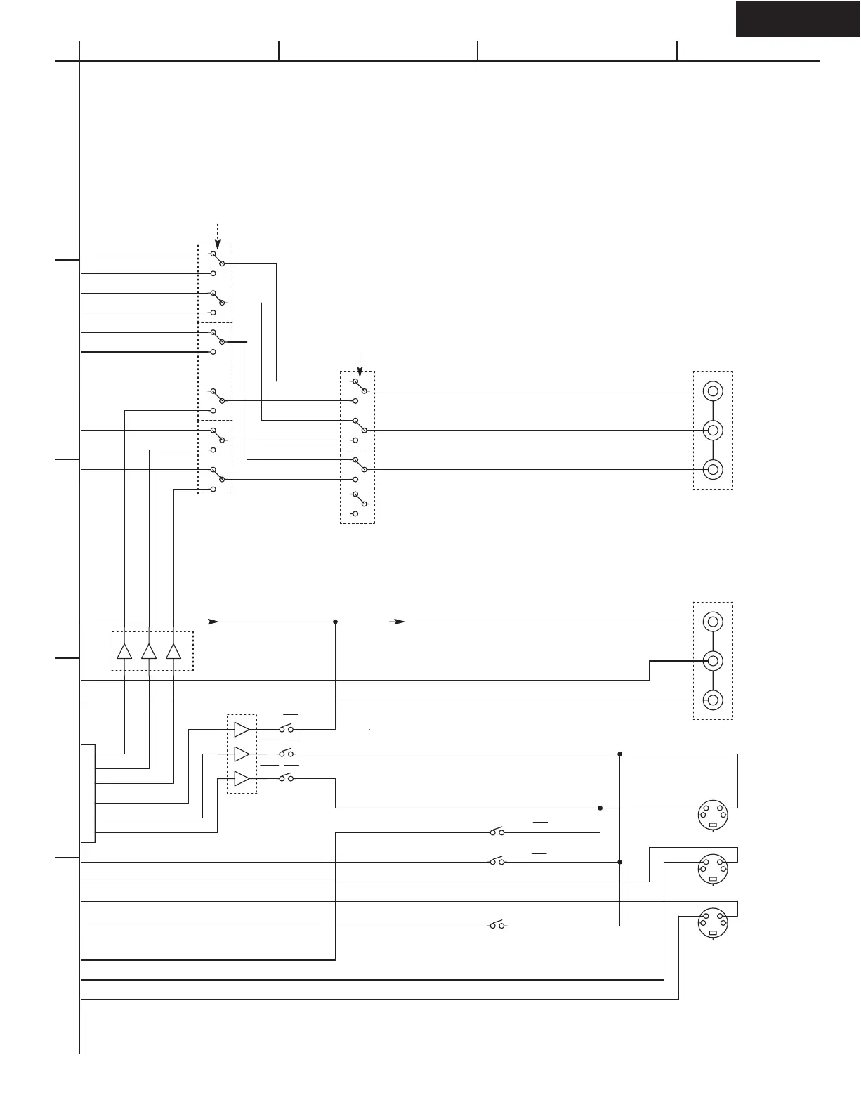
BLOCK DIAGRAM Video section
COMPONENT VIDEO OUTPUT
Y
CB
CR
A
B
COMPOSITE VIDEO OUTPUT
MONITOR
VIDEO1
VIDEO2
VIDEO2
C
Y
CY
VIDEO1
C
Y
MONITOR
V
Y
C
CB
CR
Y
A
CA
A
CB
A
CC
A
CD
A
CE
A
CF
LA7106M
S VIDEO OUTPUT
SDET*OSD
SDET*OSD
SDET*{OSD+(OSD*SI)}
LA7106M
SDET*{OSD+(OSD*SI)}
SDET*{OSD+(OSD*SI)}
SDET*{OSD+(OSD*SI)}
O
DER
6dB
6dB
6dB
6dB
6dB
6dB
A
1
2
3
4
5
BCD

Other manuals for Onkyo TX-SR702

Related product manuals