EasyManua.ls Logo

Onkyo TX-SR702 - Video Section

Onkyo TX-SR702
131 pages
Print Icon
To Next Page IconTo Next Page
To Next Page IconTo Next Page
To Previous Page IconTo Previous Page
To Previous Page IconTo Previous Page
Loading...
TX-SR702/E
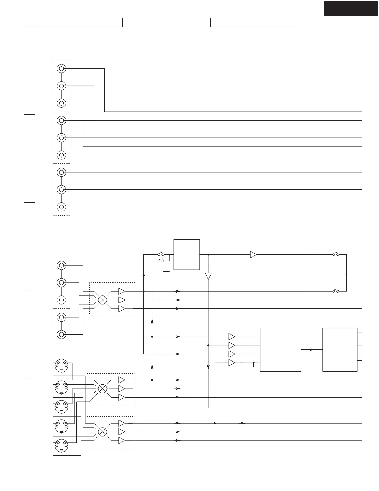
BLOCK DIAGRAM Video section
VIDEO1
DVD
VIDEO2
VIDEO3
VIDEO4
S VIDEO INPUT
DVD
VIDEO1
VIDEO2
VIDEO3
VIDEO4
Y
C
YC
YC
Y
C
YC
COMPOSITE VIDEO INPUT
COMPONENT VIDEO INPUT
Y1
CB1
CR1
Y2
CB2
CR2
Y3
CB3
CR3
NJM2595
Y
NJM2595
NJM2595
C
OSD
LC74763-9836
V
Y
C
C
B
C
R
Y
DACA
DACB
DACC
DACD
DACE
DACF
AIN2
AIN1
AIN3
AIN4
AIN5
OSD*(SDET+SI)
SDET*{OSD+(OSD*SI)}
SDET*{OSD+(OSD*SI)}
SDET*OSD
C2
DIGITAL VIDEO ENCODER
ADV7172
DIGITAL VIDEO DECODER
ADV7183A
Y1
COMPOSITE
C1
COMPOSITE / Y2
6dB
6dB
6dB
6dB
6dB
6dB
6dB
6dB
6dB
0dB
0dB
-6dB
-6dB
-6dB
-6dB
A
1
2
3
4
5
BCD

Other manuals for Onkyo TX-SR702

Related product manuals