EasyManua.ls Logo

Onkyo TX SR804 - VCR or DVD Recorder for Playback

Onkyo TX SR804
96 pages
Print Icon
To Next Page IconTo Next Page
To Next Page IconTo Next Page
To Previous Page IconTo Previous Page
To Previous Page IconTo Previous Page
Loading...
29
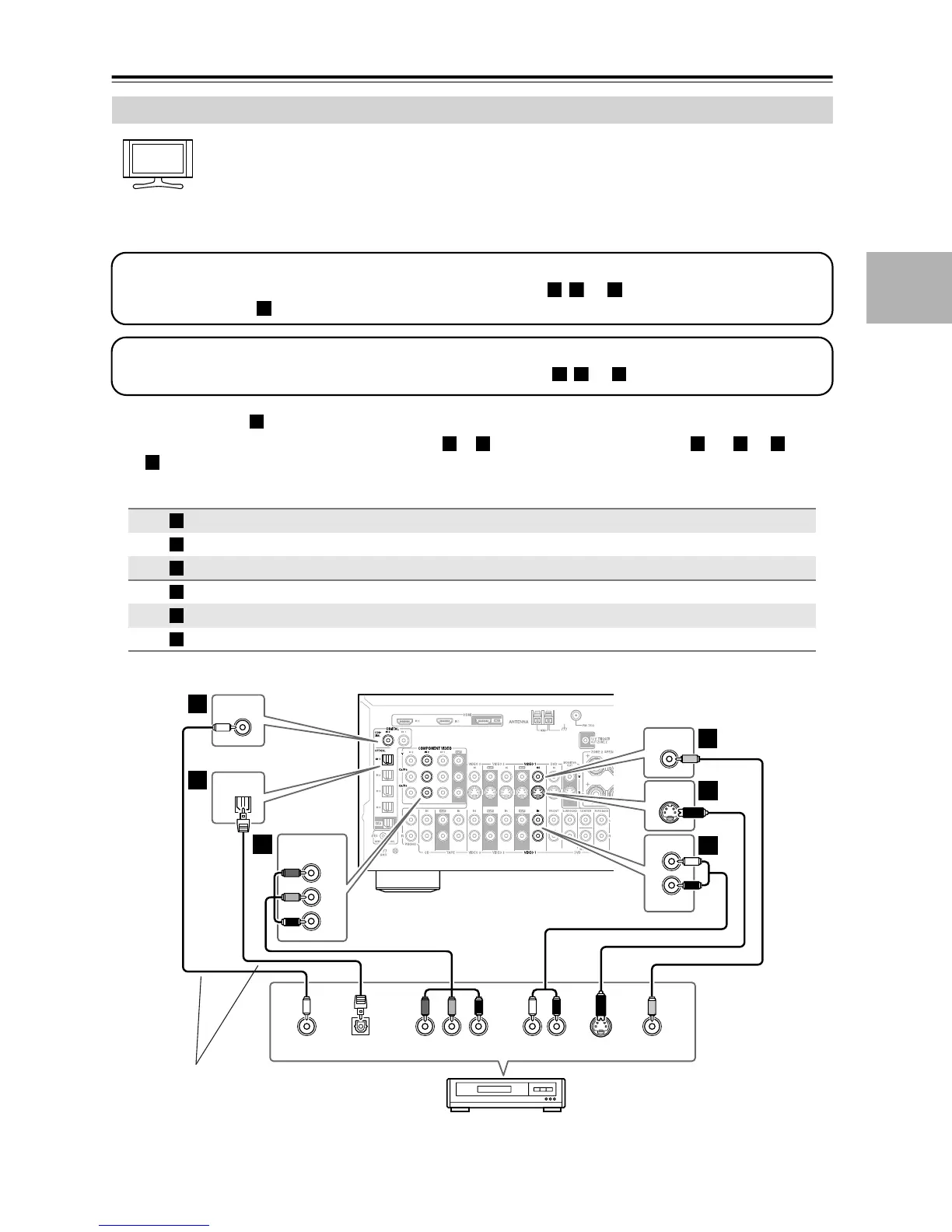
Connecting Your Components—Continued
With this hookup, you can use your VCR’s tuner to listen to your favorite TV programs via the AV
receiver, useful if your TV has no audio outputs.
If you have two video recorders (e.g., a VCR and a DVD recorder), connect one recorder to the VIDEO 1 IN jacks, as
shown here, and connect the other recorder to the VIDEO 2 IN jacks in the same way.
•With connection , you can listen to the VCR or DVD recorder even in Zone 2.
•To enjoy Dolby Digital and DTS, use connection or . (To listen in Zone 2 as well, use and , or and
.)
Connecting a VCR or DVD Recorder for Playback
Connection AV receiver Signal flow VCR or DVD recorder Picture quality
COMPONENT VIDEO IN 2
Component video output Best
VIDEO 1 IN S
S-Video output Better
VIDEO 1 IN V
Composite video output Standard
VIDEO 1 IN L/R
Analog audio L/R output
DIGITAL COAXIAL IN 2
Digital coaxial output
DIGITAL OPTICAL IN 1
Digital optical output
Hint!
Step 1: Video Connection
Choose a video connection that matches your VCR or DVD recorder ( , , or
), and then make the connection.
If you use connection , you must connect the AV receiver to your TV with the same type of connection.
A
B
C
A
Step 2: Audio Connection
Choose an audio connection that matches your VCR or DVD recorder ( , , or ), and then make the connection.
a
b
c
a
b c a b a
c
A
B
C
a
b
c
COAXIAL
IN 2
YCOAXIAL
OUT
PB
COMPONENT VIDEO OUT
P
R S VIDEO
OUT
AUDIO
OUT
VIDEO
OUT
VIDEO 1
IN
V
S
VIDEO 1
IN
LR
OPTICAL
OUT
OPTICAL
IN 1
Y
C
B/PB
CR/PR
COMPONENT VIDEO
IN 2
L
R
IN
VIDEO 1
b
c
A
B
C
B
a
C
VCR,
DVD recorder
Connect one
or the other

Table of Contents

Related product manuals