EasyManua.ls Logo

Openpath ACCESS CONTROL SYSTEM - WIRING WITH THE 12 V POWER SUPPLY

Default Icon
44 pages
Print Icon
To Next Page IconTo Next Page
To Next Page IconTo Next Page
To Previous Page IconTo Previous Page
To Previous Page IconTo Previous Page
Loading...
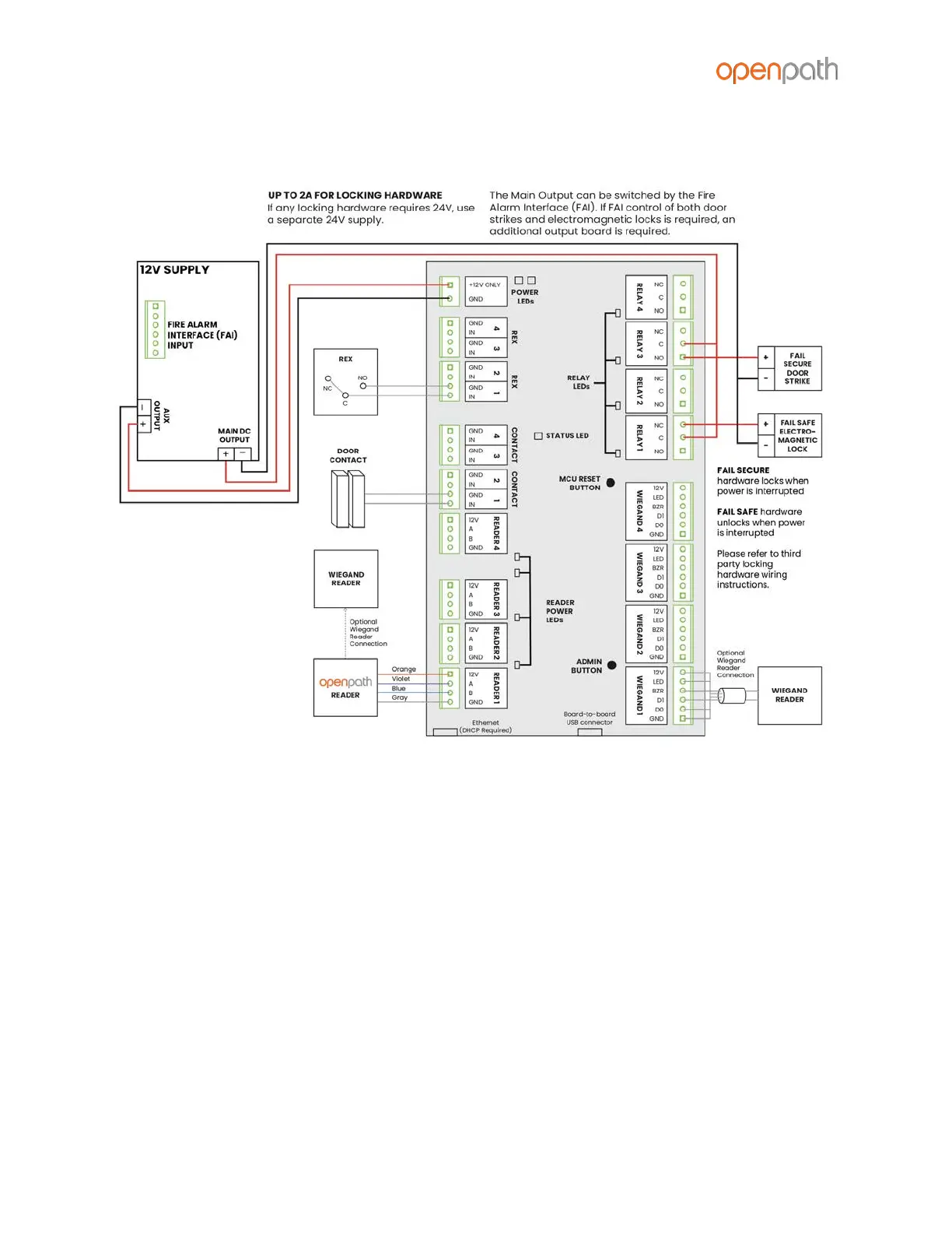
WIRING WITH THE 12V POWER SUPPLY
Figure 26: OP-4ESH-12V Wiring Diagram
Version 1.9
© Openpath 2021
Page 36

Related product manuals