EasyManua.ls Logo

Orion COMBI 3601VT - Tv Block Diagram

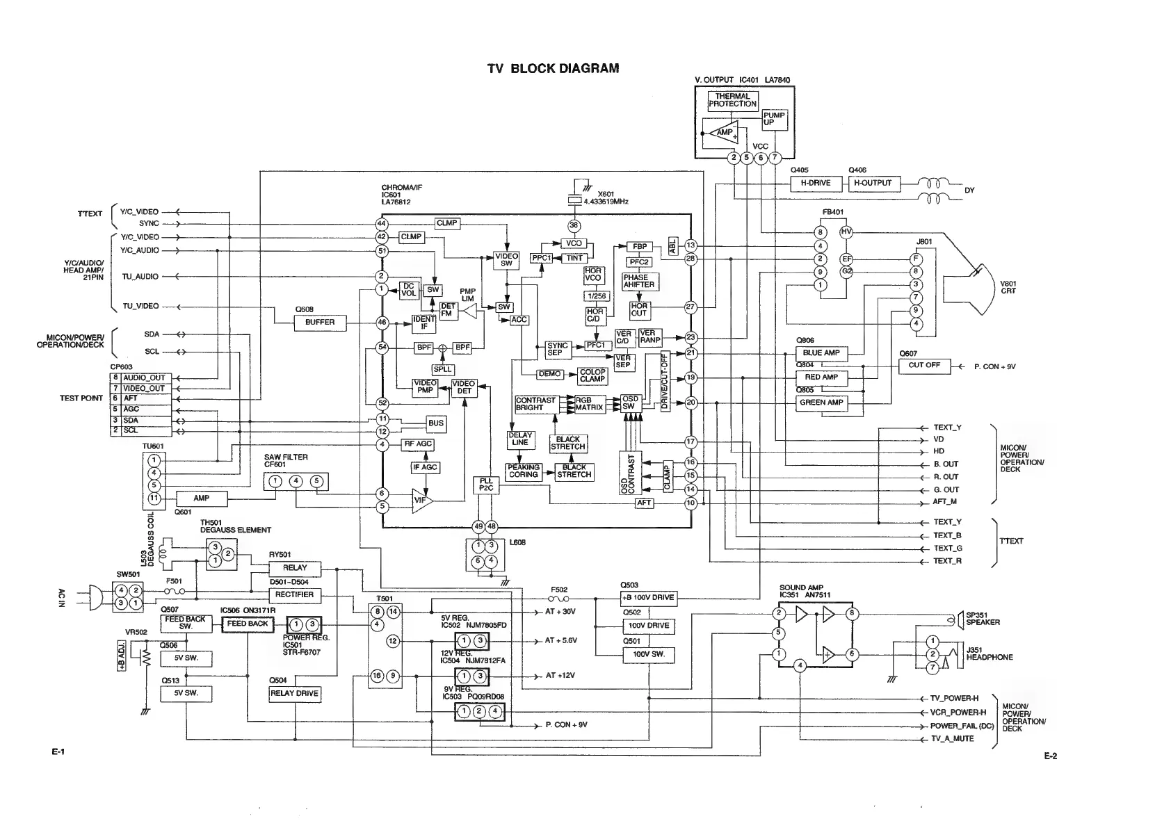
Orion COMBI 3601VT
69 pages
Print Icon
To Next Page IconTo Next Page
To Next Page IconTo Next Page
To Previous Page IconTo Previous Page
To Previous Page IconTo Previous Page
Loading...
TV
BLOCK
DIAGRAM
V.
OUTPUT
IC401
LA7840
THERMAL
PROTECTION
an
405
a406
CHROMAI
[a
_
H-DRIVE
H-OUTPUT
ee
1
LA76812
4.433619MHz
‘O0*
Trext
{
Y/C_VIDEO
SYNC
YIC_VIDEO
Y/C_AUDIO
YIC/AUDIO/
HEAD
AMP/
21PIN
|
TU_AUDIO
801
cAT
TU_VIDEO
eee
i
MICON/POWER/
[
spe
OPERATIONDECK
|
|
scl
CP603
P.
CON
+
9V
[8
[AUDIO
OUT
]
TEST
PONT,
(6
[AFT
AGC
taal
eer
a
[2S
Tuso1
LU
MICoN/
(1)
OPERATION
a
DECK
ot
a
=
9
THS01
9
DEGAUSS
ELEMENT
g
a
TTEXT
8g
=
lee,
RYSO1
eres
5
RELAY
F501
0507~D504
503
223
ae
ee
earn
2
O10;
a
__
(0506
ONSI7IR
|
Le
Qso2
2)
>-+4>—@)
SP351
tas
OG}
BE
hase
|
a
5
(Fete
dot
=
Se
g
Ore,
is
mance
:
sd
Lt
ane
Oi
De®
2
|
|iBomon
513
asos
(16)
(9)
@y
AT
+12V
(1)
(2)
(4)
ver_PowER-H
|
BOWERY
POWER_FAIL
(Dc)
|
BEE
TION
TV_A_MUTE
E-1
E-2