EasyManua.ls Logo

Orion COMBI 3601VT - Page 47

Orion COMBI 3601VT
69 pages
Print Icon
To Next Page IconTo Next Page
To Next Page IconTo Next Page
To Previous Page IconTo Previous Page
To Previous Page IconTo Previous Page
Loading...
E
:
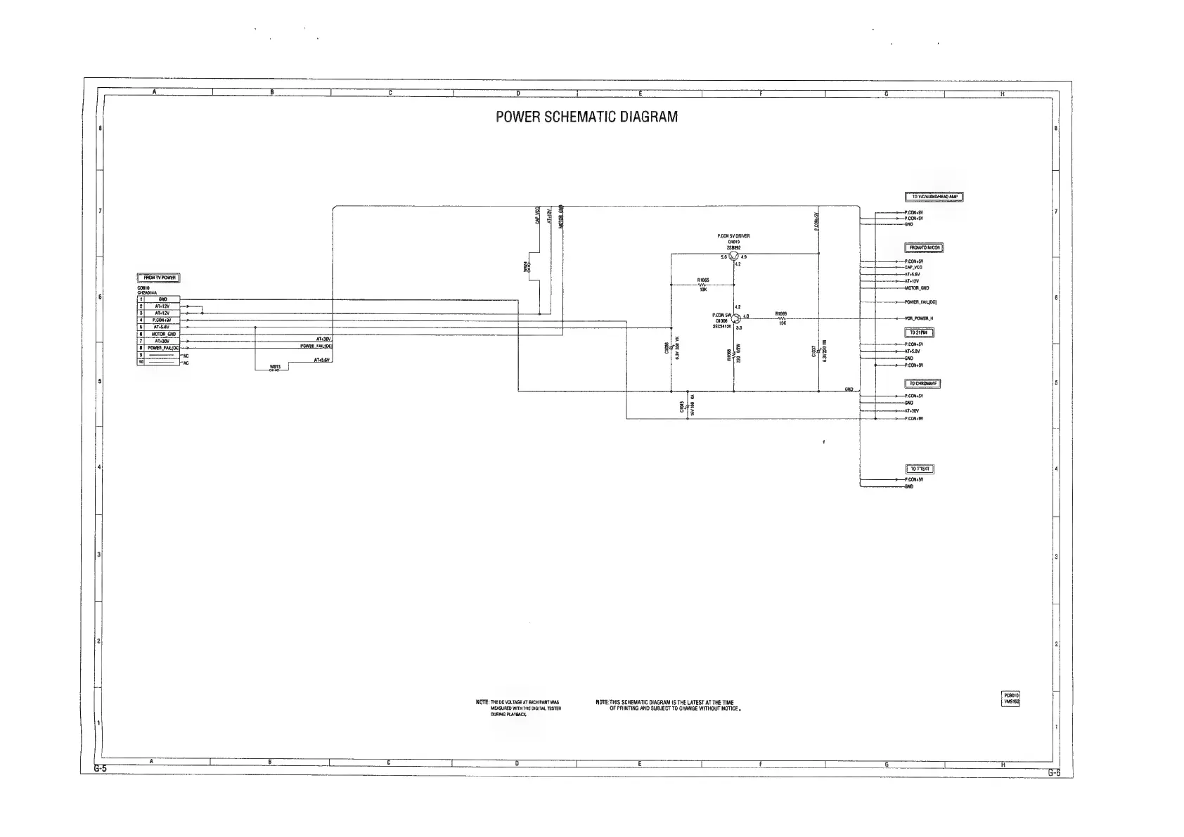
POWER
SCHEMATIC
DIAGRAM
‘TO
VAVAUDIQHEAD
AMP
CAP
VCO}
MOTOR
GNO
woed
P.CON
SV
DRIVER
01019
288892
50
1065
P.CON
SW,
07006
PRICES
CSE
+
28C2412k
C1036
i
6.3V
330
1K
1068
220
V2W
49
42
42
40
1069
—Wv-
oP
conv
-——>—P.CONsSV
FROM/TO
MICON
}——>—P.CON+5V
j}-———~>——CAP_VCO-
}——>—AT#5.6V
}——————>-——-AT#12V.
-MOTOR_GND
POWER.
FAIL|OC}
1097
6.3V
220
YK
—<—VCR_POWER_H
b+}
-—__>—-P.conssv
pan
ATES
BV
epee
P.CONSV
‘TO
CHROMANF
NOTE:
THE
DC
VOLTAGE
AT
EACH
PART
WAS
(MEASURED
WITH
THE
DIGITAL
TESTER
‘DURING
PLAYBACK,
1
c104s
16V
100
KA
|———>—P.CONs5V
a
ae
hep
AT
SOV
NOTE:
THIS
SCHEMATIC
DIAGRAM
IS
THE
LATEST
AT
THE
TIME
OF
PRINTING
AND
SUBJECT
TO
CHANGE
WITHOUT
NOTICE,
+
P.CON+9V
TOTTEXT
CS
PCBO10}
VMS
162)