EasyManua.ls Logo

Palfinger PTV 35 - Electrical Schematic Overview

Palfinger PTV 35
47 pages
Print Icon
To Next Page IconTo Next Page
To Next Page IconTo Next Page
To Previous Page IconTo Previous Page
To Previous Page IconTo Previous Page
Loading...
PTV 33/44/55/66 Owner’s Manual
Rev. 1.0 39
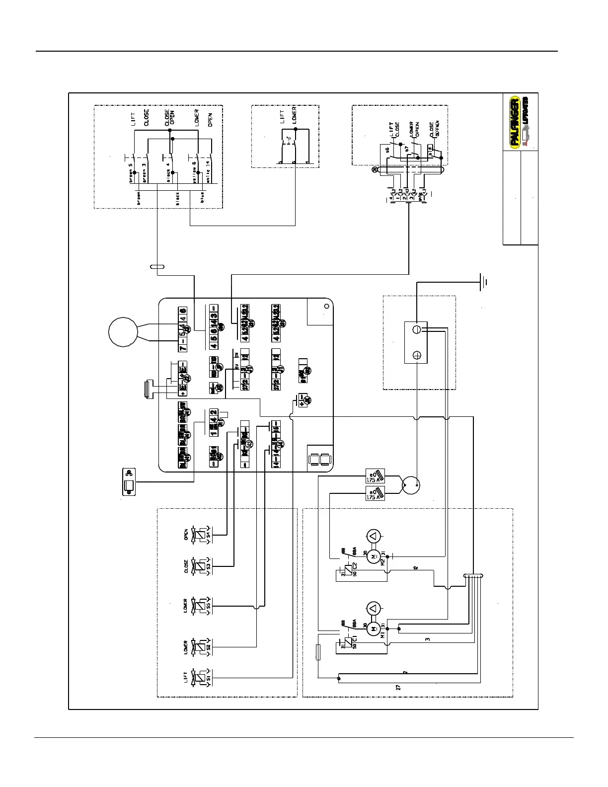
9.5 Electrical Schematic Overview
15939 Piuma Ave. Cerritos, CA 90703
70-1121-001_a
PTV Electrical Schematic
Power LED
Volt
Gauge
Ground
to Chassis
Master Shut
Off Switch
Pump and Electric Motors
15 A
Fuse
15 A
Fuse
Cab Shutoff Switch
(Optional)
Valves
Power Source
Auxiliary
Hand Control
Column
Toggle Switch
External
Control Switch
Yl/gn
-
3
-
1
2
2 1
3
Yl/gn
BU
BN

Related product manuals