EasyManua.ls Logo

Panasonic CS-E15DB4EW - 7 Wiring Diagram

Panasonic CS-E15DB4EW
98 pages
Print Icon
To Next Page IconTo Next Page
To Next Page IconTo Next Page
To Previous Page IconTo Previous Page
To Previous Page IconTo Previous Page
Loading...
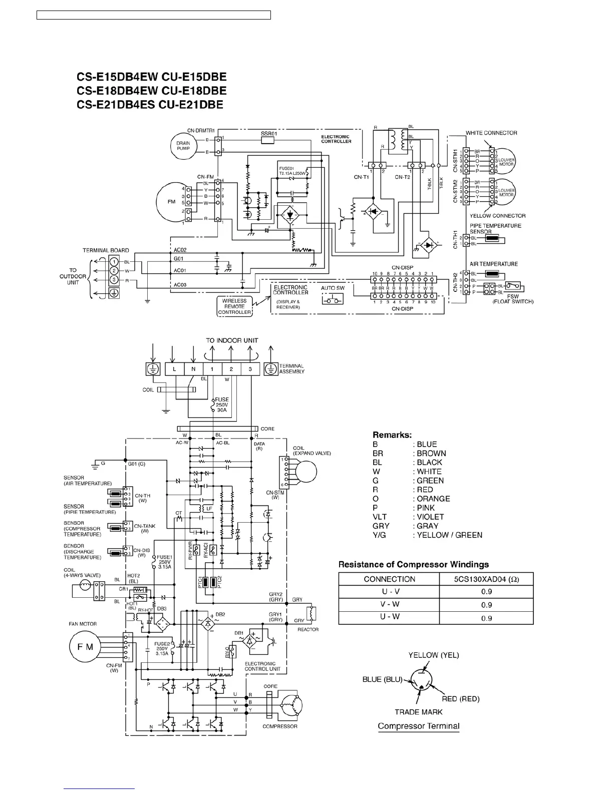
7 Wiring Diagram
16
CS-E15DB4EW CU-E15DBE / CS-E18DB4EW CU-E18DBE / CS-E21DB4ES CU-E21DBE

Table of Contents

Related product manuals