EasyManua.ls Logo

Panasonic CS-E15DKRW - 16.3. Ceiling Floor Type

Panasonic CS-E15DKRW
200 pages
Print Icon
To Next Page IconTo Next Page
To Next Page IconTo Next Page
To Previous Page IconTo Previous Page
To Previous Page IconTo Previous Page
Loading...
16.3. Ceiling Floor Type
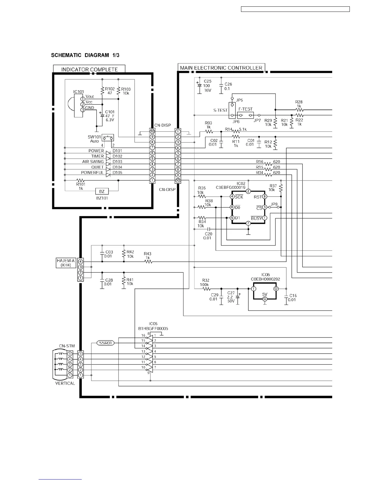
16.3.1. Circuit Diagram (Indoor Units: CS-ME10DTEG / CS-E15DTEW / CS-E18DTEW)
173
CS-ME7DKEG CS-ME10DD3 EG / CS-ME10DTEG CS-E15DB4EW

Table of Contents

Related product manuals