EasyManua.ls Logo

Panasonic CS-E7PKEW - Page 51

Panasonic CS-E7PKEW
208 pages
Print Icon
To Next Page IconTo Next Page
To Next Page IconTo Next Page
To Previous Page IconTo Previous Page
To Previous Page IconTo Previous Page
Loading...
51
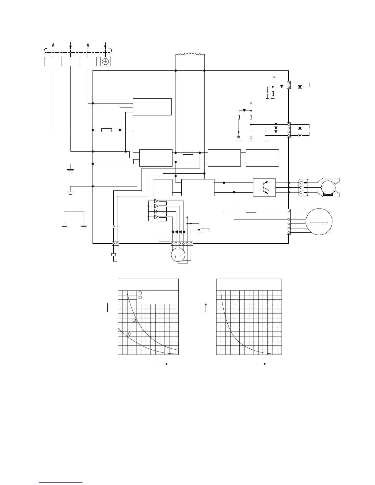
9.2.3 CU-E18PKE CU-E21PKE
TO INDOOR UNIT
AC-WHT
(WHITE)
CN-DCFM
(WHITE)
LJP117
(GREEN)
FG01
(GREEN)
GRN
YLW/GRN
CONTROL
BOARD
CONTROL
BOARD
CONTROL
BOARD
CAB NET
SIDE
PLATE
BLK
WHT
GRN
AC-BLK
(BLACK)
COM3
(RED)
RED
GRY
L2-I
(GRAY)
GRY
L2-O
(GRAY)
REACTOR
BLU
ELECTRO-MAGNETIC COIL
(4-WAYS VALVE)
13
CN-HOT
(BLUE)
FUSE2
(T3.15A L250V)
Q10
FUSE1
(T2.5A L250V)
FUSE3
(20A 250V)
3
(RED)
2
(WHT)
FAN MOTOR
ELECTRONIC CONTROLLER
7
1
M
COMMUNICATION
CIRCUIT
NOISE FILTER
CIRCUIT
TERMINAL
BOARD
RECTIFICATION
CIRCUIT
SWITCHING
POWER SUPPLY
CIRCUIT
RED
BLK
WHT
BLU
YLW
(RED)
(BLU)
(YLW)
U
V
W
P
N
RECT FICATION
CIRCUIT
PFC
CIRCUIT
RY-HOT
S1
(BLK)
COMPRESSO
R
RED
BLU
YLW
RED
BLU
YLW
MS
3 ~
Sensor (Thermistor)
Characteristics
70
60
50
40
30
20
10
0
-10 0 10
Temperature (
o
C)
Resistance (k)
20 30 40 50
1
2
1
2
Outdoor Air Sensor
Outdoor Heat Exchanger
Sensor
Compressor Temp. Sensor
(Thermistor) Characteristics
70
60
50
40
30
20
10
0
20 40 60
Temperature (
o
C)
Resistance (k)
80 100 120 140
COMP. TEMP. SENSOR
(THERMISTOR)
(50k 3950)
1
3
CN-TANK
5V
R410
4.99k
C49
10V
102
ELECTRO-MAGNETIC CO L
(EXPANSION VALVE)
123456
8
7
6
5
*D33
*D34
*D35
*D36
*C84
*CN-EV
13V
M
5V
R100
15.0k
1%
R101
15.8k
1%
C45
6.3V
C46
6.3V
90
98
97
99
CN-TH1
OUTDOOR A R TEMP.
SENSOR
(THERMISTOR)
(15k 3950)
PIPING TEMP. SENSOR
(THERMISTOR)
(4.96k 3800)
1
2
3
4

Table of Contents

Related product manuals