EasyManua.ls Logo

Panasonic CS-RE18QKE

Panasonic CS-RE18QKE
101 pages
To Next Page IconTo Next Page
To Next Page IconTo Next Page
To Previous Page IconTo Previous Page
To Previous Page IconTo Previous Page
Loading...
17
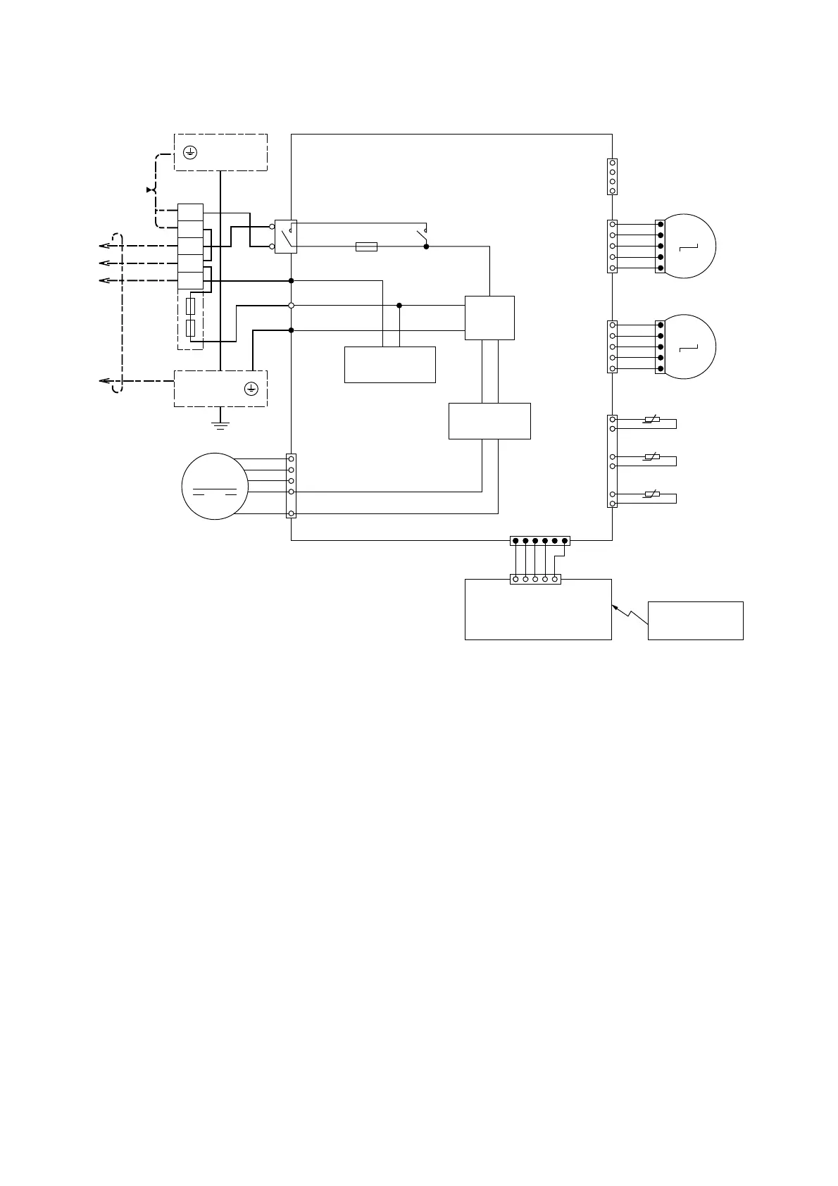
8. Wiring Connection Diagram
8.1 Indoor Unit
FAN MOTOR
CN-FM (WHT)
Y
7
4
1
B
W
BL
R
M
FUSE301
T3.15A L250V
RY-PWR
RY-PWR2
Y/G
Y/G
TEMP.
FUSE
102°C (3A)
TEMP.
FUSE
102°C (3A)
EVAPORATOR
1
2
3
AC304
(RED)
AC303
(WHT)
G301
(GRN)
GROUNDING
TERMINAL
L
W
R
G
P
BL
BR
TERMINAL
BOARD
GROUNDING
TERMINAL
L
N
SINGLE PHASE
POWER SUPPLY
1ø 230V 50Hz
ELECTRONIC CONTROLLER
(MAIN)
UP DOWN
LOUVER MOTO
R
CN-STM1
(WHT)
BR
1
5
1
5
R
O
M
Y
P
LEFT RIGHT
LOUVER MOTO
R
CN-STM2
(YLW)
BR
1
5
1
5
R
O
M
Y
P
REMARKS
B : BLUE P: PINK
BR: BROWN O: ORANGE
BL: BLACK Y: YELLOW
W: WHITE G: GREEN
R: RED Y/G: YELLOW/GREEN
CN-DISP (YLW)
CN-DISP
(WHT)
ELECTRONIC CONTROLLER
(DISPLAY & RECEIVER)
15
61
WWWWW
NOISE
FILTER
CIRCUIT
RECTIFICATION
CIRCUIT
COMMUNICATION
CIRCUIT
TO
OUTDOOR
UNIT
PIPING TEMP. SENSOR 1
(THERMISTOR)
PIPING TEMP. SENSOR 2
(THERMISTOR)
SUCTION TEMP.
SENSOR (THERMISTOR)
6
1
CN-TH
(RED)
t
0
t
0
t
0
t
0
CN-RMT
(WHT)
4
1
REMOTE
CONTROLLER

Table of Contents

Other manuals for Panasonic CS-RE18QKE

Related product manuals