EasyManua.ls Logo

Panasonic CS-S24PKH - CS-S10 PK CU-S10 PK (Except Malaysia)

Panasonic CS-S24PKH
187 pages
Print Icon
To Next Page IconTo Next Page
To Next Page IconTo Next Page
To Previous Page IconTo Previous Page
To Previous Page IconTo Previous Page
Loading...
30
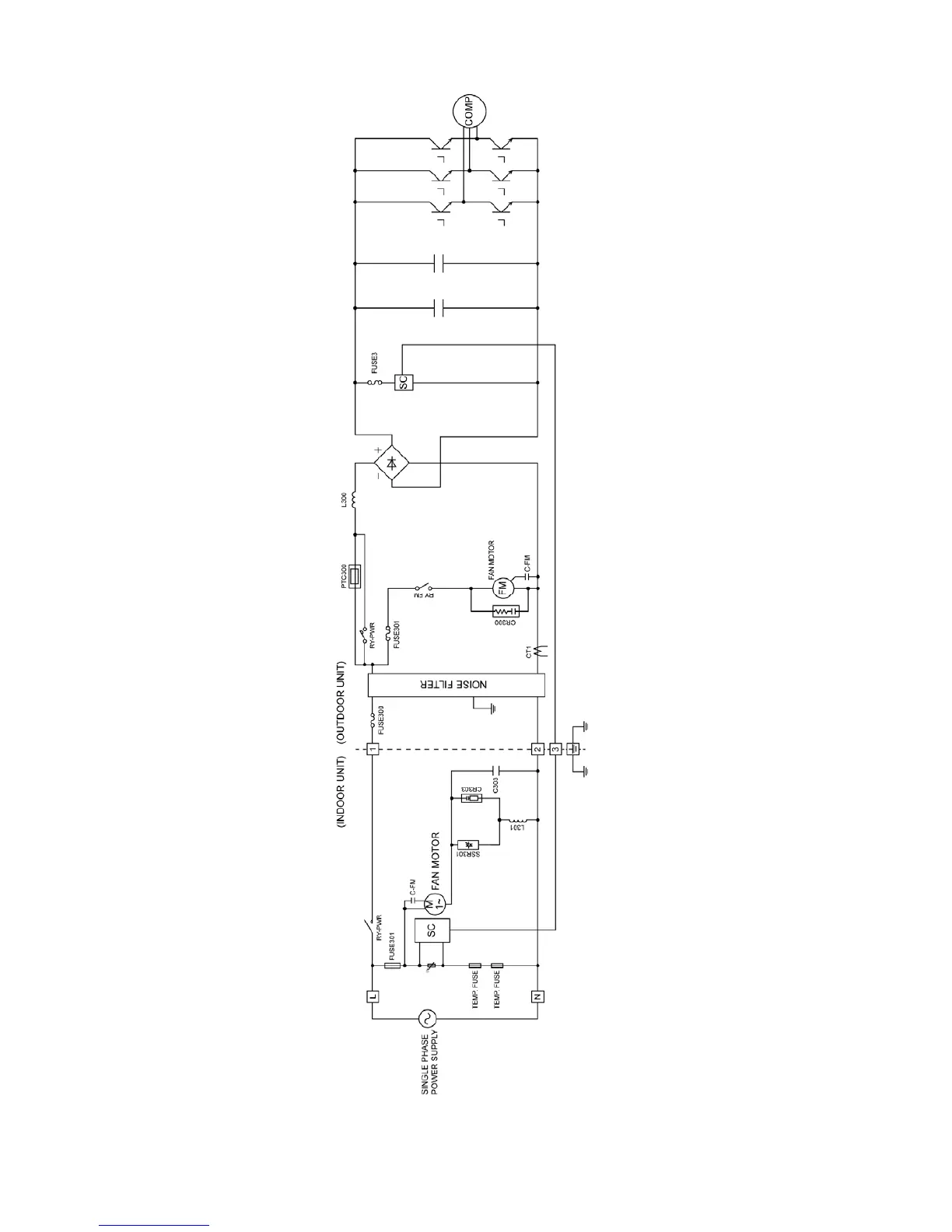
6.2 CS-S10PK CU-S10PK (except Malaysia)

Table of Contents

Related product manuals