EasyManua.ls Logo

Panasonic CS-S24PKH - Outdoor Unit

Panasonic CS-S24PKH
187 pages
Print Icon
To Next Page IconTo Next Page
To Next Page IconTo Next Page
To Previous Page IconTo Previous Page
To Previous Page IconTo Previous Page
Loading...
37
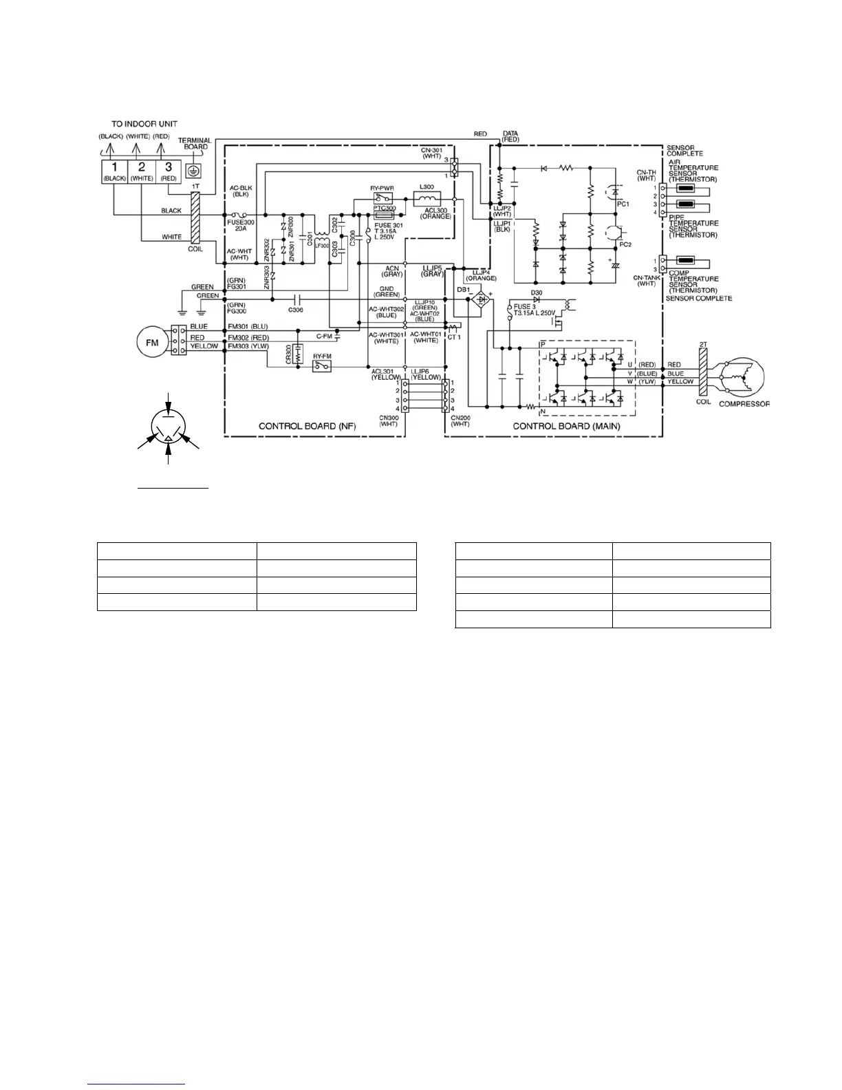
7.2 Outdoor Unit
7.2.1 CU-S10PK
RED (RED)
TRADE MARK
BLUE (BLU)
YELLOW (YLW)
COMP. TERMINAL
Resistance of Outdoor Fan Motor Windings
Resistance of Compressor Windings
MODEL CU-S10PK MODEL CU-S10PK
CONNECTION CWA951702 CONNECTION 5SS072XGA21
BLUE-YELLOW 309.5 U-V 3.034
BLUE-RED 225 U-W 3.021
Note: Resistance at 20°C of ambient temperature. V-W 3.009
Note: Resistance at 20°C of ambient temperature.

Table of Contents

Related product manuals