EasyManua.ls Logo

Panasonic CS-S24PKH - Sunlight Sensor Check Mode; Sunlight Sensor Abnormality

Panasonic CS-S24PKH
187 pages
Print Icon
To Next Page IconTo Next Page
To Next Page IconTo Next Page
To Previous Page IconTo Previous Page
To Previous Page IconTo Previous Page
Loading...
92
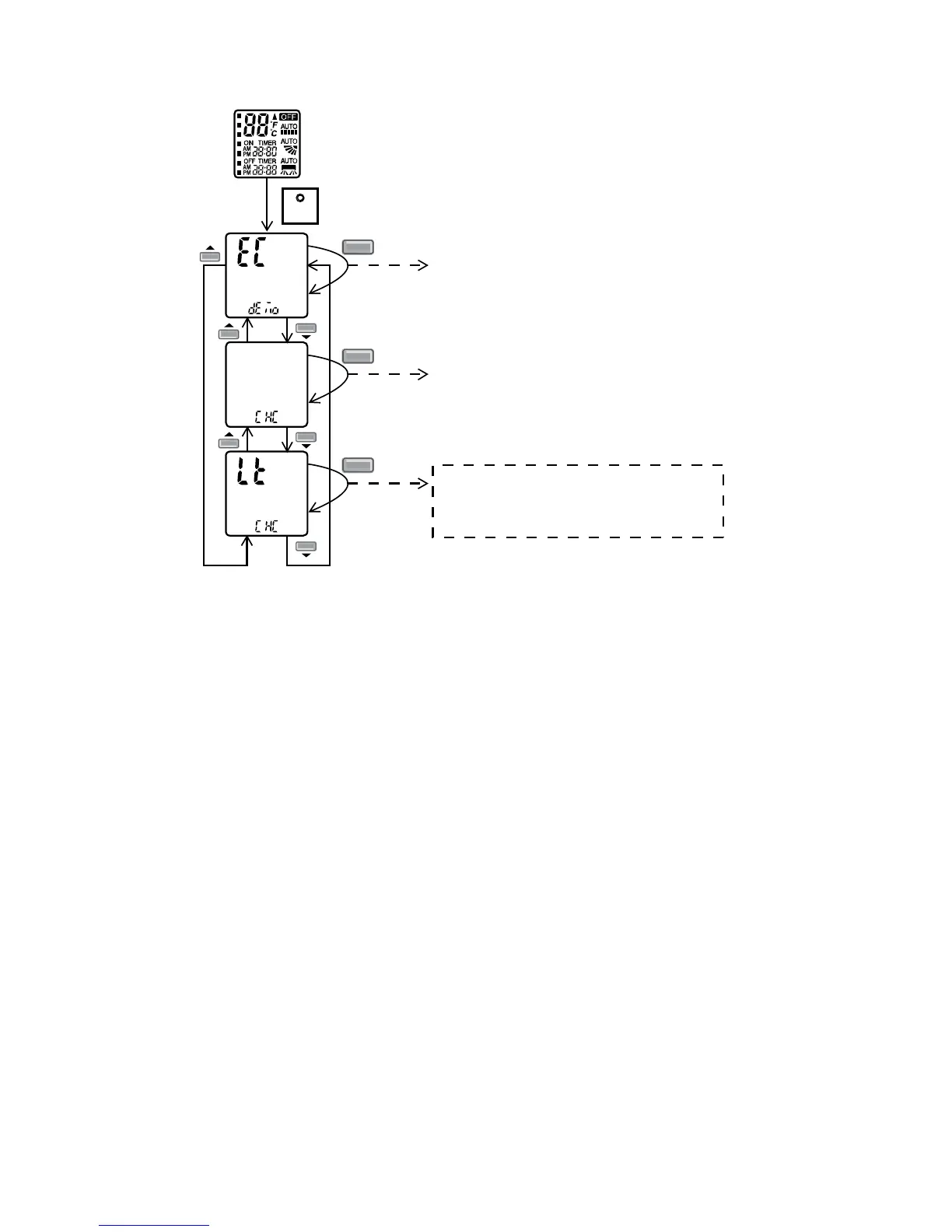
12.14.2.5 Sunlight Sensor Check Mode
To enable sunlight sensor check mode, during unit is OFF (power standby):
SET
SET
Transmit ECO demo code
and after 2 seconds return to normal
mode.
Press continously for 15s
SET
Transmit check code
and after 2 seconds return to normal
mode.
SET
Transmit sunlight sensor check code
and after 2 seconds return to normal
mode.
Remote control normal mode
Operation details
o The sunlight sensor check mode will be operated for 5 minutes.
o During check mode, the ON and OFF timer will be memorized but it operation be ignored.
o During check mode, if the sunlight sensor check code is retransmitted, the 5 minutes counter will be reset.
o During check mode, if sunlight sensor detected the sunlight intensity value above minimum level, the
ECONAVI indicator turns ON. Else if sunlight sensor detected sunlight intensity value below minimum level,
the ECONAVI indicator is OFF.
To disable sunlight sensor check mode
o After check mode is ended (5 minutes counter elapsed), press AUTO OFF/ON button at indoor unit.
o If the sunlight sensor detected sunlight intensity is at abnormal range, the check mode will be ended.
Please check for error code.
12.14.2.6 Sunlight Sensor Abnormality
Abnormality detection:
o When ECONAVI is ON, if the sunlight intensity value below minimum level continuously for 24 hours, the
sunlight sensor disconnection error counter will increase by 1 time. If the ECONAVI is OFF, the 24 hours
timer will be reset, but the sunlight sensor disconnection error counter will not be reset.
Error Code judgment
o When sunlight sensor disconnection error counter reached 15 times. H70 occurred.
o No TIMER indicator or ECONAVI indicator blink.
When error code happened, the unit is able to operate without sunlight sensor.

Table of Contents

Related product manuals