EasyManua.ls Logo

Panasonic CS-S24PKH - Page 40

Panasonic CS-S24PKH
187 pages
Print Icon
To Next Page IconTo Next Page
To Next Page IconTo Next Page
To Previous Page IconTo Previous Page
To Previous Page IconTo Previous Page
Loading...
40
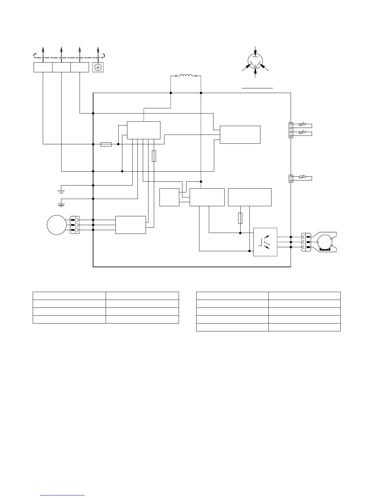
7.2.4 CU-S18PK
OUTDOOR AIR TEMP.
SENSOR (THERMISTOR)
PIPING TEMP.
SENSOR (THERMISTOR)
COMP. TEMPERATURE
SENSOR (THERMISTOR)
TERMINAL
BOARD
TO INDOOR UNIT
AC-WHT
(WHT)
FG1
(GRN)
GRN
BLK
WHT
AC-BLK
(BLK)
DATA
(RED)
RED
GRY
RAT2
(GRY)
RAT1
(GRY)
GRY
REACTOR
(RED)
FUSE 101
T3.15A L250V
(BLU)
(YLW)
U
V
W
P
N
RECTIFICATION
CIRCUIT
FUSE 104
T3.15A L250V
FUSE 103
(20A 250V)
3
(RED)
2
(WHITE)
1
(BLACK)
COMMUNICATION
CIRCUIT
PFC
CIRCUIT
3
4
CN-TH1
(WHT)
1
2
1
3
CN-TANK
(WHT)
SWITCHING POWER
SUPPLY CIRCUIT
COMPRESSOR
RED
BLU
YLW
MS
3 ~
BLU
YLW
RED
FAN MOTOR
M
1~
t
0
t
0
t
0
TRADE MARK
BLUE
(BLU) OR (R)
RED
(RED) OR (S)
YELLOW
(YEL) OR (C)
COMP. TERMINAL
FM1 (BLU)
FM2 (RED)
FM3 (YLW)
FAN MOTOR
CIRCUIT
FG2
(GRN)
GRN
NOISE FILTER
CIRCUIT
ELECTRONIC CONTROLLER
Resistance of Outdoor Fan Motor Windings
Resistance of Compressor Windings
MODEL CU-S18PK MODEL CU-S18PK
CONNECTION CWA951830 CONNECTION 5RD132XGA21
BLUE-YELLOW 247 U-V 1. 276
BLUE-RED 254 U-W 1. 276
Note: Resistance at 20°C of ambient temperature. V-W 1. 276
Note: Resistance at 20°C of ambient temperature.

Table of Contents

Related product manuals