EasyManua.ls Logo

Panasonic CS-S24PKH - Page 43

Panasonic CS-S24PKH
187 pages
Print Icon
To Next Page IconTo Next Page
To Next Page IconTo Next Page
To Previous Page IconTo Previous Page
To Previous Page IconTo Previous Page
Loading...
43
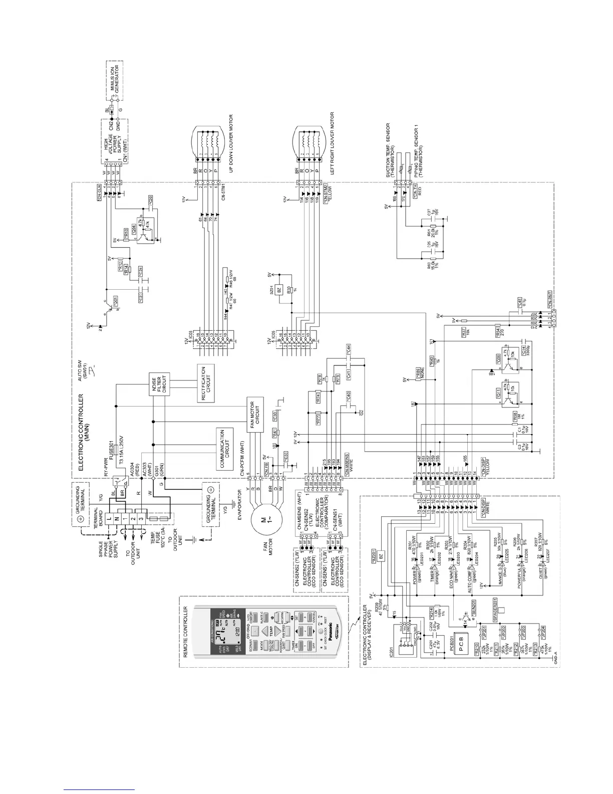
8.1.2 CS-S10PK (except Malaysia) CS-S13PK

Table of Contents

Related product manuals