EasyManua.ls Logo

Panasonic CS-S9PKR - Outdoor Unit Circuit Diagram

Panasonic CS-S9PKR
126 pages
Print Icon
To Next Page IconTo Next Page
To Next Page IconTo Next Page
To Previous Page IconTo Previous Page
To Previous Page IconTo Previous Page
Loading...
29
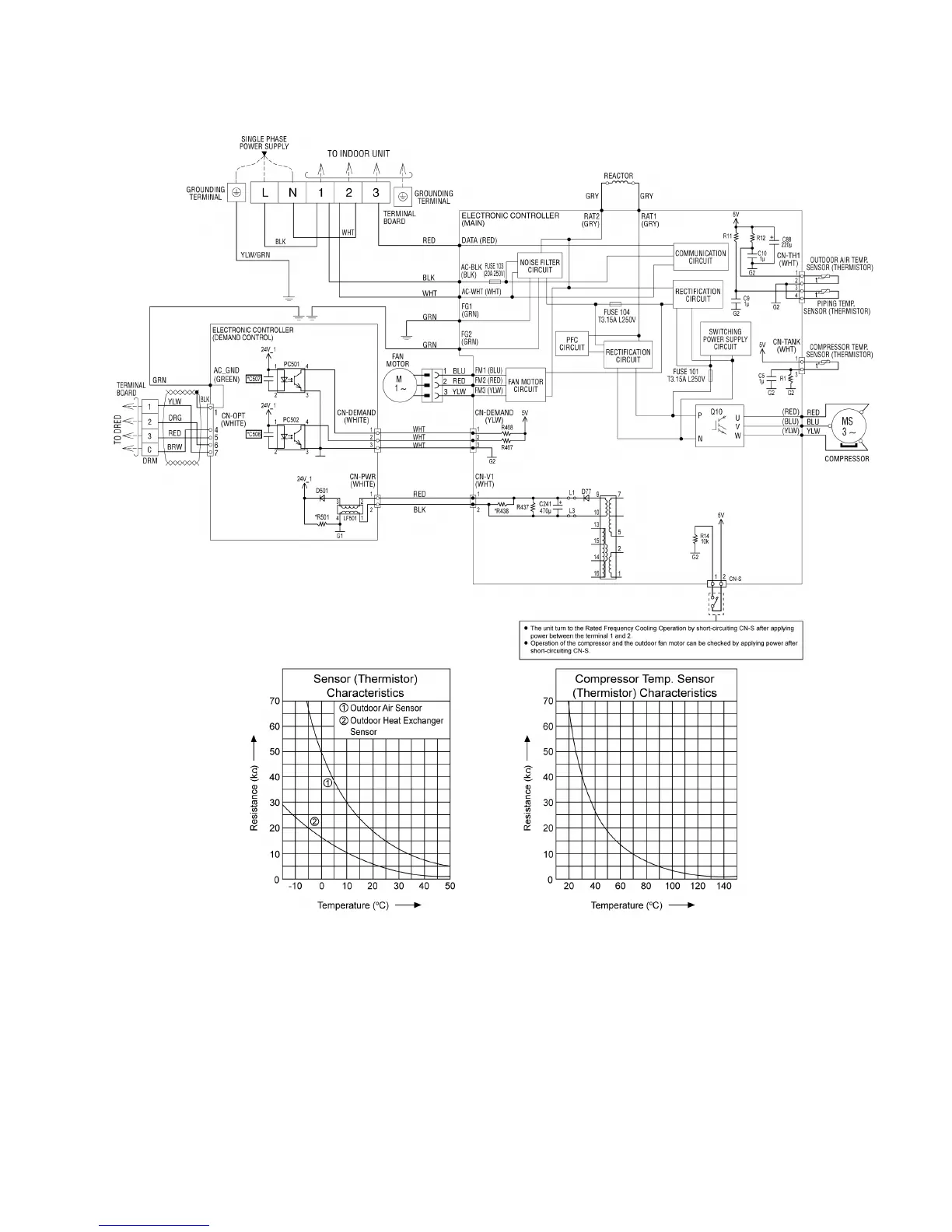
8.2 Outdoor Unit
8.2.1 CU-S9PKR CU-S12PKR

Table of Contents

Related product manuals