EasyManua.ls Logo

Panasonic CS-TZ20ZKEW - Block Diagram; Indoor Unit

Panasonic CS-TZ20ZKEW
235 pages
To Next Page IconTo Next Page
To Next Page IconTo Next Page
To Previous Page IconTo Previous Page
To Previous Page IconTo Previous Page
Loading...
43
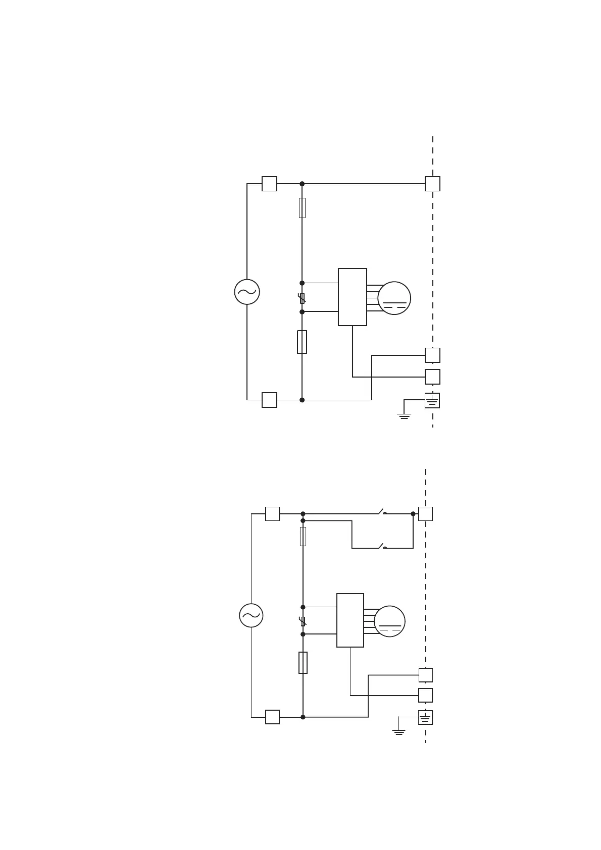
8. Block Diagram
8.1 Indoor Unit
8.1.1 CS-TZ20ZKEW CS-TZ25ZKEW CS-TZ35ZKEW CS-TZ42ZKEW CS-RZ25ZKEW
CS-RZ35ZKEW CS-TZ50ZKEW CS-RZ50ZKEW
8.1.2 CS-TZ60ZKEW CS-TZ71ZKEW
FUSE 301
TEMP.
FUSE
SINGLE PHASE
POWER SUPPLY
SC
U
2
3
M
(INDOOR UNIT)
L1 S1
N
FUSE 301
RY-PWR2
RY-PWR
TEMP.
FUSE
SINGLE PHASE
POWER SUPPLY
SC
U
2
3
M
(INDOOR UNIT)
L1 S1
N

Table of Contents

Other manuals for Panasonic CS-TZ20ZKEW

Related product manuals