EasyManua.ls Logo

Panasonic CU-3TZ52TBE - 7 Wiring Connection Diagram

Panasonic CU-3TZ52TBE
85 pages
Print Icon
To Next Page IconTo Next Page
To Next Page IconTo Next Page
To Previous Page IconTo Previous Page
To Previous Page IconTo Previous Page
Loading...
20
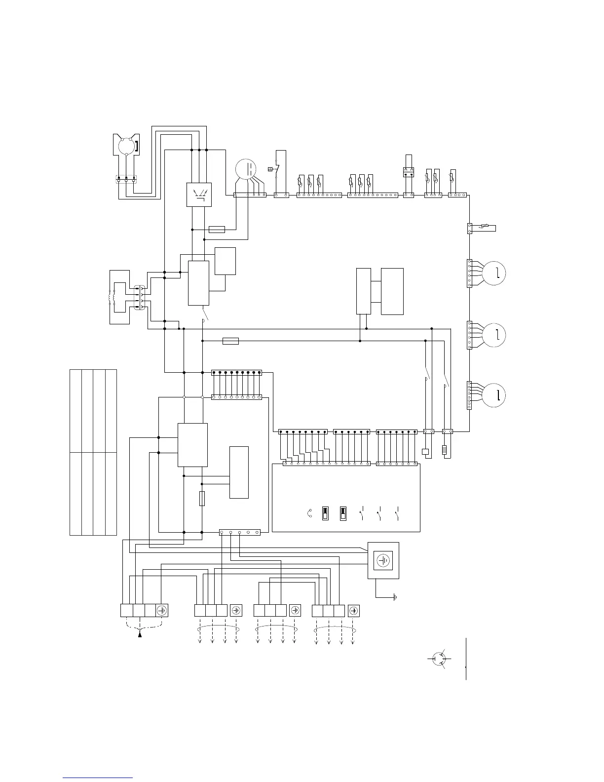
7. Wiring Connection Diagram
YELLOW (YEL)
OR T (W)
TRADEMARK
COMP. TERMINAL
BLUE (BLU)
OR S (V)
RED (RED)
OR R (U)
REMARKS:
BLACK: (BLK)
WHITE: (WHT)
YELLOW: (YLW/YEL)
GREEN: (GRN)
ORANGE: (ORG)
YELLOW/GREEN: (YLW/GRN)
BLUE: (BLU)
RED: (RED)
GRAY: (GRY)
BROWN: (BRW)
ELECTRONIC CONTROLLER
(NOISE FILTER)
CN-DIS P 1
(WHITE)
14
1
6
1
8
1
7
1
7
1
CN-NMODE
(YELLOW)
CN-NMOD E 1
(WHITE)
CN-DIS P 2
(WHITE)
CN-DIS P 1
(WHITE)
ELECTRONIC CONTROLLER
(DISPLAY)
61
CN-EV3
(BLUE)
CN-EV2
(YELLOW)
61
AC-WHT
(WHITE)
AC-BLK
(BLACK)
GRYGRY
GRY
BLK BLK
RED
BLU
YLW
11
33
RED
BLU
YLW
U
V
W
P
N
(RED) U
(BLUE ) V
(YELLOW) W
CONNECTOR
WHITE
COMPRESSOR
Q10
(GRAY)(GRAY) (BLACK)
L2-O L1-OL1-I L2-I
(BLACK)
BLK
4
REACTOR
1
9
CN-DATA
(WHITE)
CN-DATA
(WHITE)
9
1
GRN
YLW
BLU
WHT
BLK
RED
BLK
BLK
WHT
1
2
3
PRIORITY MODE
POWER SAVE
OPERATION TEST
PUMP DOWN
WIRING CHECK
N
L
9
7
5
3
1
CN-EV1
(WHITE)
81
YLW/GRN
WHT
BLK
GRN
CONNECTOR
WHITE
JP1
COOL ONLY
BLK
WHT
WHT
CN-BLK
(BLACK)
CN-WHT
(WHITE)
4
CN-COM
(WHITE)
1
1
ACN1
(WHITE)
ACL1
(BLACK)
FG1
(GREEN)
FG2
(GREEN)
FUSE 401
30A 250V
NOISE FILTER
CIRCUIT
COMMUNICATION
CIRCUIT
CN-PSW1
(BLUE)
RED
RED
BLKGRY
REACTOR
FUSE2
(T2.5A L250V)
TO INDOOR UNIT C
TO INDOOR UNIT A
TO INDOOR UNIT B
WHT
WHT
WHT
WHT
WHT
WHT
WHT
WHT
WHT
WHT
WHT
WHT
WHT
WHT
WHT
WHT
WHT
WHT
WHT
WHT
WHT
WHT
WHT
WHT
WHT
WHT
WHT
WHT
WHT
WHT
ELECTRONIC CONTROLLER
(MAIN)
TERMINAL BOARD
TERMINAL BOARD
CONTROL BOARD
YLW/GRN
2
1
3
2
1
3
HIGH PRESSURE SW.
FUS E 1
(T3.15A L250V)
MS
3~
1
2
UNI T A
ELECTRO-MAGNETIC COIL
(EXPAND VALVE)
UNI T B
ELECTRO-MAGNETIC COIL
(EXPAND VALVE)
UNIT C
ELECTRO-MAGNETIC COIL
(EXPAND VALVE)
M
MM
4
1
CN-TH1
(WHITE)
2
CN-DIS
(WHITE)
1
DIS. TEMP. SENSOR
(THERMISTOR)
OUTDOOR TEMP. SENSOR (THERMISTOR)
HEAT EXCHANGER TEMP. SENSOR (THERMISTOR)
t
t
t
M
CN-FM1
(WHITE)
FAN MOTOR
7
4
1
RED
BLK
WHT
BLU
YLW
SINGLE PHASE
POWER SUPPLY
1
1
10
11
CN-TH3
(WHITE)
CN-TH4
(WHITE)
t
t
t
t
t
t
LIQUID PIPE TEMP. SENSOR (UNIT A) (THERMISTOR)
LIQUID PIPE TEMP. SENSOR (UNIT B) (THERMISTOR)
LIQUID PIPE TEMP. SENSOR (UNIT C) (THERMISTOR)
GAS PIPE TEMP. SENSOR (UNIT A) (THERMISTOR)
GAS PIPE TEMP. SENSOR (UNIT B) (THERMISTOR)
GAS PIPE TEMP. SENSOR (UNIT C) (THERMISTOR)
1
4
CN-TH2
(YELLOW)
t
DEFROST TEMP. SENSOR
CONNECTOR WHITE
1
3
CN-DEMAND
CN-HE AT
(WHITE)
WHT
WHT
WHT
RECTIFICATION
CIRCUIT
RECTIFICATION
CIRCUIT
PFC
CIRCUIT
SWITCHING
POWER SUPPLY
CIRCUIT
1
1
3
3
CN-HOT
(BLUE)
ELECTRO MAGNETIC COIL (4-WAY VALVE)
HEATER
CN-HT
(BLACK)
RY-HOT
RY-HT
RY-PWR
Resistance of Compressor Windings
CONNECTION
U - V
U - W
V - W
0.720
0.726
0.708
9KD184XAA21 ()

Table of Contents

Related product manuals