EasyManua.ls Logo

Panasonic CU-3TZ52TBE - 8 Electronic Circuit Diagram

Panasonic CU-3TZ52TBE
85 pages
Print Icon
To Next Page IconTo Next Page
To Next Page IconTo Next Page
To Previous Page IconTo Previous Page
To Previous Page IconTo Previous Page
Loading...
21
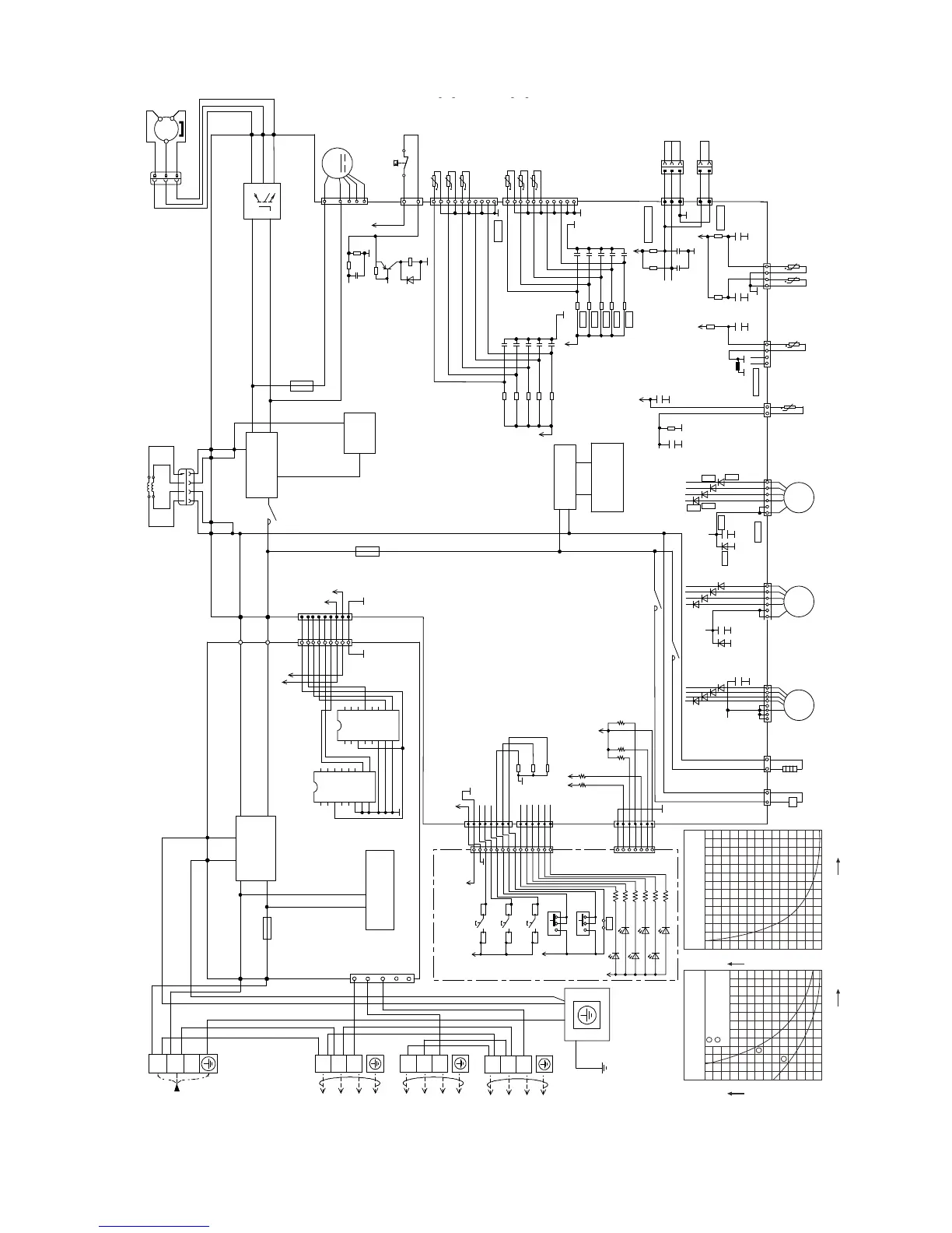
8. Electronic Circuit Diagram
ELECTRONIC CONTROLLER
(NOISE FILTER)
AC-WHT
(WHITE)
AC-BLK
(BLACK)
GRYGRY
GRY
BLK BLK
RED
BLU
YLW
RED
BLU
YLW
U
V
W
P
N
(RED) U
(BLUE) V
(YELLOW)W
CONNECTOR
WHITE
COMPRESSOR
Q10
(GRAY)(GRAY)
L2-O L1-OL1-I L2-I
(BLACK)(BLACK)
BLK
4
REACTOR
9
7
5
3
1
CONNECTOR
WHITE
BLK
WHT
CN-BLK
(BLACK)
CN-WHT
(WHITE)
4
CN-COM
(WHITE)
1
1
ACN1
(WHITE)
ACL1
(BLACK)
FG1
(GREEN)
FG2
(GREEN)
FUSE 401
30A 250V
NOISE FILTER
CIRCUIT
COMMUNICATION
CIRCUIT
CN-PSW1
(blue)
RED
RED
BLK
GRY
REACTOR
FUSE2
(T2.5A L250V)
ELECTRONIC CONTROLLER
(MAIN)
HIGH PRESSURE SW.
FUSE1
(T3.15A L250V)
MS
3~
1
2
WHITE
WHITE
2
1
DIS. TEMP. SENSOR
(THERMISTOR)
t
M
CN-FM1
(WHITE)
FAN MOTOR
7
4
1
RED
BLK
WHT
BLU
YLW
1
2
3
4
5
6
7
8
9
1
2
3
4
5
6
7
8
9
10
11
CN-TH4
t
t
t
t
t
t
LIQUID PIPE TEMP.
SENSOR (UNIT A) (THERMIST
O
LIQUID PIPE TEMP.
SENSOR (UNIT B) (THERMIST
O
LIQUID PIPE TEMP.
SENSOR (UNIT C) (THERMIST
GAS PIPE TEMP.
SENSOR (UNIT A) (THERMIST
O
GAS PIPE TEMP.
SENSOR (UNIT B) (THERMIST
O
GAS PIPE TEMP.
SENSOR (UNIT C) (THERMIS
T
CONNECTOR WHITE
1
3
*CN-DEMAND
*CN-HEAT
WHT
WHT
WHT
CONNECTOR WHITE
1
3
2
GA5
WHT
WHT
WHT
RECTIFICATION
CIRCUIT
RECTIFICATION
CIRCUIT
PFC
CIRCUIT
SWITCHING
POWER SUPPLY
CIRCUIT
RY-HOT
RY-HT
RY-PWR
11
33
CN-DISP 2
CN-DISP 1
CN-NMODE
YELLOW
CN-DISP 1
WHITE
CN-NMODE
WHITE
ELECTRONIC CONTROLLER
(DISPLAY)
11
1
2
3
4
5
1
2
3
4
5
6
7
8
1
W
W
W
W
W
W
W
W
W
W
W
W
W
W
W
W
W
W
W
W
W
14
77
6
R147 R146
R256
R395
R386
5V
5V
5V
5V
5V
5V
5V
R304
R305
R306
R307
R308
R309
SW1
1
2
3
4
1
2
3
4
SW4
ON OFF
1
2
321
3
4
SW5
GREEN LED1
*JP1
ON OFF
321
GREEN LED2
GREEN LED3
GREEN LED4
GREEN LED5
GREEN LED6
SW2
SW3
1
3
HEATER
1
3
ELECTRO
MAGNETIC
COIL
(4-WAY VALVE)
11
9
CN-DATA
WHITE
CN-DATA
9
G5
W
W
W
W
W
W
W
W
W
13V
5V
13V
IC17
TC4052B
IC18
TC4052B
15
16
14
13
12
11
10
9
1
VDD
2X
1X
X-COM
0X
3X
A
B
0Y
2Y
Y-COM
3Y
1Y
INH
VEE
VSS
VDD
2X
1X
X-COM
0X
3X
A
B
0Y
2Y
Y-COM
3Y
1Y
INH
VEE
VSS
2
3
4
5
6
7
8
15
16
14
13
12
11
10
9
1
2
3
4
5
6
7
8
5V
*CN-TH3
*R341
*R342
*R336
*R339
*R340
5V
C239
1u
6.3V
C240
1u
6.3V
C235
1u
6.3V
C237
1u
6.3V
C238
1u
6.3V
R390
10k
C282
0.047u
25V
G5
C283
0.047u
25V
R391
10k
C209
1u
6.3V
5V
GA5
G5AG5A
R102
4.99k
1%
C47
1u
6.3V
UNIT A
ELECTRO-MAGNETIC COIL
(EXPAND VALVE)
UNIT B
ELECTRO-MAGNETIC COIL
(EXPAND VALVE)
UNIT C
ELECTRO-MAGNETIC COIL
(EXPAND VALVE)
M
CN-EV1
WHITE
CN_THCN_HOT
81
C62
0.047u
25V
G2
D57
D58
D59
D60
M
CN-EV2
YELLOW BLUE
1
C218
0.047u
25V
G2 G2
D61
D62
D63
D64
D34
M
166
*C219
0.047u
25V
G2
*D35
G2
*D68
*D67
*D66
*D65
CN-TH1CN-DIS
4
123
4
123
C45
1u
6.3V
5V
C46
1u
6.3v
G5A
G5A
R101
7.50k
1%
OUTDOOR TEMP.
SENSOR (THERMISTOR)
HEAT EXCHANGER TEMP.
SENSOR (THERMISTOR)
t
t
R100
15.0k
1%
*CN-TH2
YELLOW
C48
1u
6.3V
R103
7.50k
1%
5V
G5A G5A
G5AG1
PTN10
t
DEFROST TEMP.
SENSOR
G5A
G5A
5V
10
R333 15.8k
1%
R338 15.8k
1%
R334 15.8k
1%
R335 15.8k
1%
R337 15.8k
1%
C232
1u
6.3V
C241
1u
6.3V
C233
1u
6.3V
C234
1u
6.3V
C236
1u
6.3V
G5A
5V
GA5
13V
R140
10k
C65
0.01u
50V
GA5
Q33
D78
RY-PWR
R132
4.7k
R139
10k
G6
e
c
b
5V
G5A
R373
10k
G5
R374
10k
R375
10k
*CN-EV3
Sensor (Thermistor)
Characteristics
70
60
50
40
30
20
10
0
-10 0 10
Temperature (
o
C)
Resistance (k)
20 30 40 50
1
2
1
2
Outdoor Air Sensor
Outdoor Heat Exchanger
Sensor
Compressor Temp. Sensor
(Thermistor) Characteristics
70
60
50
40
30
20
10
0
20 40 60
Temperature (
o
C)
Resistance (k)
80 100 120 140
GRN
YLW
BLU
WHT
BLK
RED
BLK
BLK
WHT
1
2
3
N
L
YLW/GRN
WHT
BLK
GRN
WHT
TO INDOOR UNIT C
TO INDOOR UNIT A
TO INDOOR UNIT B
TERMINAL BOARD
TERMINAL BOARD
CONTROL BOARD
YLW/
GRN
2
1
3
2
1
3
SINGLE PHASE
POWER SUPPLY

Table of Contents

Related product manuals