EasyManua.ls Logo

Panasonic CU-4E27PBE - Electronic Circuit Diagram; Indoor Unit

Panasonic CU-4E27PBE
140 pages
Print Icon
To Next Page IconTo Next Page
To Next Page IconTo Next Page
To Previous Page IconTo Previous Page
To Previous Page IconTo Previous Page
Loading...
29
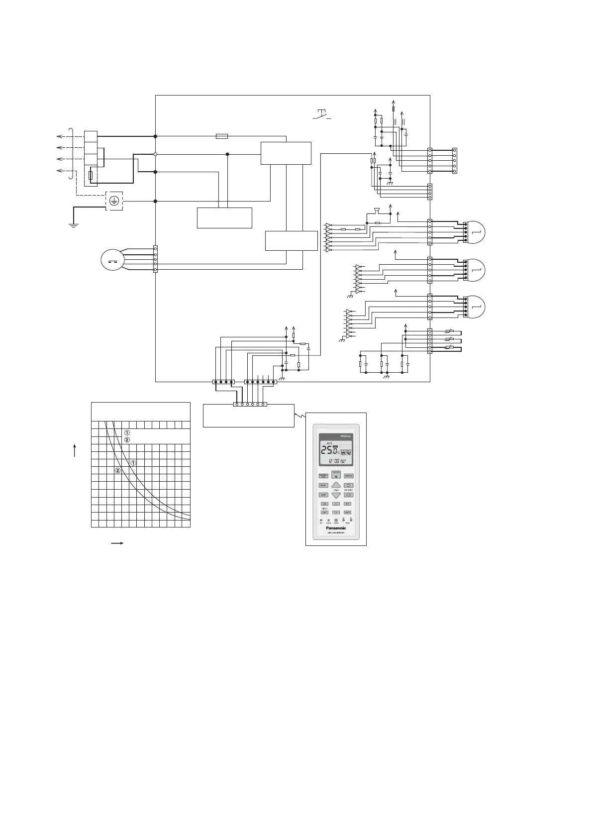
10. Electronic Circuit Diagram
10.1 Indoor Unit
70
60
50
40
30
20
-10 0 10 20 30 40 50
10
0
Resistance (kΩ)
Sensor (Thermistor)
Characteristics
Pipe temp. Sensor
Intake Air Temp. Sensor
Temperature (°C)
GROUNDING
TERMINAL
Y/G
G
EVAPORATOR
FAN MOTOR
BL
BL
W
W
B
R
R
Y
WWWWWW
7
4
1
6
61
14
1
TO OUTDOOR UNIT
TERMINAL
BOARD
AC306 (BLK)
AC303 (WHT)
AC304 (RED)
G301 (GRN)
CN-FM
(WHT)
FUSE301
T3.15A L250V
SW01
CN-DISP
(YLW)
CN-RCV
(YLW)
ELECTRONIC CONTROLLER
(MAIN)
REMOTE CONTROLLER
TEMP. FUSE
102ºC (3A)
NOISE FILTER
CIRCUIT
COMMUNICATION
CIRCUIT
4
1
CN-RMT
(WHT)
CN-DISP (WHT)
ELECTRONIC CONTROLLER
(DISPLAY & RECEIVER)
RECTIFICATION
CIRCUIT
5
1
5
1
5
1
5
1
CN-STM1
(WHT)
UP DOWN
LOUVER MOTOR (OUTER)
UP DOWN
LOUVER MOTOR (INNER)
5
5
1
1
CN-STM3
(BLU)
CN-STM2
(YLW)
LEFT RIGHT
LOUVER MOTOR
6
1
CN-TH
(RED)
PIPING TEMP. SENSOR 2 (THERMISTOR)
PIPING TEMP. SENSOR 1 (THERMISTOR)
SUCTION TEMP. SENSOR (THERMISTOR)
SENSOR COMPLETE
5
1
5
1
CN-CNT
(WHT)
M
1
2
3
M
M
M
GR
W
G
Y
BR
BR
R
Y
P
O
BR
R
Y
P
O
BR
R
Y
P
O
R37
10k
C45
C49
R54
270
5V
5V
R89
NONE
R40
0
JR4
0
R58
1M
1%
C14
1000p
50V
B1
C3
0.1u
16V
B1
5V
5V
12V
3
4
5
6
7
2
116
15
14
13
12
11
10
IC06
IC06
IC06
IC06
IC06
IC06
IC06
IC06
5V
R62
15k
1%
R61
20k
1%
R63
20k
1%
C25
1u
16V
B3
C27
1u
16V
B3
C28
1u
16V
B3
R90
10k
R82
10k
L6 L5
C57
C52
1000p
50V
B1
C51
1000p
50V
B1
F301
32V
500mA
5V
5V
12V
R30
1k
R47
68 1/2W
68 1/2W
R46
1
2
BZ01
A48PKM17EPP
12V
5V
3
4
5
6
7
2
116
15
14
13
12
11
10
IC05
IC05
IC05
IC05
IC05
IC05
IC05
IC05
12V
3
4
5
6
7
2
116
15
14
13
12
11
10
IC03
IC03
IC03
IC03
IC03
IC03
IC03
IC03

Table of Contents

Other manuals for Panasonic CU-4E27PBE

Related product manuals