EasyManua.ls Logo

Panasonic CU-4E27QBR - 4 Refrigeration Cycle Diagram; Cu-4 E23 Qbr

Panasonic CU-4E27QBR
149 pages
Print Icon
To Next Page IconTo Next Page
To Next Page IconTo Next Page
To Previous Page IconTo Previous Page
To Previous Page IconTo Previous Page
Loading...
22
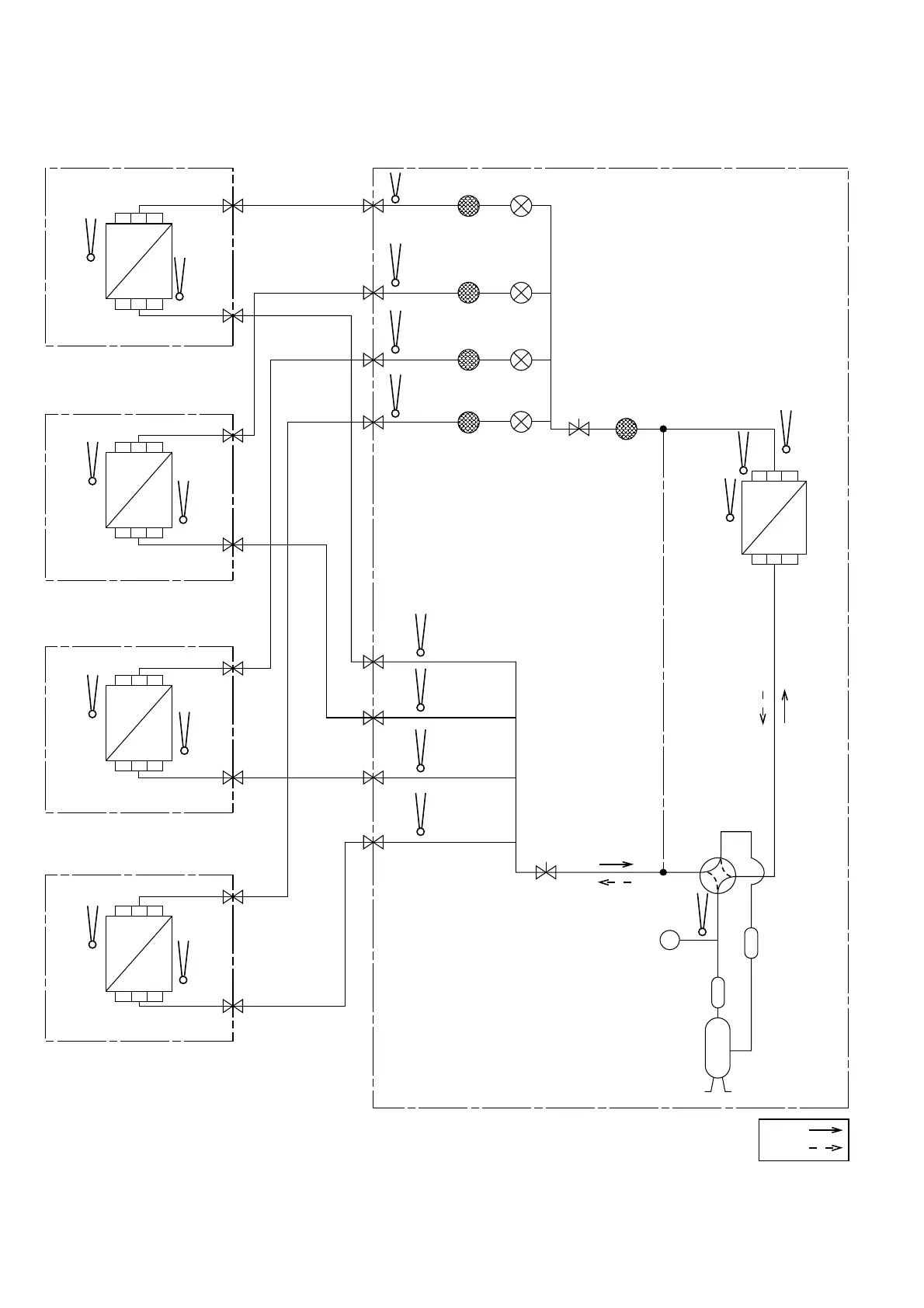
4. Refrigeration Cycle Diagram
4.1 CU-4E23QBR
PIPE
TEMP.
SENSOR
PIPE
TEMP.
SENSOR
PIPE
TEMP.
SENSOR
PIPE
TEMP.
SENSOR
PIPE TEMP.
SENSOR (DEF)
COOLING
HEATING
ACCUMULATOR
DISCHARGE
MUFFLER
COMPRESSOR
PRESSURE
SWITCH
INDOOR A
OUTDOOR
INDOOR B
INDOOR C
INDOOR D
INTAKE
TEMP.
SENSOR
HEAT
EXCHANGER
(EVAPORATOR)
PIPE
TEMP.
SENSOR
INTAKE
TEMP.
SENSOR
INTAKE
TEMP.
SENSOR
HEAT
EXCHANGER
(EVAPORATOR)
HEAT
EXCHANGER
(CONDENSOR)
PIPE
TEMP.
SENSOR
INTAKE
TEMP.
SENSOR
HEAT
EXCHANGER
(EVAPORATOR)
PIPE
TEMP.
SENSOR
INTAKE
TEMP.
SENSOR
HEAT
EXCHANGER
(EVAPORATOR)
PIPE
TEMP.
SENSOR
PIPE
TEMP.
SENSOR
COMPRESSOR
TEMP.
SENSOR
PIPE
TEMP.
SENSOR
PIPE
TEMP.
SENSOR
PIPE
TEMP.
SENSOR
LIQUID SIDE
3-WAY VALVE
LIQUID SIDE
LIQUID SIDE
3-WAY VALVE
3-WAY VALVE
3-WAY
VALVE
3-WAY
VALVE
3-WAY VALVE
LIQUID SIDE
3-WAY VALVE
3-WAY VALVE
3-WAY VALVE
3-WAY VALVE
GAS SIDE
GAS SIDE
GAS SIDE
GAS SIDE
STRAINER
STRAINER
STRAINER
STRAINER
STRAINER
EXPANSION
VALVE A
EXPANSION
VALVE B
EXPANSION
VALVE C
EXPANSION
VALVE D
CONDENSOR
DISCH.
TEMP.
SENSOR

Table of Contents

Other manuals for Panasonic CU-4E27QBR

Related product manuals