EasyManua.ls Logo

Panasonic CU-4E27QBR - 7 Electronic Circuit Diagram; Cu-4 E23 Qbr

Panasonic CU-4E27QBR
149 pages
Print Icon
To Next Page IconTo Next Page
To Next Page IconTo Next Page
To Previous Page IconTo Previous Page
To Previous Page IconTo Previous Page
Loading...
31
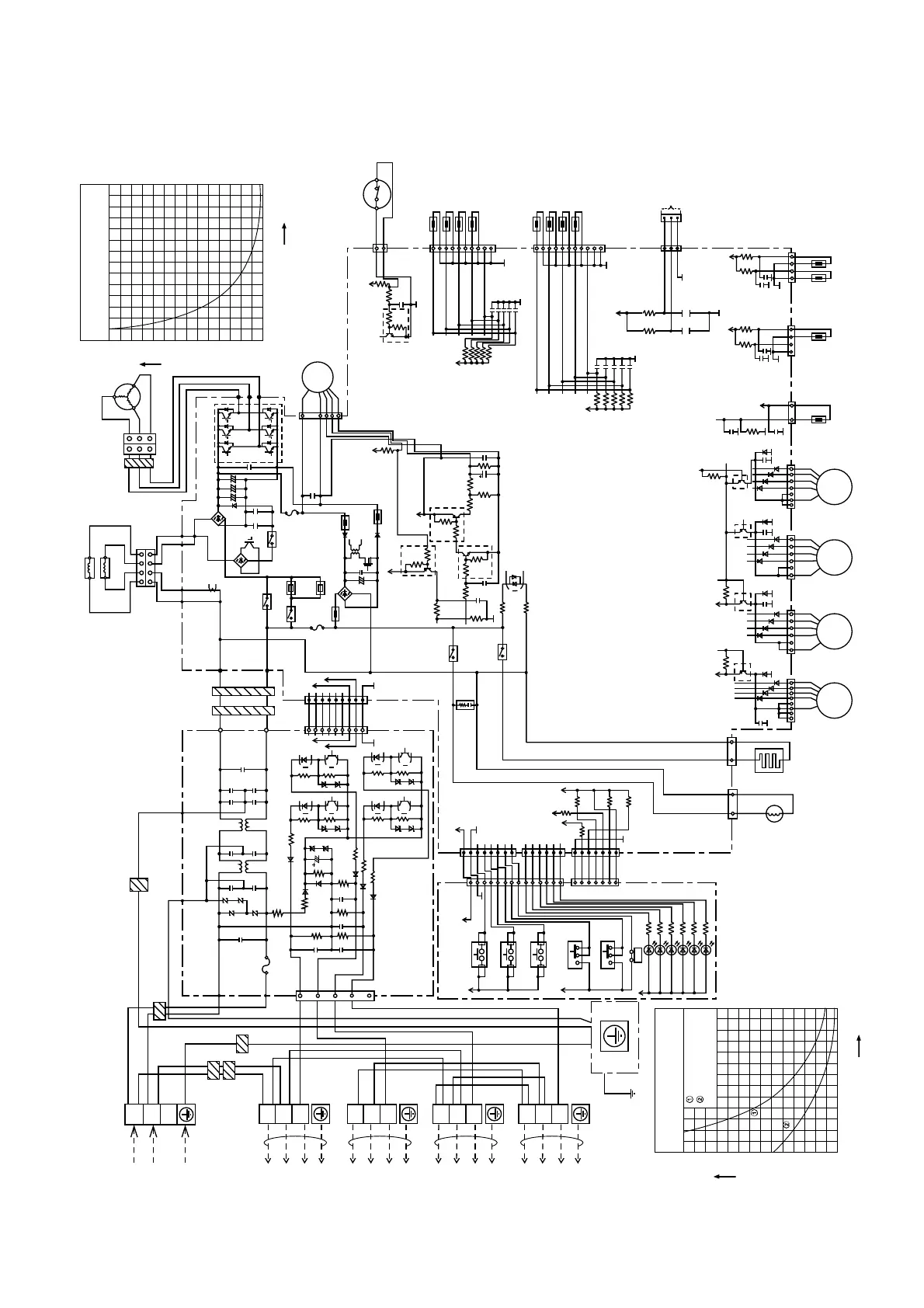
7. Electronic Circuit Diagram
7.1 CU-4E23QBR
L
N
1
2
3
1
2
3
1
2
3
1
2
3
CN-WHT
FG1 FG2
G
G
CN-BLK
CORE
CORE
CORE
CORE
TERMINAL BOARD
TERMINAL BOARD
TO INDOOR UNIT A
POWER SUPPLY
TO INDOOR UNIT BTO INDOOR UNIT CTO INDOOR UNIT D
CORE
BL
W
BL
W
BL
W
BL
BL
W
W
Y/G
WHITE
ACN1
BLACK
ACL1
FUSE 401
30A 250V
CN-COM
R
B
1
3
5
7
9
ELECTRONIC CONTROLLER
(SUB)
Y
0
Y/G
GROUND PLATE
5V
W
W
W
W
W
W
W
W
W
W
W
W
W
W
W
W
W
W
W
W
W
5V
5V
5V
5V
PUMP DOW N
SW1
1
2
3
4
OPERATION TEST
SW2
1
2
3
4
WIRING CHECK
SW3
SW4 POWER SAVE
ON OFF
1
2
321
3
4
SW5 PRIORITY MOD E
COOL ONL Y
GREEN LED1
*JP1
ON OFF
321
GREEN LED2
GREEN LED3
GREEN LED4
GREEN LED5
GREEN LED6
1
8
1
6
1
CN-NMODE 1
WHITE
CN-NMODE
YELLOW
CN-DISP 2
WHITE
CN-DISP 1
WHITE
7
ELECTRONIC
CONTROLLER
(DISPLAY)
13V
b
c
e
13V
b
c
e
b
c
e
b
c
e
5V
5V
5V
b
c
e
b
c
e
15V_2
b
c
e
5V
5V
13V
CN-PSW1
BLUE
CN-TH3
WHITE
CN-TH4
WHITE
2
1
R
R
HIGH PRESSURE SW .
LIQUID PIPE
SENSOR A
GAS PIPE
SENSOR A
GAS PIPE
SENSOR B
GAS PIPE
SENSOR C
GAS PIPE
SENSOR D
LIQUID PIPE
SENSOR B
LIQUID PIPE
SENSOR C
LIQUID PIPE
SENSOR D
SENSOR COMPLETE
SENSOR COMPLETE
SENSOR
COMPLETE
CN-TH1
WHITE
CN-TH2
YELLOW
CN-DIS
WHITE
CN-EV4
RED
CN-EV3
BLUE
CN-EV2
YELLOW
CN-EV1
WHITE
CN-HT
BLACK
CR3
RY-HOT
RY-HT
CN-HOT
BLUE
1
10
1
11
1144111611
1
1
1
1
1
7
4
4
1
1
14
7
3
3
86 7 2
b
e
c
5V
5V
ELECTRONIC CONTROLLER
(MAIN)
5V
5V
13V
13V
(5K, 3900)
(5K, 3900)
(15K, 3950)
OUTLET TEMP. SENSOR
(THERMISTOR)
COND. TEMP. SENSOR
(THERMISTOR) (5K, 3900)
SENSOR
COMPLETE
PIPE TEMP. SENSOR (DEF)
(THERMISTOR) (5K, 3900)
DIS. T. TEMP. SENSOR
(THERMISTOR) (50K, 3950)
SENSOR
COMPLETE
ELECTRO-
MAGNETIC COIL
(EXPAND VALVE)
M
ELECTRO-
MAGNETIC COIL
(EXPAND VALVE)
M
ELECTRO-
MAGNETIC COIL
(EXPAND VALVE)
M
ELECTRO-
MAGNETIC COIL
(EXPAND VALVE)
CRANK
CASE
HEATER
ELECTRO-
MAGNETIC
COIL
(4 WAY VALVE)
M
CN-DISP 1
WHITE
1
99
1
W
W
W
W
W
W
W
W
W
CN-DATA
WHITE
CN-DATA
WHITE
CN-FM1
WHITE
FAN
MOTOR
FM
CORE
CORE
BL
W
AC-BLK
AC-WHT
L1-I
GRY GRY
GRY
GRY
BL BL
BL
BL
L2-I L2-O
CT400
L1-O
FUSE2
T2.5A
L 250V
FUSE1
T3.15A
L 250V
R
E
A
C
T
O
R
REACTOR
CONNECTOR
WHITE
DB3
CORE
COMPRESSOR
11
33
R
B
Y
R
B
Y
P
N
U
V
W
DB1
RY-PWR
RY-AC
RY-C
PTC1
PTC2
DB2
T1
+
+
-
+-
+
+++
-
Compressor Temp. Sen sor
(Thermistor) Characteristics
70
60
50
40
30
20
20 40 60 80 100 120 140
10
0
Resistance (kΩ)
Temperature (°C)
Sensor (Therm istor)
Characteristics
Outdoor Air Sensor
Outdoor Heat Exchanger
Sensor
70
60
50
40
30
20
-10 0 10 20 30 40 50
10
0
R
e
s
i
s
tan
c
e
(
kΩ)
Temperature (°C)
CN-DEMAND
(WHIT E )
CONNECTOR
(WHIT E)
TO CZ-CAP2
(OPTIONAL DEMAND
CONTROL)
CN-DEM AND
W
W
W
3
1
5V
C283
0.047u
25V
C282
0.047u
25V
KB
KB
R390R391
10k
10k
R256
10k
R386
10k
R146
10k
R147
10k
5V
R395
10k
5V
5V

Table of Contents

Other manuals for Panasonic CU-4E27QBR

Related product manuals