EasyManua.ls Logo

Panasonic DMR-E100H - Connecting a cable TV box;satellite receiver; Single Cable Box;Satellite Receiver Connection; Two Cable TV Boxes Connection

Panasonic DMR-E100H
72 pages
Print Icon
To Next Page IconTo Next Page
To Next Page IconTo Next Page
To Previous Page IconTo Previous Page
To Previous Page IconTo Previous Page
Loading...
58
RQT6986
Advanced operation
Home Theater
The equipment connections described are examples.
Peripheral equipment and optional cables sold separately unless otherwise indicated.
Before connection, turn off all equipment and read the appropriate operating instructions.
The signal from the cable TV box or satellite receiver passes through this unit to the television even when this unit is turned off.
You need to subscribe to a cable TV or satellite TV service, to enjoy viewing their programming.
Consult your service provider regarding appropriate cable TV box or satellite receiver.
Select the applicable input on your television to view the output from your cable box/satellite receiver through this unit.
[Note]
When a home satellite system (Dishnetwork/DSS) is connected,
auto tuning and auto clock setting may not operate properly. Set the
clock manually (page 55).
Change the video input on the television when you want to watch
another program while recording.
You cannot do a timer recording unless the channel is first
selected on the cable TV box or DSS receiver.
You can record and view both scrambled and unscrambled channels
if connections are made as shown in the diagram below.
Change the video input on the television when you want to watch
another program while recording.
You cannot do a timer recording unless the channel is first
selected on the cable TV box.
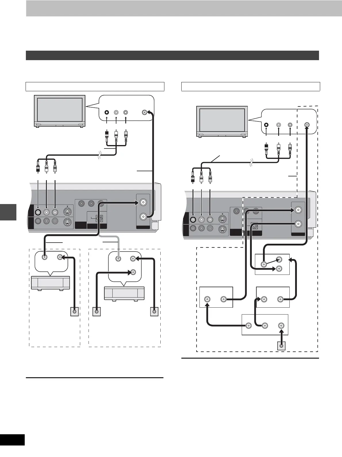
Connecting a cable TV box/satellite receiver
One cable TV box/satellite receiver
RF IN
RF OUT
VHF/UHF
OPTICAL
DIGITAL AUDIO OUT
(PCM/BITSTREAM)
COMPONENT
VIDEO OUT
(480P/480I)
YP
B
P
R
R - AUDIO - L
R - AUDIO - L
VIDEO
VIDEO
S-VIDEO
S-VIDEO
OUT 1 OUT 2
AUDIO
IN
R L
VIDEO
IN
VHF/UHF
RF IN
RF INRF OUT
VHF/UHF
OUT IN
IN
To home satellite
system
(Dishnetwork/
DSS) jack
To cable TV jack
Cable TV box
DSS receiver
or
75 coaxial cable
(included)
Audio/Video cable (included)
red white yellow
75
coaxial cable
red white yellow
Television
This unit
To antenna
or cable TV
jack
Two cable TV boxes
RF IN
RF OUT
VHF/UHF
OPTICAL
DIGITAL AUDIO OUT
(PCM/BITSTREAM)
COMPONENT
VIDEO OUT
(480P/480I)
YPB PR
R - AUDIO - L
R - AUDIO - L
VIDEO
VIDEO
S-VIDEO
S-VIDEO
OUT 1 OUT 2
AUDIO
IN
R L
VIDEO
IN
VHF/UHF
RF IN
OUT1 OUT2
IN OUT
IN
IN2
IN1
IN OUT
To cable TV jack
Connect with 75
coaxial cable
Audio/Video cable
(included)
red white yellow
red
Cable TV
box
2-way
splitter
Cable TV box
Switch
box
Television
This unit
white yellow

Table of Contents

Related product manuals