EasyManua.ls Logo

Panasonic DMR-EH55EC

Panasonic DMR-EH55EC
173 pages
To Next Page IconTo Next Page
To Next Page IconTo Next Page
To Previous Page IconTo Previous Page
To Previous Page IconTo Previous Page
Loading...
DMR-EH55EC/EP,EH56EG
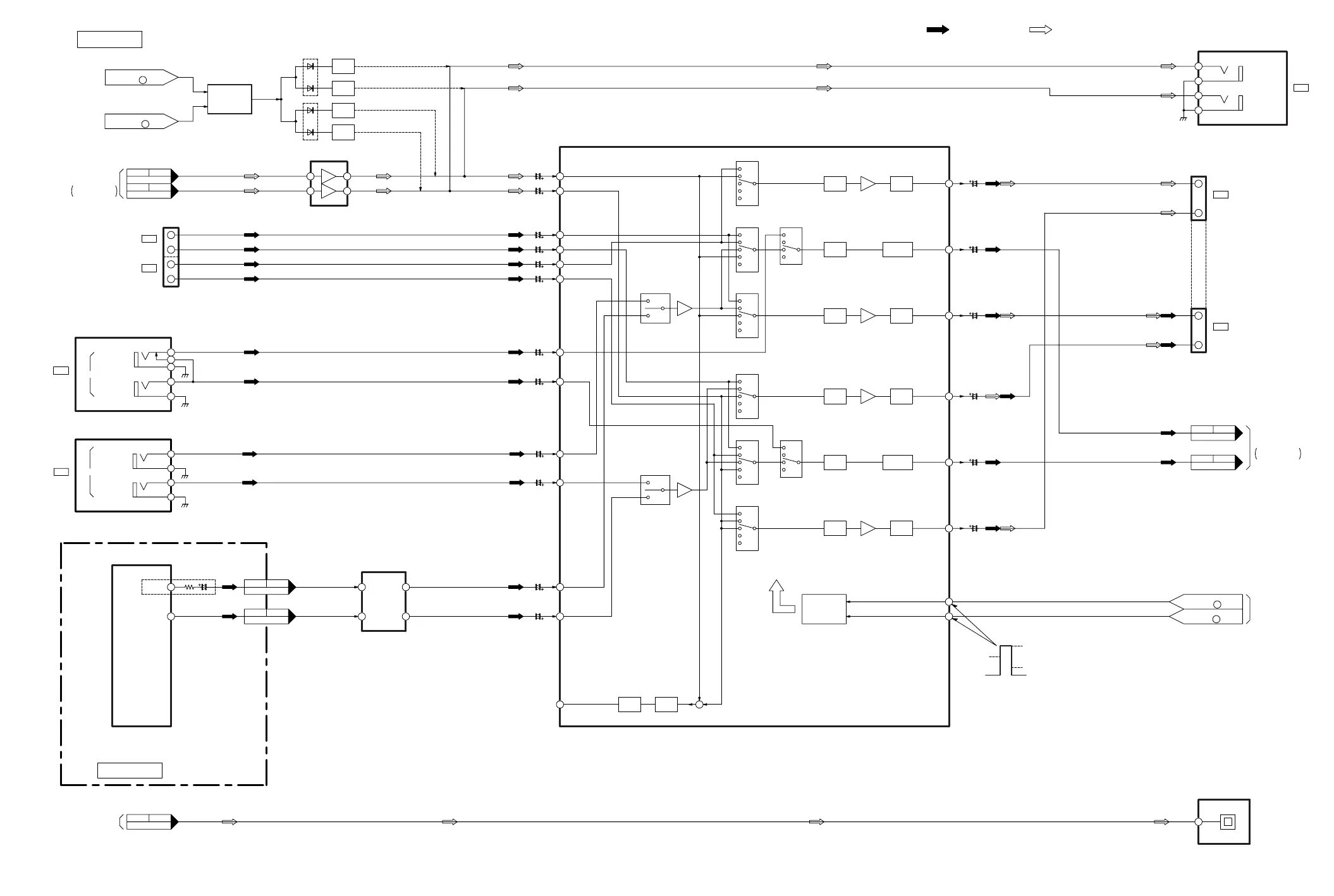
Analog Audio Block Diagram
AV4
(SA4L)
SELECT SWITCH
OUTPUT
AV2
(DECODER/EXT)
(TV)
AV1
1.0V
5V
2.3V
:PB SIGNAL:REC SIGNAL
IEC OUT
1
(DIGITAL AUDIO OUT)
OPTICAL
IC4901
P.C.B.
DIGITAL
FROM
P59001 P7402
32
AADC L
AADC R
AUDIO OUT Ch1(L)
AUDIO OUT Ch2(R)
MIX L OUT2
MIX R OUT2
AUDIO OUT Ch2(R)
AUDIO OUT Ch1(L)
REAR JACK
JK3001
(R)
LINE OUT
(L)
LINE OUT
21
19
16
18
P.C.B.DIGITAL
TO
P7402
19
P59001
P7402 P59001
17
(DECEODER/EXT)
AV2
1
3
(TV)
AV1
3
1
21 PIN JACK
JK3901
LOGIC
IIC BUS
SDA
89
88
SCL
SECTION
TIMER
FROM
30
IC7501-
IIC DATA
29
IC7501-
IIC CLK
71
AV1 Lch
78
ADC Lch
73
AV2 Lch
74
AV2 Rch
79
ADC Rch
AV1 Rch
72
LPF
BUFF.
MUTE
AGC
AMP
ADC Lch
LPF
BUFF.
MUTE
LPF
BUFF.
MUTE
d
c
b
a
MUTE
BUFF.
LPF
AMP
ADC Rch
AGC
MIX
+
VCAMUTE
TUNER P.C.B.
(EC)ONLY
U/V TUNER
TU7801
RF OUT
76
SIF OUT
OUT
AUDIO
15
14
PS7801 PP7401
4
PS7801 PP7401
5
(NICAM/A2)
IC7301
SIF
IN
MONO
L OUT
R OUT
1
2
25
38
TUN Lch
62
54
TUN Rch
AV4
TUN
(SA5L)
BUFF.
e
d
c
b
a
(SA1L)
e
d
c
b
a
(SA3L)
e
d
c
b
a
(SA2L)
58
AV3 Lch(FRONT)
AV3
FRONT INPUT JACK
JK3002
AUDIO
(Lch/MONO)
LINE
(Rch)
LINE
9
10
11
12
13
d
c
b
a
(SA4R)
SELECT SWITCH
OUTPUT
AV3 Rch
50
(SA5R)
TUN
AV4
BUFF.
e
d
c
b
a
(SA2R)
AUDIO IN ch1(L)
AUDIO IN ch2(R)
AUDIO IN ch1(L)
AUDIO IN ch2(R)
21 PIN JACK
JK3901
6
2
6
2
AV2 Lch
61
AV2 Rch
53
AV1 Lch
AV1 Rch
DAC Lch
DAC Rch
60
52
e
d
c
b
a
(SA3R)
e
d
c
b
a
(SA1R)
(AUDIO SIGNAL PROCESSOR)
IC3001
64
56
Q4008
D4006 Q4009
MUTE
MUTE
D4005
Q4007
Q4006
MUTE
MUTE
(BUFFER)
IC4009
67
12
MIX L OUT DM
MIX R OUT DM
P.C.B.DIGITAL
FROM
P59001 P7402
27
29
P7402P59001
16
IC54402-
XDMUTE
P.C.B.
DIGITAL
FROM
QR4002-QR4004
CIRCUIT
MUTE
SECTION
TIMER
FROM
65
IC7501-
XTMUTE
DIGITAL AUDIO
BLOCK SECTION
DIGITAL AUDIO
BLOCK SECTION
MAIN P.C.B.
59
AV4 Lch
17
18
21
20
LINE
(Rch)
LINE
(Lch)
AUDIO
JK3001
REAR INPUT JACK
AV4
(REAR)
AV4 Rch
51

Table of Contents

Related product manuals