EasyManua.ls Logo

Panasonic DMR-EH55EC

Panasonic DMR-EH55EC
173 pages
To Next Page IconTo Next Page
To Next Page IconTo Next Page
To Previous Page IconTo Previous Page
To Previous Page IconTo Previous Page
Loading...
H
H
H
H
RESET +5.2V
UNREG +38V
1IC7505-
D7506
C
A
B
D
E
F
H
G
ANA+3.3V
X SW+3.3V
X SW+3.8V
IC7501- 16
(REG.X SW+3.3V)
IC1505
VOUT
VIN
5
2
1 GND
3 CONT
(REG.ANA+3.3V)
IC1521
VOUTVIN 1
45
8
GND CONT
DI P ON
IC7501- 44
SECTION
TIMER
FROM
16,17,19
P1501P1102X SW+3.8V
3,4,5,6
P1501P1102X SW+5.8V
12,13,14,15
P1501P1102X SW+12V
TRANSFORMER
POWER SWITCHING
DISPLAY HEATER
T7501
71
IP1501
21
IP7501
21
PS+11.6V 8846
8
IC3001- ,IC4009- ,IC4012-
IC7507-
PWR SAVE :ON
IC7501- 79
SECTION
TIMER
FROM
( :ON)
QR7401
(REG.PS+11.6V)
IC7401
VOUTVIN 3
5
:ON
2
1
GND
H
H
DR+12V
DR P ON
IC7501- 42
SECTION
TIMER
FROM
( :ON)
QR1501
E
FET
DS
G
Q1509
(DR+12V OUT)
1
2
3
5
6
7
8
4
AC INLET
P1101
SURGE
SUPPRESSOR
AND
SURGE
ABSORBER
F1101
VA1110,L1120 D1140,C1143
RECTIFIER
T1150
POWER
SWITCHING
TRANSFORMER
12
P1
2
134
9
5
IC1150
(SWITCHING IC)
VCCGNDZ/C
F/B 10
8
7
P2
V2
V1
7VIN
S2B
S2A
S1A
S1B
2
3
4
5
1
3
2
D1270
21
IP1601
SWITCHING
QR1800,QR1801
1
2
7
6
Vin
PW
ON
FET
Gate
Drive
GND
IC1601
(DC/DC CONVERTER)
FET
DS
G
2
4
5
6
7
1
3
8
Q1600
(REG.X SW+5.8V)
FET
DS
G
Q1700
(REG.X SW+3.8V)
4
3
1
2
5
6
1
2
7
(DC/DC CONVERTER)
6
Vin
IC1701
GND
PW
ON
FET
Gate
Drive
4
32
1
Q1200
(FEED BACK)
1
2
3
IC1200
(ERROR VOLTAGE DET.)
COLDHOT
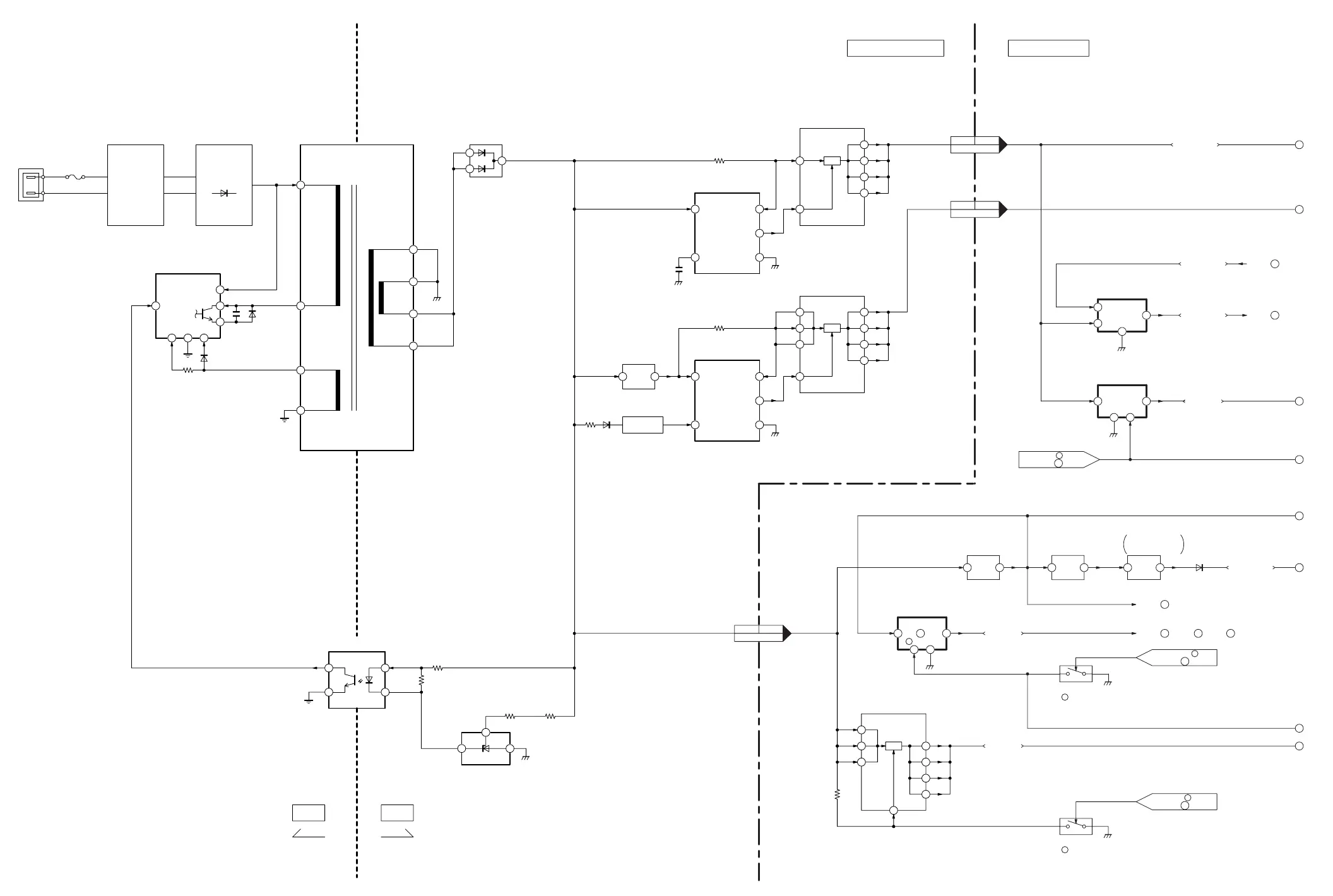
POWER P.C.B. MAIN P.C.B.
DMR-EH55EC/EP,EH56EG
Power Supply Block Diagram
8
Current
Sense
8
Current
Sense

Table of Contents

Related product manuals