EasyManua.ls Logo

Panasonic DMR-EZ49VEB

Panasonic DMR-EZ49VEB
157 pages
To Next Page IconTo Next Page
To Next Page IconTo Next Page
To Previous Page IconTo Previous Page
To Previous Page IconTo Previous Page
Loading...
S-10
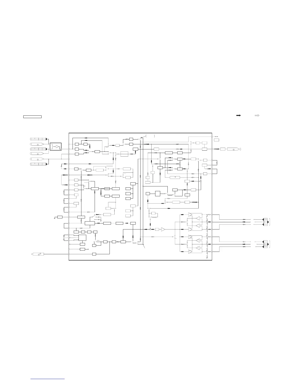
S3.3.2. Analog Video Block Diagram (2)
:PB SIGNAL:REC SIGNAL
61
C3005
L3001,
91
V Y IN DM
IC3901-
81
CPN C IN DM
IC3901-
FROM
DIGITAL
P.C.B.
FROM
DIGITAL
P.C.B.
FROM
ANALOG
VIDEO(1/2)
SECTION
FROM
ANALOG
VIDEO(1/2)
SECTION
91
CPN C IN DM
IC3901-
FROM
ANALOG
VIDEO(1/2)
SECTION
LPF
INT
EXT
P
R
(AUDIO/VIDEO SIGNAL PROCESSOR)
IC3001
LP/EP R
LP/EP COM
LP/EP L
SP R
SP COM
SP L
VIDEO HEAD
DD CYLINDER
TO/FROM
VIDEO HEAD
DD CYLINDER
TO/FROM
1
P3001
2
P3001
3
P3001
4
P3001
5
P3001
6
88
P3001
P59001 P6003P9103
PIN53
THES MODELS BY
FIXED TO INT IN
INT
EXT
R
P
P
R
ATP
R
H
L
SVHS
SVHS
TO
SYSTEM CONTROL &
SERVO SECTION
SVHS_PB H
IC6001-
X3001
X3002
FILTER
PEAKING
8
20
53
65
69
67
71
9
12
36
51
49
40
38
37
35
34
33
26
23
19
21
17
15
EMPHASIS
NON-LINEAR
DEH
COMPARATOR
PHASE
TRAP-NC
HP-NC
REDUCTION
Y-NOISE
DELAY
Y-CCD
LPF
GCL
GCL
GCL
R(SVHS)
R(SVHS)
DO
DO/REC
SQPB
SQPB
P
R
SVHS+L SECAM
SVHS+L SECAM
+SSEQ
SECAM DELAY
Y-LPF
R
P
GCL
(NOT USED IN THESE MODELS)
SIGNAL INPUT LINE
EXTERNAL PB LUMINANCE
TO C CCD
SQPB
SQPB
EXT
INT
P
R
TRAP
629MHz
AGC
FM
DET
S-VHS
P-EQ
DL
SQPB
DRIVER
C CLOCK
2FSC
OSCILLATOR
VCO
X'TAL
G-EQDLIMDEMO
LPF
SUB
W.C/D.C
CARRIER OFFSET
MAIN EMPHASIS
DE-EMPHASIS
MAIN
ET LPF
PB AGC+APL
REC FBC+ALC
ADJUSTMENT
fo/DEVIATION
MODULATION
FM
FILTER
REC
ACC DET
CHROMA
ACC DET
ACC SW
REC APC
KILLER
PB APC
APC SW
EQ
SQPB
DE-EMPHASIS
NON-LINEAR
VIDEO ALC
CLAMP
FEED BACK
SYNC
CLEAR
ACC
LPF
2MHz
HPF
AGC
VIDEO
-10dB
ATT
-10dB
ATT
-4dB
ATT
-6dB
ATT
91
90
89
87
86
85
45
46
55
57
76
29
VCA
MUTE
REC
+
L SECAM
TRAP
FREC
NO
THROUGH
C-ACC:ON
L SECAM
L SECAM
L SECAM
FREC TRAP
DELAY
C-
R
P
Hi-Fi TRAP
REC TRAP/
ADJUST
LEVEL
MIX
B.E
ACC
CHROMA
CTL TRAP
fh HPF
KILLER
COLOUR
+
LPF
CCD
C CCD
VCA
C LPF2
V-AMP AMP
TO
SYSTEM
CONTROL &
SERVO
SECTION
Q6102
VIDEO
ENVE
TW3001
SQUELCH
C-
AMP
6dB
C LPF1
CONV DELAY
4.43PAL MPAL
ERASE
PILOT
B.D
BPF
ADD
PILOT
PR
P
R
P
R
P
R
P
R
CONV 1
MAIN
+
CONV 2
MAIN
KILLER
COLOUR
CONVERTER
NTSC/PAL
SQUELCH
SP
SP
CH1
CH2
CH1
CH2
SP1
SP1
SP2
SP2
SP1
SP1
SP2
SP2
V_Y_IN
C_IN
(SIGNAL SELECT)
IC3905
55
P9703
FROM
DIGITAL
P.C.B.
22
P59001 P6003P9103
71
P9703
11
P59001 P6003P9103
75
P9703
50
OSD V IN
IC6001-
2
4
6
MAIN P.C.B.
DMR-EZ49VEG/EC/EB
Analog Video (2/2) Block Diagram

Table of Contents

Other manuals for Panasonic DMR-EZ49VEB

Related product manuals