EasyManua.ls Logo

Panasonic DMR-EZ49VEB

Panasonic DMR-EZ49VEB
157 pages
To Next Page IconTo Next Page
To Next Page IconTo Next Page
To Previous Page IconTo Previous Page
To Previous Page IconTo Previous Page
Loading...
S-12
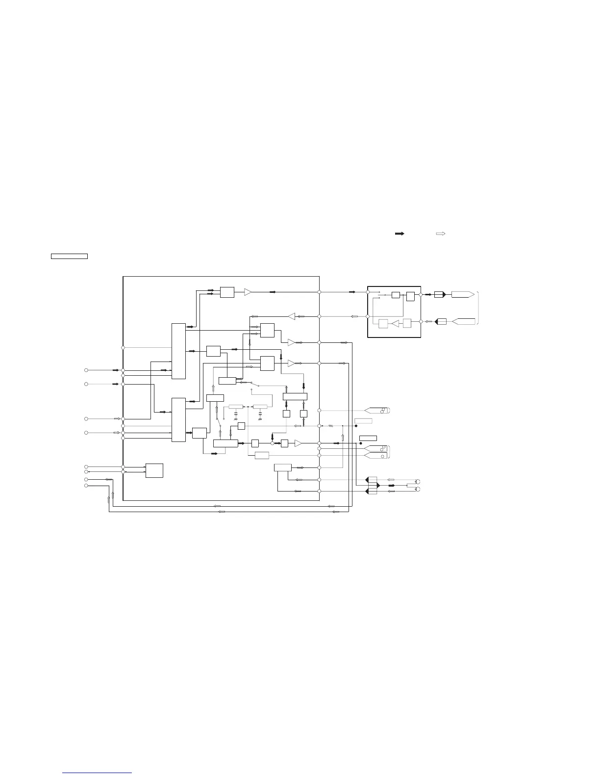
S3.4.2. Analog Audio Block Diagram (2)
:PB SIGNAL:REC SIGNAL
9
8
P3001
P3001
7
P3001
HEAD
AUDIO
Hi-Fi
R
L
8
13
SW NOISESW NOISE
TIMING
HOLD
FSC
MUTE CTL
36
43
42
64
15
10
14
63
9
22
24
29
27
21
30
57
53
62
61
45
INTERFACE
IIC BUS
SWITCH
PREAMP &
AGC
SWITCH
&
AGC
+
LPF
DEMODULATOR
FM MODULATOR/
BPF
BPFLPF
DEMODULATOR
FM MODULATOR/
PNR L CH
PNR R CH
SWITCH
&
AGC
LCH
SWITCH
SELECT
INPUT
L CH
SWITCH
SELECT
OUTPUT
R CH
SWITCH
SELECT
OUTPUT
SWITCH
SELECT
NORMAL
RCH
SWITCH
SELECT
INPUT
F
E
D
C
B
A
OPEN
AADC_L
AADC_R
OPEN
MIX_R_OUT_DM
MIX_L_OUT_DM
OPEN
OPEN
IIC_CLK
IIC_DATA
EXT1IN (Rch)
EXT1IN (Lch)
EXT2IN (Rch)
EXT2IN (Lch)
CLK
DATA
NORMAL OUT
NORMAL IN
LINE OUT (Rch)
LINE OUT (Lch)
FM IN
COMMON
AUDIO FF
HA OUT
P/R term1
P/R term2
(VHS AUDIO SIGNAL PROCESSOR)
IC4501
2
NORMAL_TO_YC
R
P
VCA
REC
EQ
6
NORMAL_FROM_YC
98
fh
TRAP
PRE
AMP
96
(VHS AV SIGNAL PROCESSOR)
IC3001
4
P4002
A.HEAD [W]
3
P4002
A.HEAD [R]
H
G
VHS_OUT_R
VHS_OUT_L
VHS_OUT_R
VHS_OUT_L
VHS_OUT_R
VHS_OUT_L
FM MUTE H
A H SW
IC6001-
19
IC6001-
25
TW4502
PB FM ENV
AL
AR
TW4501
FROM
SYSTEM
CONTROL &
SERVO
SECTION
FM MIX OUT
A_COM
Q3002- E
IC3001-
TO/FROM
A/C HEAD
FROM
ANALOG
VIDEO
SECTION
63
MAIN P.C.B.
DMR-EZ49VEG/EC/EB
Analog Audio (2/2) Block Diagram

Table of Contents

Other manuals for Panasonic DMR-EZ49VEB

Related product manuals