EasyManua.ls Logo

Panasonic DMR-EZ49VEG

Panasonic DMR-EZ49VEG
157 pages
To Next Page IconTo Next Page
To Next Page IconTo Next Page
To Previous Page IconTo Previous Page
To Previous Page IconTo Previous Page
Loading...
17
6.2.3. (VHS) Take out Cassette Tape man-
ually after removing the mecha-
nism
1. Disconnect the AC plug, and remove the Top Panel, Front
Panel and the Mechanism by referring to "9 Assembling
and Disassembling"
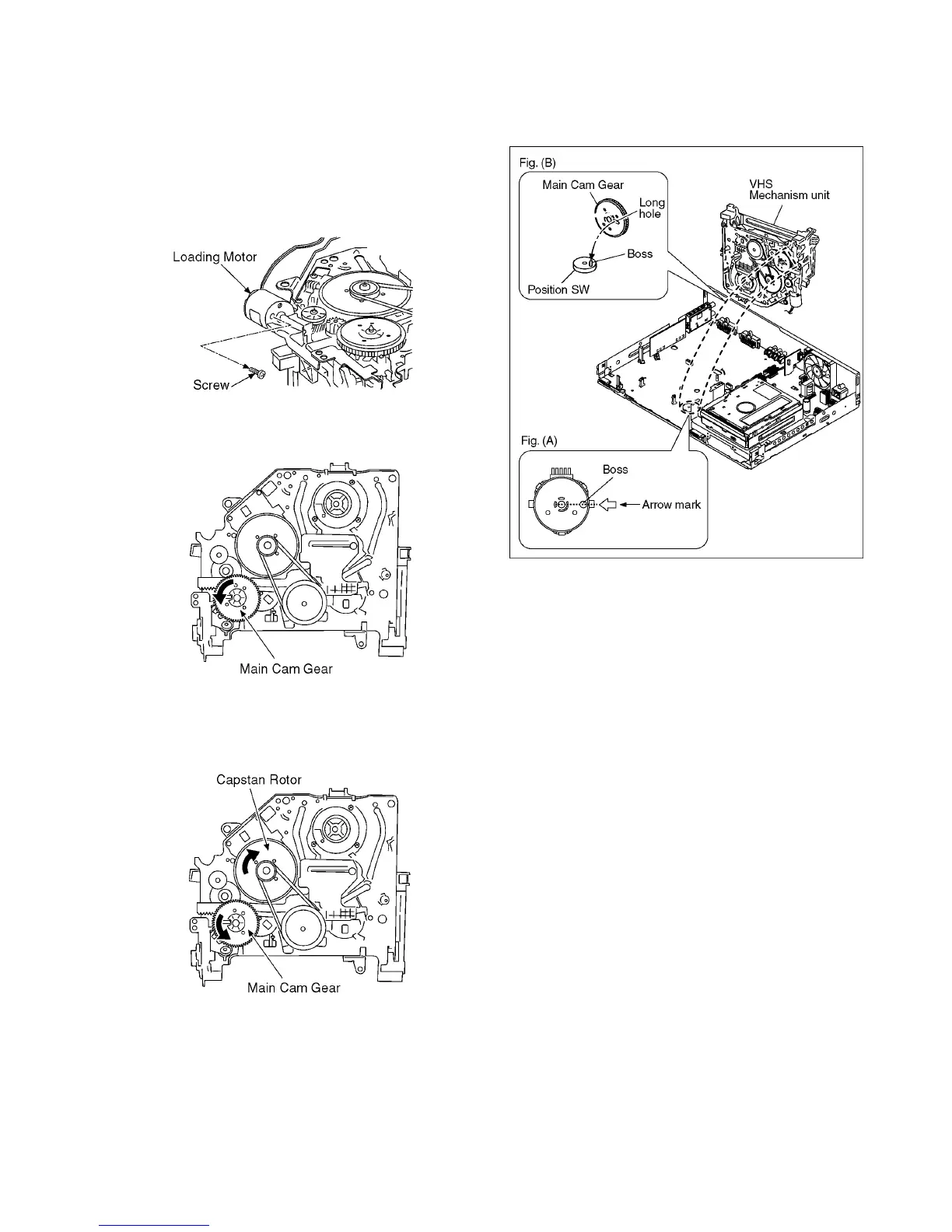
2. Remove the Screw and remove the Loading Motor as
shown below.
3. Rotate the Main Cam Gear counter-clockwise until just
before the unloading will be completed as shown below.
4. Rotate the Capstan Motor clockwise to remove the slack
tape as shown below.
5. Rotate the Main Cam Gear counter-clockwise again to
remove the cassette-tape as shown below.
6. Attach Loading Motor and tighten the screw.
7. Set the Position Switch to EJECT POSITION certainly
and attach the mechanism to chassis as shown below.

Table of Contents

Related product manuals