EasyManua.ls Logo

Panasonic DMR-EZ49VEG

Panasonic DMR-EZ49VEG
157 pages
To Next Page IconTo Next Page
To Next Page IconTo Next Page
To Previous Page IconTo Previous Page
To Previous Page IconTo Previous Page
Loading...
S-9
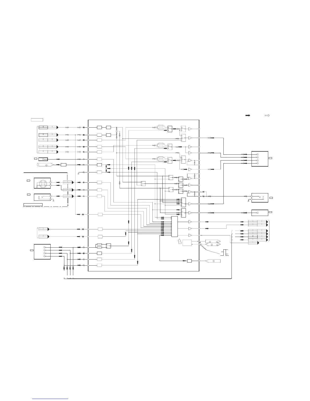
S3.3. Analog Video Block Diagram
S3.3.1. Analog Video Block Diagram (1)
+
BIAS
CLAMP
BUFFER
AMP
48
47
VHS V Y OUT
FROM
SYSTEM
CONTROL &
SERVO
SECTION
FROM
Backend P.C.B.
DT_C
DT_Y
(SW17C)
a
b
(SW17V)
a
b
(SW17Y)
a
b
V/Y IN DM
CPN C IN DM
MAIN P.C.B.
1.0V
2.3V
5V
:PB SIGNAL:REC SIGNAL
CLAMP
TUNER V
V OUT
30
RED/C15
VIDEO/Y19
GREEN11
(TV)
AV1
BLUE7
21PIN JACK
JK3901
OUT
VIDEO OUT
JK4901
1
4
(DECORDER TEXT)
AV2
VIDEO19
21PIN JACK
JK3902
DIGITAL P.C.B.
TO
P59001P9703
71
75
P9703 P59001
10
PP4801 PS6002
5
PS9001 P7401
7
PS9001 P7401
8
PP4801 PS6002
3
PP4801 PS6002
P59001P9703
83
88
P9703 P59001
P59001P9703
84
87
P9703 P59001
P9103P6003
2
1
P6003 P9103
P9102P6002
19
17
P6002 P9102
P9102P6002
16
P9102P6002
8
18
P6002 P9102
LOGIC
IIC BUS
SDA
89
SCL
88
FROM/TO
DIGITAL IF PCB
TIMER SECTION
FROM/TO
SYSTEM CONTROL &
SERVO SECTION
IIC DATA
IC9701-26
25IC9701-
9
TU7801-
9
TU7801-
FROM
MAIN P.C.B.
TUNER
SECTION
17TU7801-
IIC CLK
52IC6001-
C V OUT
(SW10)
CLAMP
CLAMP
CLAMP
CLAMP
BIAS
CLAMP
SLICER
85
OUT
ADC
V/Y
83
OUT
C-ADC
81
TUNER V
AV2 V/Y
AV2 R/C
AV3 V
AV3 C
AV3Y
AV1 V
CIRCUIT
SWITCH
SELECT
OUTPUT
ADC
OUT
V
AV2
28
SV2
e
d
c
b
a
OUT
V/Y/C
AV1
26
SV1
e
d
c
b
a
a
b
(SW9)
OUT
V
24
23
a
b
(SW8)
OUT
C
22
(SW7)
a
b
OUT
Y
20
19
OUT
G
AV1
17
6MHz
(SW5)
12MHz
a
b
c
15
OUT
Y
COMP
14
(SW6)
a
b
c
d
OUT
B
AV1
12
OUT
B-Y
COMP
11
6MHz
(SW4)
12MHz
a
b
c
d
OUT
R-C
AV1
9
(SW3)
a
b
c
(A/V SIGNAL PROCESSOR)
IC3901
OUT
R-Y
COMP
7
(SW2)
a
b
c
(SW1)
12MHz
6MHz
CLAMP
BIAS
CLAMP/
CLAMP
BIAS
CLAMP/
+
LPF
6MHz
CLAMP
BPF
6MHz
BIAS
a
b
CLAMP
BIAS
c
b
a
AV2 V/Y
AV2 B
AV2 G
AV2 R/C
AV3 V
AV3 C
AV3Y
AV1 V
AV2 V/Y
< B >
< RGB CPSV >
< R >
< G >
AV2 B
AV2 G
AV2 R/C
AV3 V
AV3 C
AV3Y
31
5
3
1
(DECODER/EXT)
AV2
VIDEO/Y
BLUE
GREEN
RED/C
20
7
11
15
21 PIN JACK
JK3902
VIDEO IN
37
S-VIDEO IN
45
AV3
JK4802
FRONT JACK
AV3
JK4801
FRONT JACK
41
7
6
4
3
2
1
4
3
33
99
97
95
93
91
AV1 VIDEO
Q6103,Q6104
(TV)
AV1
16
21 PIN JACK
JK3901
FROM
DIGITAL
P.C.B.
BPB OUT DM
GPY OUT DM
RPR OUT DM
Y OUT DM
C OUT DM
ENC C IN
ENC Y IN
R-Y IN
Y IN
B-Y IN
P9103
4
P6003
P6003P9103
5
6
P9103 P6003
9
P9103 P6003
8
P6003P9103
P59001
67
P9703
P9703P59001
63
59
P59001 P9703
51
P59001 P9703
55
P9703P59001
< R >
< B >
< RGB CPSV >
< G >
AV4 V
AV4Y
AV4 C
35
39
43
AV4 V
AV4Y
AV4 C
CLAMP
BIAS
CLAMP
VCR Y IN
VCR C IN
FRONT JACK P.C.B.
DMR-EZ49VEG/EC/EB
Analog Video (1/2) Block Diagram

Table of Contents

Related product manuals