EasyManua.ls Logo

Panasonic KX-FP701ME

Panasonic KX-FP701ME
207 pages
To Next Page IconTo Next Page
To Next Page IconTo Next Page
To Previous Page IconTo Previous Page
To Previous Page IconTo Previous Page
Loading...
178
KX-FP701ME
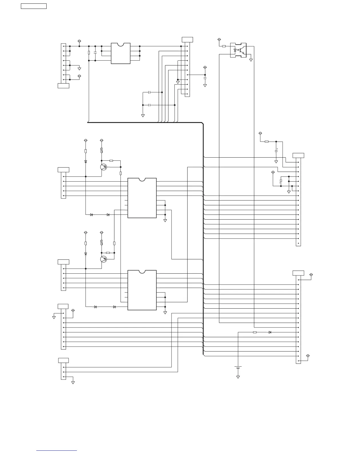
17.5. Interface Board (PCB5)
CN401
1
+6V
2
+6V
3
GND
4
GND
5
GND
6
+24V
7
+24V
8
+24V
IC403
1
S1
2
S2
3
S3
4
G
5
D1
6
D2
7
D3
8
D4
5.6kR403
+24V
+3.3V
50
100n
C404
GND
+6V
CN402
1
2
3
4
5
IC401
1
I1
2
I2
3
I3
4
I4
5
I5
6
I6
7
I7
8
GND
9
COMMON
10
O7
11
O6
12
O5
13
O4
14
O3
15
O2
16
O1
Q401
B
C
E
+6V
F401
12
+24V
820R405
1.5k
R407
D405
AK
D403
AK
GND
IC402
1
I1
2
I2
3
I3
4
I4
5
I5
6
I6
7
I7
8
GND
9
COMMON
10
O7
11
O6
12
O5
13
O4
14
O3
15
O2
16
O1
1.5kR406
D404
AK
GND
220R402
+6V
D406
AK
F402
12
Q402
B
C
E
+24V
820
R404
+24V
100
R409
35
33u
C405
GND
+3.3V
16
220u
C406
CN407
1
2
3
4
5
6
7
8
9
10
11
12
13
14
15
16
17
18
CN408
1
2
3
4
5
6
7
8
9
10
11
12
13
14
15
16
17
18
BAT401
12
GND
2.2kR408
D407
AK
GND
CN405
1
2
3
GND
PS401
2
1
4
3
GND
CN406
1
COM
2
DATA
3
/STB2
4
GND
5
CLOCK
6
TM
7
+3.3V
8
GND
9
/STB1
10
LATCH
11
COM
GND
GND
50
100p
C402
50
100p
C403
GND
GND
+6V
+5V
+5V
+5V
CN404
1
2
3
4
5
6
7
8
50
100n
C401
180
R410
100
R401
CN403
1
2
3
4
5
D401
AK
D402
AK
HEADON
TM[0]
TM[1]
TM[2]
TM[3]
RM[0]
RM[1]
RM[2]
RM[3] RXE
TM[3]
TM[1]
RM[1]
RM[0]
THLAT
THDAT
THCLK
TM
STB2
STB1
TM[2]
TM[0]
TXE
RM[3]
RM[2]
STB1
TM
THCLK
STB2
THDAT
KSTART
KLATCH
KRXD
KTXD
KSCLK
OPRESET
OPRESET
KSCLK
KTXD
KRXD
KLATCH
KSTART
THLAT
HEADON
TXE
RXE
TO DIGITAL
TO DIGITAL
TO SENSOR
TO OPE
TO TX MOTOR
TO RX MOTOR
TO POWER
TO THERMAL HEAD
KX-FP701ME : INTERFACE BOARD

Table of Contents

Related product manuals