EasyManua.ls Logo

Panasonic KX-FT31 Series

Panasonic KX-FT31 Series
14 pages
To Next Page IconTo Next Page
To Next Page IconTo Next Page
To Previous Page IconTo Previous Page
To Previous Page IconTo Previous Page
Loading...
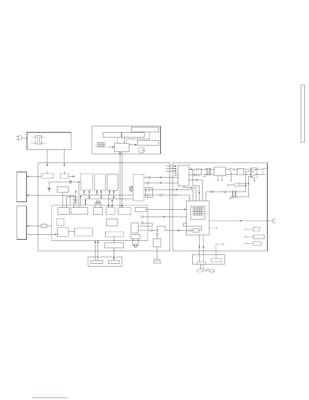
3 CIRCUIT OPERATIONS
3.1. General Block Diagram (for KX-FT38BR/KX-FT38BR2 only)
Please replace page 15 in the simplified manual.
ANALOG BOARDDIGITAL BOARD
POWER SUPPLY
ASIC
IC4
DC
LOOP
ANALOG
SW
LINE
PC
T/P
MIC
PAPER
HOOK SW
BELL/DCN
SEL1
SEL2
+
~
T/P
PAPER
JAM
JAM
HOOK
VOX
HOOK BOARD
HANDSET
SPEAKER
+24V
+8V
+5V
RLY
BREAK
CPC ALC
SP
AMP
VOL
RXIN
TXOUT
XTLI
CODEC
CPU
I/F
RESET
DELAY
OP PANEL
I/F
IMAGE
PROCESSING
MOTOR I/F
MOTOR SENSOR
ROM
4M
SRAM
256k
FLASH
4M
OSC
RTC
I/O
TR
A/D
RESET
RESET
REGFET
IC15
IC3
IC1
IC8
IC2 IC7
IC5
53MHz
24MHz
32kHz
IC6
IC6
IC1
IC11
IC9,10
BATT
CIS THERMAL HEAD
+24V
+24V
KX-FT38BR:
AC120V
KX-FT38BR2:
AC220-240V
+8V
+8V
+5V
+5V/BATT
MODEM
VOL
DATA/
CLK/
LATCH
TONE2
TONE1
SER I/F
PRINTER
CONTROL
ROM
X' POINT
MOTOR DRIVER
MOTOR BLOCK
OPERATION PANEL
G/A
LCD
READ POSITION SENSOR
COVER SENSOR DOCUMENT SENSOR
JOG
KEY MATRIX
12
KX-FT31 Series / KX-FT33 Series / KX-FT37 Series

Related product manuals