EasyManua.ls Logo

Panasonic KX-TG4031CB

Panasonic KX-TG4031CB
19 pages
To Next Page IconTo Next Page
To Next Page IconTo Next Page
To Previous Page IconTo Previous Page
To Previous Page IconTo Previous Page
Loading...
14
KX-TG4031CB/KX-TG4032CB/KX-TG4033CB/KX-TG4034CB/KX-TGA401CB
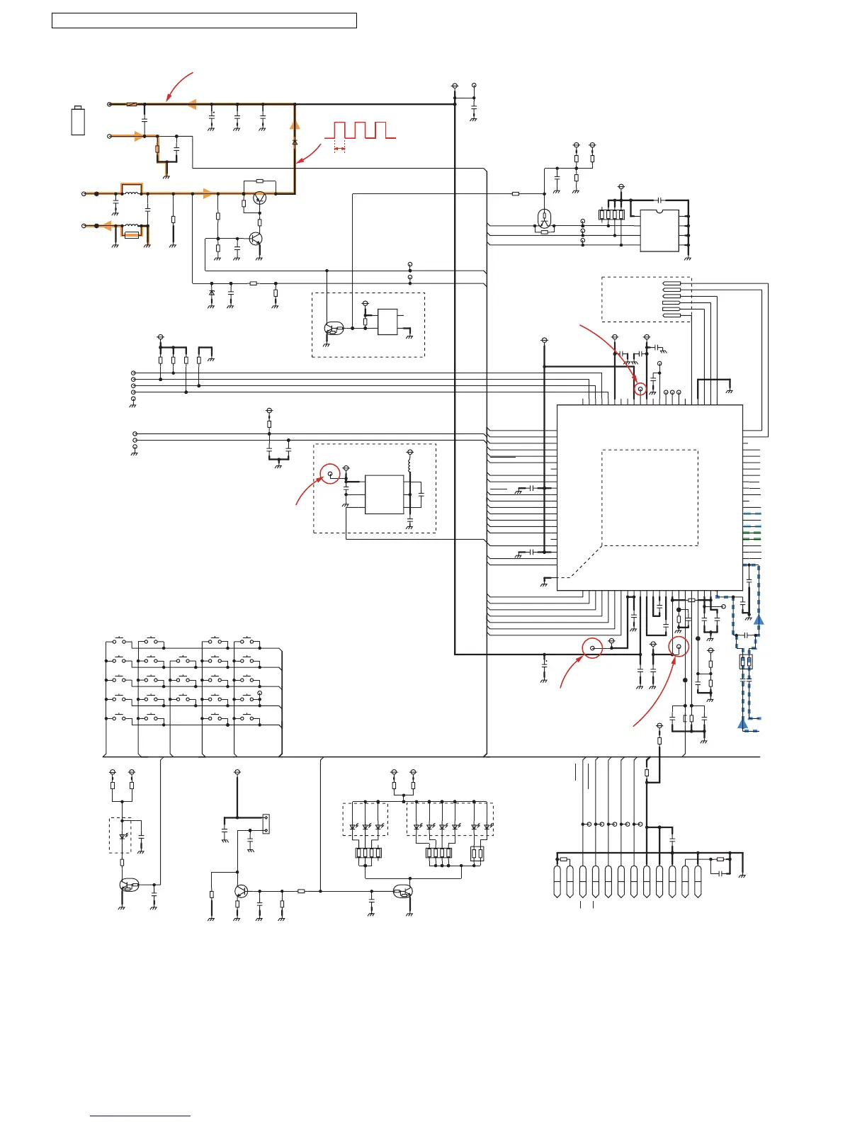
7.4. Schematic Diagram (Handset_Main)
KIN_2
STB_D
KIN_1
KIN_4
KIN_3
STB_B
STB_D
EEP_SDA
KIN_4
KIN_5
STB_A
UTX
EEP_WP
HEADSET_DET
LCD_RESET
LCD_SID
LCD_SCL
LCD_CS
KIN_1
URX
STB_E
CP_OFF
LCD_CD
STB_C
CHG_CUR
EEP_SCL
KIN_2
STB_B
KIN_3
KEY_LED
BELL_LED
STB_A
STB_C
LCD_VDD
LCD_VDD
CHG_CUR
STB_E
EEP_SDA
EEP_SCL
EEP_SCL
BELL_LED
EEP_WP
KIN_5
KEY_LED
CHG_DET
CP_OFF
CHG_CTRL
UTX
URX
LCD_RESET
LCD_CD
LCD_SID
LCD_CS
LCD_SCL
R45
0.1
VBAT
GND
C121
NC
GND GND
GND
GND
GNDGND
GND
C43
K0.1u
GND
GND
C41
k0.1u
Q4
C11 K0.1u
C13 K0.1u RA4
3.3k
GND
C138
NC
L4
NC
L5
NC
C7
NC
R2
NC
R6
1k
C147
NC
GND
C5
K0.1u
GND
LED12
C1
NC
6.3V
CHG(+)
VDDC
C64
NC
C65
NC
R64
2.2k
GND
GND
GND
GND
CN3_C
6
SCL
CN3_C
5
A0
C504
K1.0
16V
CN3_C
7
SI
CN3_C
2
OTP_PWR
CN3_C
4
RES
CN3_C
9
VDDA
CN3_C
8
VDD
CN3_C
3
CS1
CN3_C
1
GND
CN3_C
11
V0
R504
NC
CN3_C
10
VSS
R501
NC
CN3_C
12
GND
FLASH
0
SP
*
SHARP
DOWN
OFF
7
93
82
6
5
4
TALK
1
*LED8
*RA1
NC
1
2
3
4
5
6
7
8
*LED7
NC
*LED9
R563
0
4.0V
R562
NC
GND
GNDA
VDDC
3.0V
C40
k0.1u
GND
R23
10
C44 K1u
GND
GND
R4
47k
C45
K0.1u
C10
NC
GNDA
VBAT
Q6
*RA2
330
1
2
3
45
6
7
8
*RA3
330
1
23
4
3.0V
3.0V
3.0V
3.0V
3.0V
3.0V
3.0V
R502
0
R503
NC
MENU
LEFT
ATSTP
ATSTN
SOFT1
GND
URX
GND
RXn
TXn
TXp
RXON
RXp
TXON
GND
4.0V
C505
K1u
GND
R21
100k
GND
D2
NC
TE
RESET
E_WP
SCL
RSTN
CD
CHG_CTRL
CHG_DET
CS
E_SDA
SID
TEST
E_SCL
CHG(-)
UTX
C330.1u
C36
0.1u
C34 NC
C35 NC
GND
GND
VBAT
UP
SOFT2RIGHT
CHG_CUR
VBAT_MON
C21
1u
C29
1u
C31 1u
C172
0.1u
C150
NC
C3
NC
C32 1u
BATT+
BATT-
R30 NC
GND
Q20
NC
GND
VBAT
GND
Q5
GND
R66 10k
R67 10k
R68 10k
R69 10k
GND
VREF
4.0V
R507
0
R506
NC
C17
10p
C18
10p
RA5
10k
1
2
3
45
6
7
8
16K
1
NC1
2
NC2
3
NC3
4
VSS
5
SDA
6
SCL
7
*WC
8
VCC
Q9
R20
NC
CKM/STM
VBG
VDDC
3.0V
VBAT
WLED
+
-
4.0V
NC
1
VOUT
2
VIN
3
NC
4
VSS
R3
1.5k
*C77
D10p
*C76
D10p
GND
GND
Q8 NC
GND
R71
NC
C78
NC
GND
R70
NC
R72
NC
GND
GND
R8
NC
GND
TCK
TDI
TMS
TDO
GND_J
4.0V
4.0V
GND
D7
R561
220
C80
NC
GND
*C56
1u
*C57
1u
R7
100k
R12
NC
GND
R5
47k
C4
NC
C46 10p
C38
NC
Q40
NC
VBAT
R41
NC
R40
NC
C30
10u
C51
10u
C20 10u
CHG+
CHG-
4.0V
1
VOUT
2
GND
4
CN
5
VCC
3
SHD
6
CP
*LED4
*LED1
*LED5
*LED2
*LED6
*LED3
C2
680u
6.3
*R509
56
GND
C79
100p
C81
100p
GND
R43 0
3.0V
R42
NC
L29 120
C15
39p
R44
NC
R31
100k
R33
100k
1
GPIO[20]
2
GPIO[21]
23
MIP
3
GPIO[22]
4
GPIO[23]
5
GPIO[24]
6
GPIO[25]
7
GPIO[26]
8
VDDC2
24
HSMIN
25
HSMIP
26
MPWR
27
HSSPOUTP
28
LOUT
29
SPOUTN
30
VCCPA
45
TXp
46
RXp
47
RXn
48
GND_RF
49
TRSW_p
50
ANT_n
51
ATST_n
52
ATST_p
81
GPIO[13]
82
GPIO[14]
83
GPIO[15]
84
GPIO[16]
85
GPIO[17]
86
VDDIO2
87
GPIO[18]
88
GPIO[19]
89
GND
9
COREOUT
10
VBAT
11
DOUBCAPN1
12
DOUBCAPN
13
DOUBCAPP
14
DOUBCAPP1
15
DOUBOUT
16
DCIN0/LIN0
17
DCIN1
18
DCIN2
19
DCIN3/LIN1
20
VREF
21
VCCA
22
MIN
31
SPOUTP
32
PWM1
33
PWM0
34
DCINS
35
XOUT
36
XIN
37
VBAT_APU
38
VDD_APU
39
VCC_IF
40
VDD_IF
41
VCC_FE
42
ANT
43
TRSW_n
44
TXn
53
TEST
54
RSTN
55
NC
56
VCC_VCO
57
GPIO[27]
58
VDDUSB
59
DM_USB/GPI28
60
DP_USB/GPI29
61
VDDC1
62
JTAG_TDO
63
JTAG_TDI
64
JTAG_TCK
65
JTAG_TMS
66
JTAG_RTCK
67
GPIO[0]/SCL_IIC
68
GPIO[1]/SDA_IIC
69
GPIO[2]
70
GPIO[3]
71
GPIO[4]
72
GPIO[5]
73
GPIO[6]
74
GPIO[7]
75
GPIO[8]
76
VDDIO1
77
GPIO[9]
78
GPIO[10]
79
GPIO[11]
80
GPIO[12]
F1
2.5A
VBAT
L6
1u
*C58
1u
To Charge
Terminal
To Battery
KEY BACKLIGHT
(Amber)
BELL LED
(Amber)
LCD_BACKLIGHT
(White)
To 1.8inc FullDot
LCD_BACKLIGHT
(Amber)
TO RF BLOCK
FLASH:1.8V / ROM:1.2V
LITE-ON
NC: No Components
*IC1
IC3
*IC4
IC2
(1)
(2)
(3)
(4)
(6)
(5)
(8)
(9)
(10)
(11)
(12)
(13)
(14)
(18)
(19)
(20)
(15)
(16)
(17)
(7)
Charge Current
When on Charge
1s
4.0V
(When LCD backlit on)
1.2V
3.0V
* Start Monitor
* When "SFR" command
is executed, 13.824MHz
frequency will be output.

Related product manuals