EasyManua.ls Logo

Panasonic KX-TG6671B

Panasonic KX-TG6671B
102 pages
To Next Page IconTo Next Page
To Next Page IconTo Next Page
To Previous Page IconTo Previous Page
To Previous Page IconTo Previous Page
Loading...
9
KX-TG6671B/KX-TG6672B/KX-TGA660B
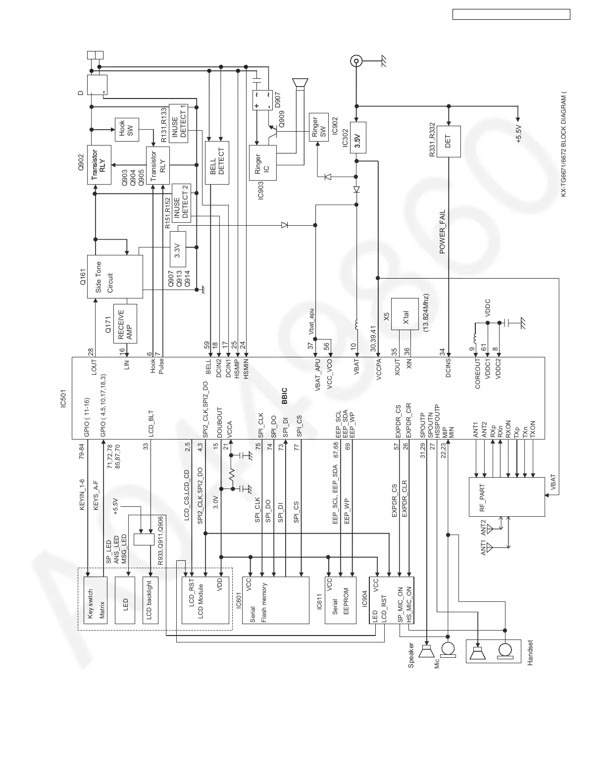
4.2. Block Diagram (Base Unit_Main)
TEL Line
D101
Q902
RLY
Transistor
RLY
Transistor
RLY
Transistor
RECEIVE
AMP
INUSE
DETECT 1
-
+
~
~
-
+
~
~
Hook
SW
Q903
Q904
Q905
Q907
Q913
Q914
Q161
LOUT
Side Tone
Circuit
Q171
LIN
Hook
LCD_BLT
Pulse
R151,R152
BELL
DETECT
-
+
~
~
-
+
~
~
Ringer
IC
BELL
DCIN2
DCIN1
HSMIP
HSMIN
D907
IC903
RF_PART
3.5V
VBAT_APU
Vbat_apu
VCC_VCO
VBAT
3.3V
R131,R133
INUSE
DETECT 2
VCCPA
Key switch
Matrix
GPIO ( 11-16)
GPIO ( 4,5,10,17,18,3)
LED
SP_LED
ANS_LED
MSG_LED
LCD_RST
LCD Module
Serial
Flash memory
Serial
EEPROM
SP_MIC_ON
HS_MIC_ON
IC904
X5
X’tal
(13.824Mhz)
XOUT
XIN
IC501
Handset
Speaker
Mic
LCD_CS,LCD_CD
SPI2_CLK,SPI2_DO
DOUBOUT
VCCA
3.0V
SPI_CLK
SPI_DO
SPI_DI
SPI_DI
IC601
EEP_SCL, EEP_SDA
EEP_WP
EEP_SCL
EEP_SDA
EEP_WP
SPI_CS
SPI_CS
SPI_CLK
SPI_DO
SPI2_CLK,SPI2_DO
KEYS_A-F
KEYIN_1-6
LCD_RST
IC611
BBIC
EXPDR_CS
EXPDR_CS
EXPDR_CLR
EXPDR_CIR
SPOUTP
SPOUTN
VCC
LED
VDD
VCC
LCD backlight
VCC
3.5V
IC302
3.5V
IC902
Ringer
SW
Ringer
DET
R331,R332
+5.5V
POWER_FAIL
DCINS
COREOUT
ANT1
ANT2
RXp
RXn
RXON
TXON
TXp
TXn
VDDC1 VDDC
VDDC2
DC
5.5V
Q909
28
16
6
7
59
18
17
25
24
37
56
10
30,39,41
35
36
34
79-84
33
+5.5V
R933,Q911,Q906
71,72,78
85,87,70
2,5
4,3
15
21
75
74
73
77
67,68
69
57
26
31,29
ANT2
27
22,23
HSSPOUTP
MIP
MIN
VBAT
KX-TG6671/6672 BLOCK DIAGRAM (Base Unit_Main)
9
61
8
ANT1

Table of Contents

Related product manuals