EasyManua.ls Logo

Panasonic KX-TG9333PK

Panasonic KX-TG9333PK
110 pages
To Next Page IconTo Next Page
To Next Page IconTo Next Page
To Previous Page IconTo Previous Page
To Previous Page IconTo Previous Page
Loading...
9
KX-TG9333PK/KX-TG9334PK//KX-TGA931T
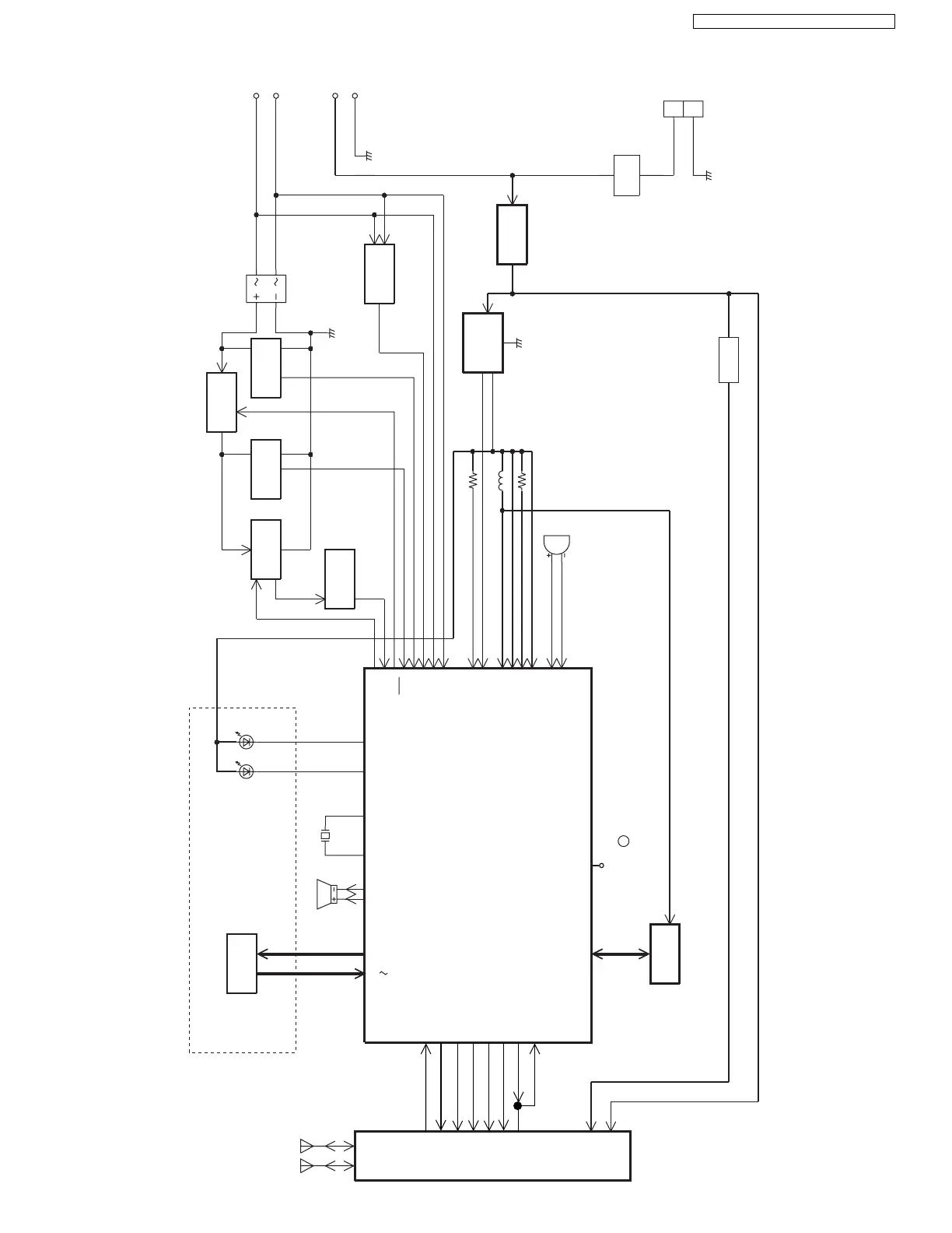
4.2. Block Diagram (Base Unit_Main)
KX-TG9333/9334 BLOCK DIAGRAM (Base Unit_Main)
Operational P.C. Board
D101
CHARGE_CONTACT
+
-
MIC
SP
X501
13.824 MHz
ANT2ANT1
TEL JACK
L1T
L1R
DCP
DCM
DC JACK
RLY
SIDE TONE
CIRCUIT
Q161
Q141
BELL
DETECT
RLY
BELL
Q111
LIN
LOUT
RF_PART
CID_IN
CID_IN
IC501
DSP
4.0 V
CONVERTOR
MIN
INUSE
DETECT 2
INUSE
DETECT 1
RECEIVE
AMP
DCIN 1
DCIN 2
IC331
RESET
POWER_DOWN
VCCIN
VCC
VCCA
VCCPA
INT_1
V_RF
INT_1 5
VCC
ANSWER_LED
IC601
FLASH
MEMORY
KEYS
IC300, Q300
R151,R152
R131, R133
Q171
V_RF(VPA)
SI,SO,CS,
MSG_LED
KEY 1 3
KEY B, C, D, E
SPN
SPP
MIP
3.3 V
REGULATOR
with RESET
CLK,RST
R371
R372
Q382
SYN_OUT
SYN_EN
SYN_CLK
SYN_DATA
SLOT_CTROL
RADIO_EN
TXDATA
RXDATA

Table of Contents

Related product manuals