EasyManua.ls Logo

Panasonic MADLN05BL - CS Signal Interface

Panasonic MADLN05BL
111 pages
Print Icon
To Next Page IconTo Next Page
To Next Page IconTo Next Page
To Previous Page IconTo Previous Page
To Previous Page IconTo Previous Page
Loading...
No. SX-DSV03335 - 48-
R2.0 Industrial Device Solution Business Unit, Panasonic Corporation
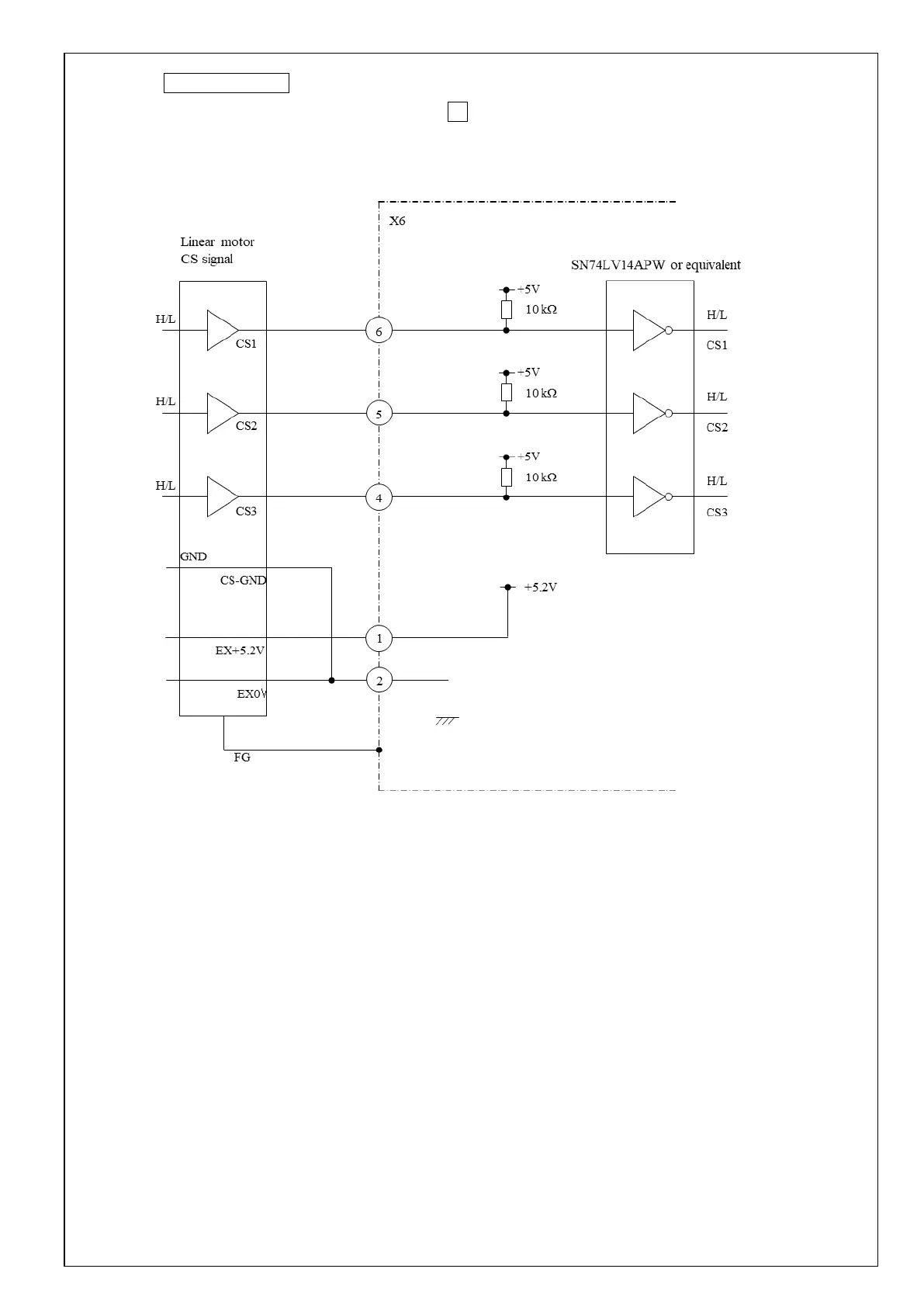
CS signal interface
Connect the CS signal of the linear motor to X6.
The relationship between the CS signal and the moving direction of the linear motor is shown below.

Table of Contents

Related product manuals