EasyManua.ls Logo

Panasonic MADLN05BL - Page 57

Panasonic MADLN05BL
111 pages
Print Icon
To Next Page IconTo Next Page
To Next Page IconTo Next Page
To Previous Page IconTo Previous Page
To Previous Page IconTo Previous Page
Loading...
No. SX-DSV03335 - 55-
R2.0 Industrial Device Solution Business Unit, Panasonic Corporation
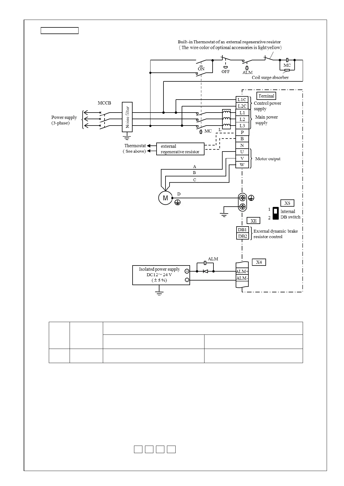
Size G 200 V
Connection of regenerative resistor
Size
Internal
regenerative
resistor
Connection of the Terminal
In case of using the external
regenerative resistor
In case of not using the external
regenerative resistor
G
None
Between P and B:
Connect the external regenerative resistor
Between RB and B : Keep open
* Connectors X1 to X7 are secondary side circuits. (See [5. Appearance and name of each part ])
Insulation is required from the primary side power supply (power supply for motor brake).
Do not connect to the same power supply.
* Size G has a built-in dynamic brake. When using built-in dynamic brake, set switch XS to "1" side.
(Shipping setting is set to "1" side.)
*The indication of built-in dynamic brake resistance is up to 3 times in succession due to maximum allowable inertia,
stop from rated speed. If it is used under more conditions, the resistance may be broken and the dynamic brake may not operate.
* When exceeding the capacity of the built-in dynamic brake resistor, set the switch XS to "2" side and use the external dynamic
brake resistor. For connection, refer to the example of external dynamic brake connection.
* For details, refer to 7-1 Power connector XA, XB, XC, XD, and terminal block.

Table of Contents

Related product manuals