EasyManua.ls Logo

Panasonic MEDLN83BL - Power Connector Wiring Precautions

Panasonic MEDLN83BL
111 pages
Print Icon
To Next Page IconTo Next Page
To Next Page IconTo Next Page
To Previous Page IconTo Previous Page
To Previous Page IconTo Previous Page
Loading...
No. SX-DSV03335 - 51-
R2.0 Industrial Device Solution Business Unit, Panasonic Corporation
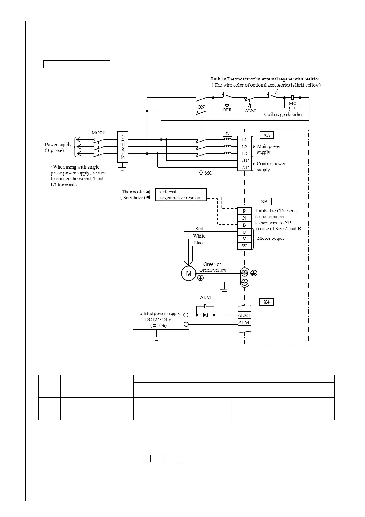
8-3 Precautions for wiring
8-3-1 Wiring to the power connector and the terminal block
Size A, B 100 V / 200 V
Connection of a regenerative resistor
Size
Short wire
(accessory)
Internal
regenerative
resistor
Connection of connector XB
In case of using the external
regenerative resistor
In case of not using the external
regenerative resistor
A
B
None
None
Between P and B:
Connect the external
regenerative resistor.
Between P and B:
Keep open
* The circuit connected to terminal X1 X7 are secondary circuits. (See [5. Appearance and name of each part ])
Insulation is needed against the primary side power supply (power supply of the motor brake).
Please do not connect them with the same power supply.
* For details, refer to 7-1 Power connector XA, XB, XC, XD, and terminal block.

Table of Contents

Related product manuals